电脑桌面
添加小米粒文库到电脑桌面
安装后可以在桌面快捷访问

完整版模板工程技术交底VIP免费

完整版模板工程技术交底_第1页
1/7
完整版模板工程技术交底_第2页
2/7
完整版模板工程技术交底_第3页
3/7
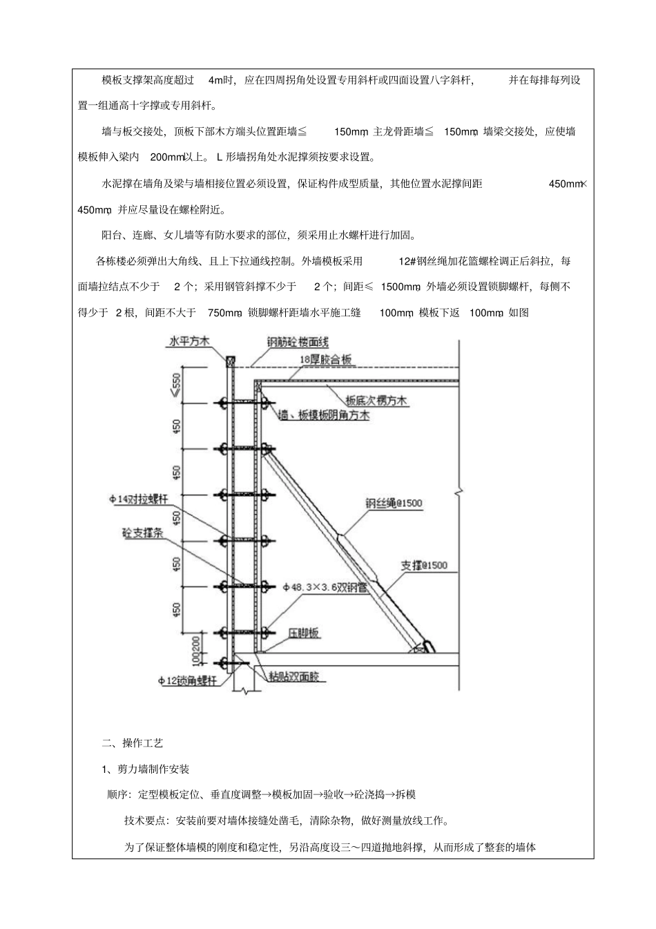
模板工程施工技术交底记录2017 年 11 月 01 日施管表 5 工程名称五矿弘园居住商业二期施工单位五矿二十三冶建设集团有限公司交底部位17#楼地下室分部工程地基与基础 -- 模板工程交底内容一、施工准备1、材料要求1.1 模板:尺寸 (1830 × 915mm)、厚度 12mm,木模板 (或夹板 ) 宜采用Ⅰ或Ⅱ等松木,杉木以及胶合夹板,并应符合《木结构工程施工及验收规范》和《木结构设计规范》中的有关规定。。1.2 方木:木枋宜采用Ⅰ或Ⅱ等松木、什木,并应符合《木结构工程施工及验收规范》和《木结构设计规范》中的有关规定。1.4 隔离剂:严禁使用油性隔离剂,必须使用水性隔离剂。1.5 模板截面支撑用料:采用钢筋支撑,两端点好防锈漆。2、施工机具木工圆锯、木工平刨、压刨、手提电锯、手提压刨、打眼电钻、线坠、靠尺板、方尺、铁水平尺、撬棍等。支撑体系: 木( 松木或杉木 ) 支顶及钢门式刚架、钢管等, 并应符合 《木结构工程施工及验收规范》、《木结构设计规范》及《钢管脚手架扣件》中的有关规定。2、作业要求本工程主楼部分梁、板支模架搭设采用φ 48× 3.0钢管脚手架,梁、板支模架的立杆纵横间距为≦1000mm,步距为≦ 1500mm;地下室采用轮扣式钢管架,梁板支模架的立杆纵横间距为≦900mm,步距为≦ 1500mm,梁底水平钢管与支模架体应用扣件连接,严禁采用钢钉加固。墙柱阴阳角位置钢管须用扣件加固。在浇筑完楼面混凝土起支模架时,立杆下部应设垫板,垫板宜采用250× 250mm木垫板, 立杆距墙柱距离≦ 300mm。楼面往上≦ 200mm处应设置纵横向扫地杆。梁模板支模时,梁底必须沿梁中纵向连续设置一根立杆底撑,底撑间距900mm,该底撑应与支模体系做纵横向拉结。梁、板模板支模体系中立杆上部的可调托座伸出立杆长度不得大于300mm,伸入立杆长度不得小于 150mm。模板支撑架高度超过4m时,应在四周拐角处设置专用斜杆或四面设置八字斜杆,并在每排每列设置一组通高十字撑或专用斜杆。墙与板交接处,顶板下部木方端头位置距墙≦150mm,主龙骨距墙≦150mm;墙梁交接处,应使墙模板伸入梁内200mm以上。 L 形墙拐角处水泥撑须按要求设置。水泥撑在墙角及梁与墙相接位置必须设置,保证构件成型质量,其他位置水泥撑间距450mm×450mm,并应尽量设在螺栓附近。阳台、连廊、女儿墙等有防水要求的部位,须采用止水螺杆进行加固。各栋楼必须弹出大角线、且上下拉通线控制。外墙模板采用12#钢丝绳加花篮螺栓调正后斜拉,每...

1、当您付费下载文档后,您只拥有了使用权限,并不意味着购买了版权,文档只能用于自身使用,不得用于其他商业用途(如 [转卖]进行直接盈利或[编辑后售卖]进行间接盈利)。
2、本站所有内容均由合作方或网友上传,本站不对文档的完整性、权威性及其观点立场正确性做任何保证或承诺!文档内容仅供研究参考,付费前请自行鉴别。
3、如文档内容存在违规,或者侵犯商业秘密、侵犯著作权等,请点击“违规举报”。

碎片内容

完整版模板工程技术交底

您可能关注的文档

确认删除?
VIP
微信客服
  • 扫码咨询
会员Q群
  • 会员专属群点击这里加入QQ群
客服邮箱
回到顶部