电脑桌面
添加小米粒文库到电脑桌面
安装后可以在桌面快捷访问

完整版消防产品目录及型式检验周期文档良心出品VIP免费

完整版消防产品目录及型式检验周期文档良心出品_第1页
1/3
完整版消防产品目录及型式检验周期文档良心出品_第2页
2/3
完整版消防产品目录及型式检验周期文档良心出品_第3页
3/3
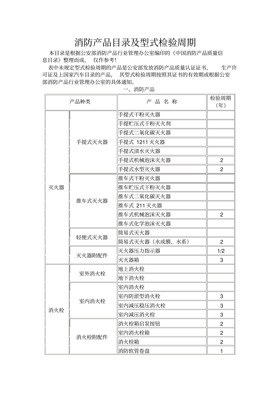
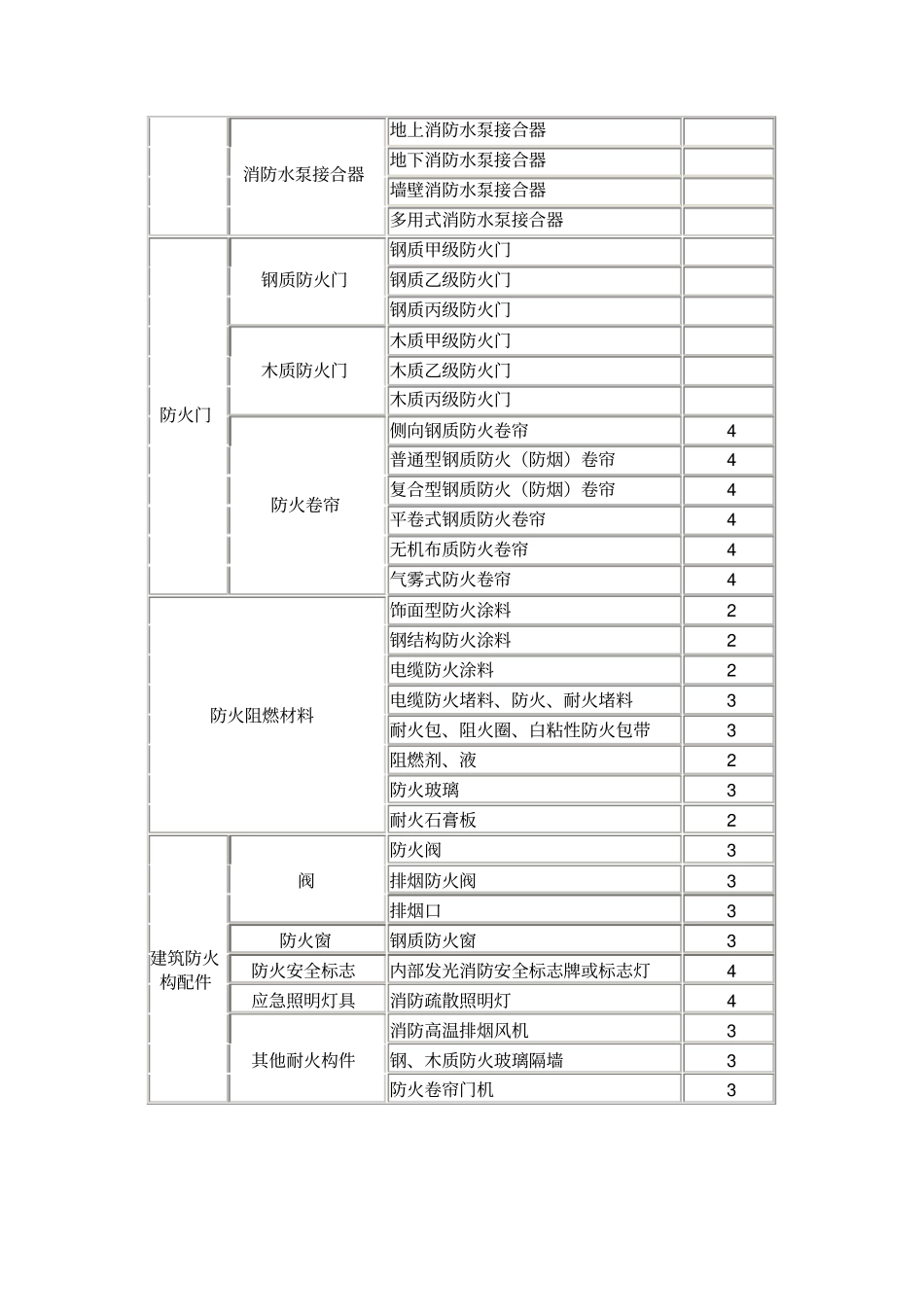
消防产品目录及型式检验周期本目录是根据公安部消防产品行业管理办公室编印的《中国消防产品质量信息目录》整理而成, 仅作参考!表中未规定型式检验周期的产品是公安部发放消防产品质量认证证书、生产许可证及上国家汽车目录的产品, 其型式检验周期按照其证书的有效期或根据公安部消防产品行业管理办公室的具体通知。一、消防产品产品种类产 品 名 称检验周期(年)灭火器手提式灭火器手提式干粉灭火器手提贮压式干粉灭火剂手提式二氧化碳灭火器手提式 1211 灭火器手提式清水灭火器手提式机械泡沫灭火器2 手提式水型灭火器2 推车式灭火器推车式干粉灭火器推车贮压式干粉灭火器推车式二氧化碳灭火器推车式 211 灭火器推车式机械泡沫灭火器2 推车式化学泡沫灭火器轻便式灭火器简易式灭火器简易式灭火器(水成膜、水系)2 灭火器附配件灭火器压力指示器1/2 灭火器箱3 消火栓室外消火栓地上消火栓地下消火栓室内消火栓室内消火栓室内防淤型消火栓3 室内减压稳压消火栓3 室内减压消火栓3 消火栓附配件消火栓箱启泵按钮2 室内消火栓箱2 消火栓箱2 消防软管卷盘1 消防水泵接合器地上消防水泵接合器地下消防水泵接合器墙壁消防水泵接合器多用式消防水泵接合器防火门钢质防火门钢质甲级防火门钢质乙级防火门钢质丙级防火门木质防火门木质甲级防火门木质乙级防火门木质丙级防火门防火卷帘侧向钢质防火卷帘4 普通型钢质防火(防烟)卷帘4 复合型钢质防火(防烟)卷帘4 平卷式钢质防火卷帘4 无机布质防火卷帘4 气雾式防火卷帘4 防火阻燃材料饰面型防火涂料2 钢结构防火涂料2 电缆防火涂料2 电缆防火堵料、防火、耐火堵料3 耐火包、阻火圈、白粘性防火包带3 阻燃剂、液2 防火玻璃3 耐火石膏板2 建筑防火构配件阀防火阀3 排烟防火阀3 排烟口3 防火窗钢质防火窗3 防火安全标志内部发光消防安全标志牌或标志灯4 应急照明灯具消防疏散照明灯4 其他耐火构件消防高温排烟风机3 钢、木质防火玻璃隔墙3 防火卷帘门机3 二、相关消防产品产品种类产 品 名 称检验周期(年)防火门的相关产品防火门锁3 闭门器3 电器防火类相关产品电器防火保护器3 防火建材相关产品不燃材料防火装饰板2 不燃型无机玻璃钢通风管道2 离心玻璃棉材料3 岩棉材料3 难燃材料阻燃木材2 有机玻璃钢2 防火胶合板2 矿棉吸声板2 橡塑保温板2 阻燃塑料PVC电线管2 PVC装饰板材2 UPVC(改性聚氯乙烯)导管2 难燃聚乙烯泡沫保温材料2 阻...

1、当您付费下载文档后,您只拥有了使用权限,并不意味着购买了版权,文档只能用于自身使用,不得用于其他商业用途(如 [转卖]进行直接盈利或[编辑后售卖]进行间接盈利)。
2、本站所有内容均由合作方或网友上传,本站不对文档的完整性、权威性及其观点立场正确性做任何保证或承诺!文档内容仅供研究参考,付费前请自行鉴别。
3、如文档内容存在违规,或者侵犯商业秘密、侵犯著作权等,请点击“违规举报”。

碎片内容

完整版消防产品目录及型式检验周期文档良心出品

确认删除?
VIP
微信客服
  • 扫码咨询
会员Q群
  • 会员专属群点击这里加入QQ群
客服邮箱
回到顶部