电脑桌面
添加小米粒文库到电脑桌面
安装后可以在桌面快捷访问

完整版碗扣式钢管脚手架验收记录表VIP专享VIP免费

完整版碗扣式钢管脚手架验收记录表_第1页
1/2
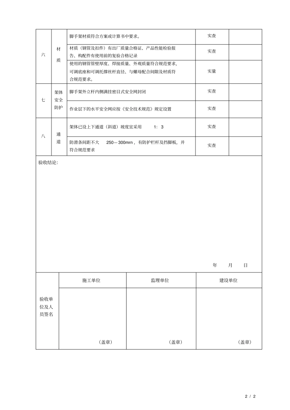
完整版碗扣式钢管脚手架验收记录表_第2页
2/2
1 / 2碗扣式钢管脚手架验收记录表工程名称重庆市云阳县养鹿小江大桥施工单位远海建工(集团)有限公司项目负责人余超工程部位P1#/P2#墩现浇段现场负责人冯仁荣施工执行标准及编号建筑施工碗扣式脚手架安全技术规范JGJ 166---2008 建筑施工扣件式钢管脚手架安全技术规范JGJ130---2011 建筑施工模板安全技术规范JGJ 162---2008 验收部位P1#墩现浇段支架及模板搭设高度M 材质型号序号检查项目检查内容与要求实测、实量、实查验收结果一施工方案搭设单位应取得脚手架搭设资质,架子工持证上岗。实查脚手架搭设前必须编制施工组织设计并经过专家审批,审批手续完备。实查施工组织设计应有荷载计算、最不利位置立杆、横杆、斜杆强度验算、基础强度验算,绘制架体结构计算图。实查立杆、大横杆、小横杆间距符台设计和规范要求。实量必须设置纵横扣地杆并符合要求。实量脚手架搭设前技术负责人应按脚手架施工设计或专项方案的要求对搭设和使用人员进行技术交底。实查二立杆基础基础经验收合格,平整坚实与方案一致,有排水设施。实查立杆底部有底座或垫板符合方案要求并应准确放线定位。实测基础是否有不均匀沉降、立杆底座与基础面的接触有无松动或悬空现象。实量三剪刀撑纵向剪刀撑按每腹板下及周边各设一道,横向剪刀撑按每隔 4.8 米设置一道,水平剪刀撑按上、中、下各设一道。实查四杆件联接步距、纵距、横距和立杆垂直度搭设误差符合规范要求、保证架体几何不变性的斜杆、十字撑等设置是否完善。实查立杆上碗扣是否可靠锁紧、立杆连接销是否安装、斜杆扣接点是否符合规范要求、扣件螺栓拧紧程度符合规范要求。实量碗扣支架总体稳定,构造措施按规范执行,支架应与既有桥墩及桥台台身可靠联结。实查五脚手板与防护栏杆施工作业层满铺脚手板,其材质符合要求 (上人通道部位) 。实查脚手架施工作业层搭设不低于1. 2m 高的防护栏和180mm的挡脚板并用密目安全网防护。实查2 / 2六材质脚手架材质符合方案或计算书中要求。实查材质(钢管及扣件)有出厂质量合格证、产品性能检验报告、构配件有使用前的复验合格记录实查使用的钢管管壁厚度、焊接质量、外观质量符合规范要求,可调底座和可调托撑丝杆直径、与螺母配合间隙及材质符合规范要求。实量七架体安全防护脚手架外立杆内侧满挂密目式安全网封闭实查作业层下的水平安全网应按《安全技术规范》规定设置实查八通道架体已设上下通道(斜道)坡度宜采用1: 3实查防滑条间距不大250— 30...

1、当您付费下载文档后,您只拥有了使用权限,并不意味着购买了版权,文档只能用于自身使用,不得用于其他商业用途(如 [转卖]进行直接盈利或[编辑后售卖]进行间接盈利)。
2、本站所有内容均由合作方或网友上传,本站不对文档的完整性、权威性及其观点立场正确性做任何保证或承诺!文档内容仅供研究参考,付费前请自行鉴别。
3、如文档内容存在违规,或者侵犯商业秘密、侵犯著作权等,请点击“违规举报”。

碎片内容

完整版碗扣式钢管脚手架验收记录表

确认删除?
VIP
微信客服
  • 扫码咨询
会员Q群
  • 会员专属群点击这里加入QQ群
客服邮箱
回到顶部