电脑桌面
添加小米粒文库到电脑桌面
安装后可以在桌面快捷访问

测量常用规范、规程主要技术要求、规定汇总VIP免费

测量常用规范、规程主要技术要求、规定汇总_第1页
1/31
测量常用规范、规程主要技术要求、规定汇总_第2页
2/31
测量常用规范、规程主要技术要求、规定汇总_第3页
3/31
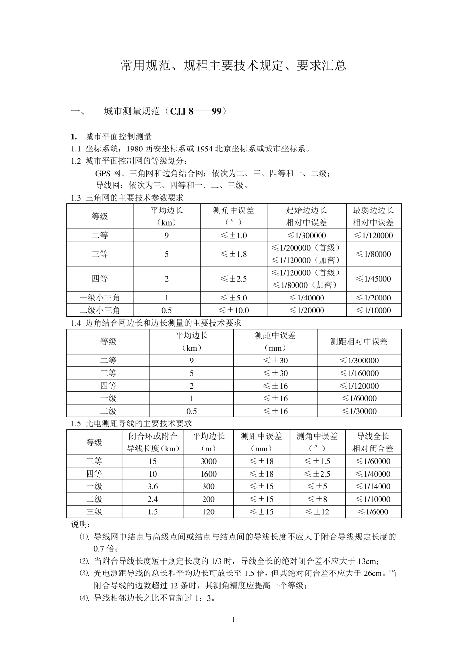
1 常用规范、规程主要技术规定、要求汇总 一、 城市测量规范(CJJ 8——99) 1. 城市平面控制测量 1.1 坐标系统:1980 西安坐标系或1954 北京坐标系或城市坐标系。 1.2 城市平面控制网的等级划分: GPS 网、三角网和边角结合网:依次为二、三、四等和一、二级; 导线网:依次为三、四等和一、二、三级。 1.3 三角网的主要技术参数要求 等级 平均边长 (km ) 测角中误差 (″) 起始边边长 相对中误差 最弱边边长 相对中误差 二等 9 ≤±1.0 ≤1/300000 ≤1/120000 三等 5 ≤±1.8 ≤1/200000(首级) ≤1/120000(加密) ≤1/80000 四等 2 ≤±2.5 ≤1/120000(首级) ≤1/80000(加密) ≤1/45000 一级小三角 1 ≤±5.0 ≤1/40000 ≤1/20000 二级小三角 0.5 ≤±10.0 ≤1/20000 ≤1/10000 1.4 边角结合网边长和边长测量的主要技术要求 等级 平均边长 (km ) 测距中误差 (m m ) 测距相对中误差 二等 9 ≤±30 ≤1/300000 三等 5 ≤±30 ≤1/160000 四等 2 ≤±16 ≤1/120000 一级 1 ≤±16 ≤1/60000 二级 0.5 ≤±16 ≤1/30000 1.5 光电测距导线的主要技术要求 等级 闭合环或附合 导线长度(km ) 平均边长 (m ) 测距中误差 (m m ) 测角中误差 (″) 导线全长 相对闭合差 三等 15 3000 ≤±18 ≤±1.5 ≤1/60000 四等 10 1600 ≤±18 ≤±2.5 ≤1/40000 一级 3.6 300 ≤±15 ≤±5 ≤1/14000 二级 2.4 200 ≤±15 ≤±8 ≤1/10000 三级 1.5 120 ≤±15 ≤±12 ≤1/6000 说明: ⑴. 导线网中结点与高级点间或结点与结点间的导线长度不应大于附合导线规定长度的0.7 倍; ⑵. 当附合导线长度短于规定长度的1/3 时,导线全长的绝对闭合差不应大于 13cm ; ⑶. 光电测距导线的总长和平均边长可放长至 1.5 倍,但其绝对闭合差不应大于 26cm 。当附合导线的边数超过 12 条时,其测角精度应提高一个等级; ⑷. 导线相邻边长之比不宜超过 1:3。 2 1.6 三角测量水平角观测的技术要求 等级 测角 中误差 (″) 三角形 最大 闭合差 (″) 平均 边长 (km) 方向观测 测回数 DJ1 DJ2 DJ6 全组合测角 法方向权 P=n0·nd DJ1 二等 ≤±1 ≤±3.5 >9 ≤9 15 --- --- 12 --- --- 30(28、32) 24(25) 三等 ≤±1.8 ≤±7 >5 ≤5 9 12 ---...

1、当您付费下载文档后,您只拥有了使用权限,并不意味着购买了版权,文档只能用于自身使用,不得用于其他商业用途(如 [转卖]进行直接盈利或[编辑后售卖]进行间接盈利)。
2、本站所有内容均由合作方或网友上传,本站不对文档的完整性、权威性及其观点立场正确性做任何保证或承诺!文档内容仅供研究参考,付费前请自行鉴别。
3、如文档内容存在违规,或者侵犯商业秘密、侵犯著作权等,请点击“违规举报”。

碎片内容

测量常用规范、规程主要技术要求、规定汇总

确认删除?
VIP
微信客服
  • 扫码咨询
会员Q群
  • 会员专属群点击这里加入QQ群
客服邮箱
回到顶部