电脑桌面
添加小米粒文库到电脑桌面
安装后可以在桌面快捷访问

浙江省特种设备检验收费标准VIP免费

浙江省特种设备检验收费标准_第1页
1/21
浙江省特种设备检验收费标准_第2页
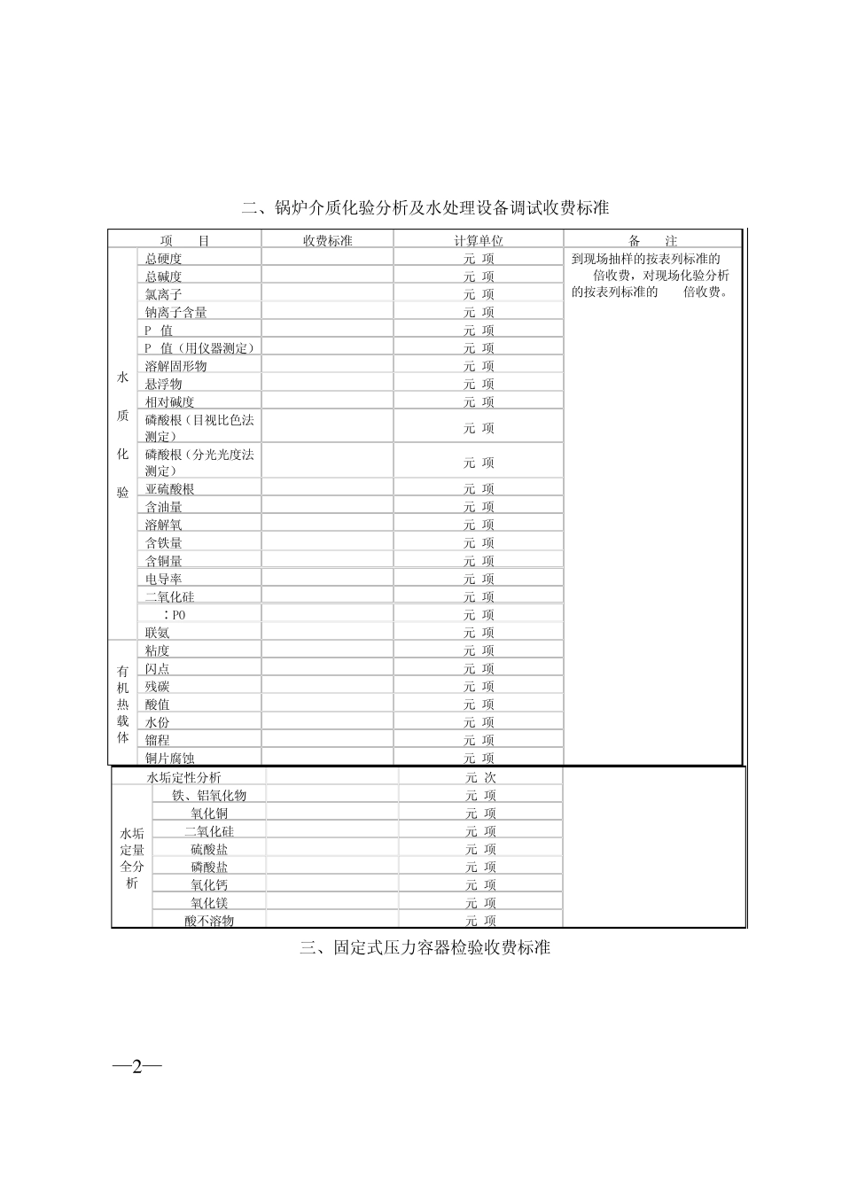
2/21
浙江省特种设备检验收费标准_第3页
3/21
—1 — 一、锅炉检验收费标准 收 项 费 目 标 分 准 类 制造过程 监督检验 (元/台) 安装过程监督检验(元/台) 改造或重大维修 过程监督检验 (元/台) 停炉内外部 宏观检验 (元/台) 锅炉辅机及 管道附件 宏观检验 (元/台) 强 度 校 核 (元/项) 常规监检 全过程监检 小型蒸汽锅炉 按锅炉出厂价的0.8% 按锅炉出厂价的0.7% / 按改造费或 重大维修费 (含主材) 的3% 1×L 10 30 D≤0.5 按锅炉出厂价的0.7% 按锅炉出厂价的0.5% / 160 40 50 0.5≤2 按锅炉出厂价的0.7% 按锅炉出厂价的0.4% / 250 80 70 2≤4 按锅炉出厂价的0.5% 按锅炉出厂价的0.4% 按锅炉出厂价的1% 350 80 70 4≤10 按锅炉出厂价的0.4% 按锅炉出厂价的0.3% 按锅炉出厂价的1% 550 170 100 10≤35 按锅炉出厂价的0.3% 按锅炉出厂价的0.3% 按锅炉出厂价的0.9% 60×D 300 200 35≤130 按锅炉出厂价的0.3% / 按锅炉出厂价的0.8% 80×D 300+4× (D-35) 700 D>130 按锅炉出厂价的0.3% / 按锅炉出厂价的0.75% 0.3Q 1000 备 注 1、表中 D 为锅炉额定蒸发量,单位为 t/h;L 为锅炉水容量,单位为 l;Q为额定发电功率,单位为 KW/h。 2、热水锅炉、有机热载体炉、常压锅炉按0.7MW(60×104kcal/h)折算为 1t/h;余热锅炉受热面积 30m2折算为 1t/h。 3、制造过程监督检验费中锅炉出厂价系指包括锅炉本体(包括燃烧设备、烟道和风道、自控仪表)及钢架、平台、扶梯在内的设备出厂价,安装过程监督检验中锅炉出厂价还包括炉墙、保温、锅炉辅机及管道附件的出厂价。 4、装过程常规监检系指只参加水压试验和总体验收的检验,全过程监检系指检验员常驻安装工地对安装的全过程进行监督的检验。 5、锅炉元(部)件制造过程监督检验费为出厂价的0.7%。 6、锅炉辅机及管道附件是指与安全有关的给水设备,水处理设备,锅炉范围内汽水管道及阀门、法兰等。锅炉分汽缸按相应压力容器的标准收费。 7、除制造、安装过程监督检验外,额定蒸汽压力 P≥2.5MPa、P≥3.8MPa、P≥9.8MPa 的锅炉表列项检验费分别按表列标准的 1.5倍、1.8 倍和 2.2 倍收取;非定型设计的余热锅炉、垃圾锅炉分别按收表列标准加收30%、50%。 8、锅炉制造过程监督检验费、停炉内外部宏观检验费最低为 50 元/台,其中小型蒸汽锅炉最低为 8 元/台;D≤130 锅炉安装过程常规检验和改造或重大维修过程监督检验费最低为停...

1、当您付费下载文档后,您只拥有了使用权限,并不意味着购买了版权,文档只能用于自身使用,不得用于其他商业用途(如 [转卖]进行直接盈利或[编辑后售卖]进行间接盈利)。
2、本站所有内容均由合作方或网友上传,本站不对文档的完整性、权威性及其观点立场正确性做任何保证或承诺!文档内容仅供研究参考,付费前请自行鉴别。
3、如文档内容存在违规,或者侵犯商业秘密、侵犯著作权等,请点击“违规举报”。

碎片内容

浙江省特种设备检验收费标准

您可能关注的文档

小辰4+ 关注
实名认证
内容提供者

出售各种资料和文档

确认删除?
VIP
微信客服
  • 扫码咨询
会员Q群
  • 会员专属群点击这里加入QQ群
客服邮箱
回到顶部