电脑桌面
添加小米粒文库到电脑桌面
安装后可以在桌面快捷访问

第十六章产品储运VIP免费

第十六章产品储运_第1页
1/7
第十六章产品储运_第2页
2/7
第十六章产品储运_第3页
3/7
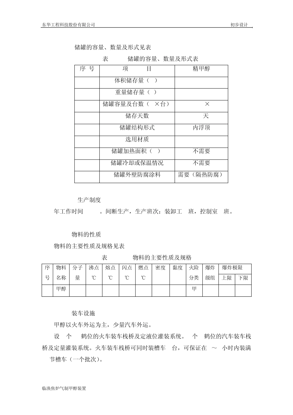
东华工程科技股份有限公司 初步设计 临涣焦炉气制甲醇装置 16-1 第十六章 产品储存及运输 16.1 设计任务及采用的标准、规范 16.1.1 设计任务: (1) 接受中间罐区送来的成品甲醇并储存在甲醇储罐中。 (2) 将甲醇储罐中的甲醇装汽车槽车外运。 (3) 将甲醇储罐中的甲醇装火车槽车外运。 16.1.2 设计采用的标准、规范 《石油化工企业设计防火规范》 GB50160-92(1999年修订版) 《化工工厂初步设计文件内容深度规定》 HG/T20688-2000 《石油化工液体物料铁路装卸车设施设计规范》 SH/T3107-2000 《石油化工防火堤设计规范》 SH 3125-2001 《石油化工储运系统罐区设计规范》 SH 3007-1999 《钢制立式圆筒形内浮顶储罐系列》 HG 21502.2-92 16.2 设计范围及分工 16.2.1 设计范围 (1) 2台 10000m3的甲醇储罐设计; (2) 甲醇火车装车泵、甲醇汽车装车泵; (3) 甲醇汽车装车栈台设计及定量灌装系统; (4) 甲醇火车装车栈桥设计及定液位灌装系统; 16.2.2 设计分工 (1) 负责甲醇罐区、汽车装车栈台、火车装车栈桥的管道设计; 16.3 概述 16.3.1 概况 东华工程科技股份有限公司 初步设计 临涣焦炉气制甲醇装置 16-2 设计 2台 10000m3的甲醇内浮顶储罐;总储存量 20000 m3(15900t)。 设计 1个 4鹤位的汽车装车栈台及定量灌装系统。 设计 1个 24鹤位的火车装车栈桥及 24套火车定液位灌装系统。 16.3.2 罐区的分区布置原则及布置情况 罐区的生产类别为甲类,防爆等级 2级。设 2台 10000m3的甲醇内浮顶储罐,按规范设计了 1.4米高的的防火堤。防火堤外布置了值班室、甲醇火车装车泵和甲醇汽车装车泵。汽车装车站台也设置在罐区附近。 根据《石油化工企业设计防火规范》(GB50160-92)规定,甲 B类液体储罐应选用内浮顶储罐。内浮顶储罐在甲醇的液面上漂浮了一个铝制的、带有橡胶密封带的活动浮盘。铝浮盘将甲醇与大气隔开,使甲醇的蒸汽很难挥发到空气中去。杜绝了固定顶储罐的大、小呼吸损失。提高了储罐运行的经济效益,极大地减轻了甲醇对大气的污染。 本设计选用内浮顶储罐作为甲醇的储罐有着不可比拟的优点。同时在储罐外涂具有防腐、遮热功能的新型涂料,保证储罐外壁温度低于最热时大气温度6~10℃。甲醇挥发损失减少95%以上。 16.3.3 物料储存温度、压力见表16-1 表 16-1 物料储存温度、压力表 物料名称 储存温度(℃) 储存压力(MPa) 甲醇...

1、当您付费下载文档后,您只拥有了使用权限,并不意味着购买了版权,文档只能用于自身使用,不得用于其他商业用途(如 [转卖]进行直接盈利或[编辑后售卖]进行间接盈利)。
2、本站所有内容均由合作方或网友上传,本站不对文档的完整性、权威性及其观点立场正确性做任何保证或承诺!文档内容仅供研究参考,付费前请自行鉴别。
3、如文档内容存在违规,或者侵犯商业秘密、侵犯著作权等,请点击“违规举报”。

碎片内容

第十六章产品储运

确认删除?
VIP
微信客服
  • 扫码咨询
会员Q群
  • 会员专属群点击这里加入QQ群
客服邮箱
回到顶部