电脑桌面
添加小米粒文库到电脑桌面
安装后可以在桌面快捷访问

完整版钢筋机械连接技术交底VIP专享VIP免费

完整版钢筋机械连接技术交底_第1页
1/4
完整版钢筋机械连接技术交底_第2页
2/4
完整版钢筋机械连接技术交底_第3页
3/4
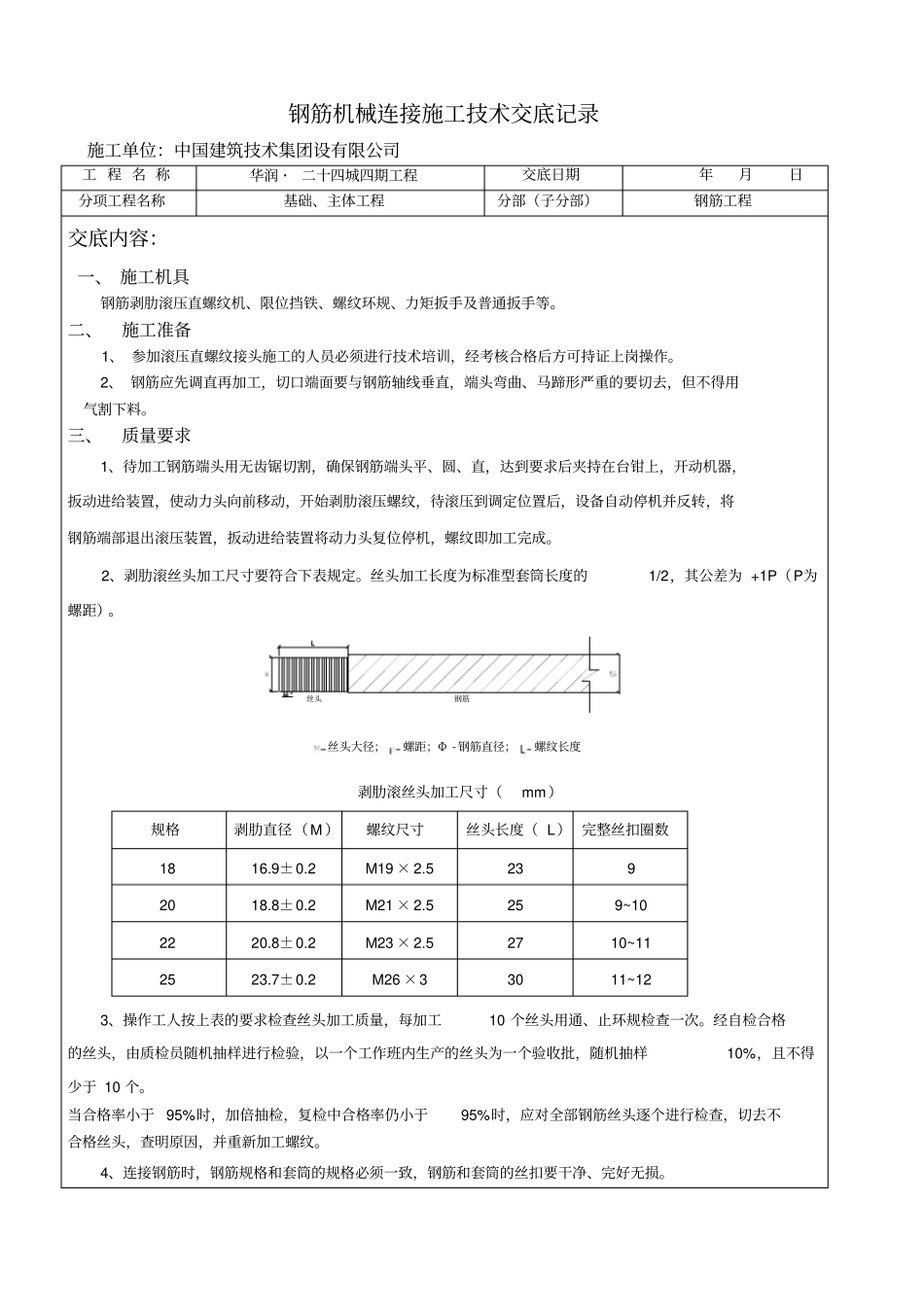
钢筋机械连接施工技术交底记录施工单位:中国建筑技术集团设有限公司工 程 名 称华润 ·二十四城四期工程交底日期年月日分项工程名称基础、主体工程分部(子分部)钢筋工程交底内容:一、 施工机具钢筋剥肋滚压直螺纹机、限位挡铁、螺纹环规、力矩扳手及普通扳手等。二、施工准备1、 参加滚压直螺纹接头施工的人员必须进行技术培训,经考核合格后方可持证上岗操作。2、 钢筋应先调直再加工,切口端面要与钢筋轴线垂直,端头弯曲、马蹄形严重的要切去,但不得用气割下料。三、质量要求1、待加工钢筋端头用无齿锯切割,确保钢筋端头平、圆、直,达到要求后夹持在台钳上,开动机器,扳动进给装置,使动力头向前移动,开始剥肋滚压螺纹,待滚压到调定位置后,设备自动停机并反转,将钢筋端部退出滚压装置,扳动进给装置将动力头复位停机,螺纹即加工完成。2、剥肋滚丝头加工尺寸要符合下表规定。丝头加工长度为标准型套筒长度的1/2,其公差为 +1P(P为螺距)。丝头大径;螺距;Φ - 钢筋直径;螺纹长度钢筋丝头剥肋滚丝头加工尺寸(mm)规格剥肋直径(M )螺纹尺寸丝头长度( L) 完整丝扣圈数18 16.9±0.2 M19 × 2.5 23 9 20 18.8±0.2 M21 × 2.5 25 9~10 22 20.8±0.2 M23 × 2.5 27 10~11 25 23.7±0.2 M26 ×3 30 11~12 3、操作工人按上表的要求检查丝头加工质量,每加工10 个丝头用通、止环规检查一次。经自检合格的丝头,由质检员随机抽样进行检验,以一个工作班内生产的丝头为一个验收批,随机抽样10%,且不得少于 10 个。当合格率小于 95%时,加倍抽检,复检中合格率仍小于95%时,应对全部钢筋丝头逐个进行检查,切去不合格丝头,查明原因,并重新加工螺纹。4、连接钢筋时,钢筋规格和套筒的规格必须一致,钢筋和套筒的丝扣要干净、完好无损。5、采用预埋接头时,连接套筒的位置、规格和数量要符合设计要求。带连接套筒的钢筋要固定牢靠,连接套筒的外露端要有保护盖。6、滚压直螺纹接头要使用扭力扳手或管钳进行施工,将两个钢筋丝头在套筒中间位置相互顶紧。7、经拧紧后的滚压直螺纹接头要做出标记,单边外露丝扣长度不超过1.5P。8、根据待接钢筋所在部位及转动难易情况,选用不同的套筒类型,采取不同的安装方法。四、 施工工艺1、工艺流程:预接:钢筋端面平头→剥肋滚压螺纹→丝头质量检验→利用套简连接→接头检验;现场连接:钢筋就位→拧下钢筋保护帽和套筒保护帽(塑料帽)→接头拧紧...

1、当您付费下载文档后,您只拥有了使用权限,并不意味着购买了版权,文档只能用于自身使用,不得用于其他商业用途(如 [转卖]进行直接盈利或[编辑后售卖]进行间接盈利)。
2、本站所有内容均由合作方或网友上传,本站不对文档的完整性、权威性及其观点立场正确性做任何保证或承诺!文档内容仅供研究参考,付费前请自行鉴别。
3、如文档内容存在违规,或者侵犯商业秘密、侵犯著作权等,请点击“违规举报”。

碎片内容

完整版钢筋机械连接技术交底

确认删除?
VIP
微信客服
  • 扫码咨询
会员Q群
  • 会员专属群点击这里加入QQ群
客服邮箱
回到顶部