电脑桌面
添加小米粒文库到电脑桌面
安装后可以在桌面快捷访问

室内地面做法技术交底022VIP免费

室内地面做法技术交底022_第1页
1/5
室内地面做法技术交底022_第2页
2/5
室内地面做法技术交底022_第3页
3/5
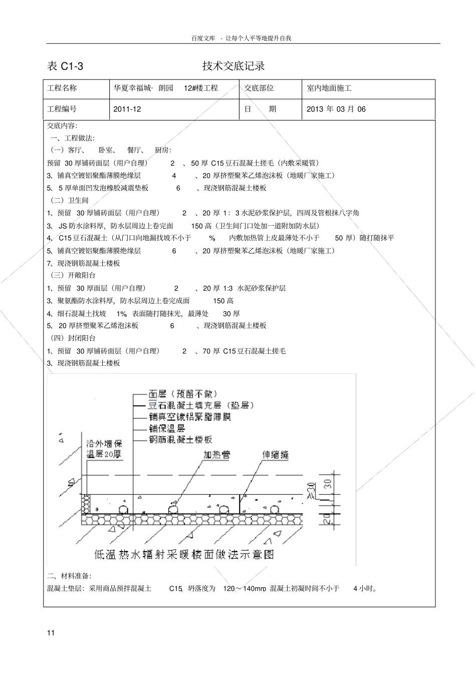
百度文库- 让每个人平等地提升自我11 表 C1-3 技术交底记录工程名称华夏幸福城· 朗园12#楼工程交底部位室内地面施工工程编号2011-12 日期2013 年 03 月 06 交底内容:一、工程做法:(一)客厅、卧室、餐厅、厨房:预留 30 厚铺砖面层(用户自理) 2、 50 厚 C15 豆石混凝土搓毛(内敷采暖管)3、铺真空镀铝聚酯薄膜绝缘层 4、20 厚挤塑聚苯乙烯泡沫板(地暖厂家施工)5、 5 厚单面凹发泡橡胶减震垫板 6、现浇钢筋混凝土楼板(二)卫生间1、预留 30 厚铺砖面层(用户自理) 2、20 厚 1:3 水泥砂浆保护层,四周及管根抹八字角3、 JS 防水涂料厚,防水层周边上卷完面150 高(卫生间门口处加一道附加防水层)4、 C15 豆石混凝土(从门口向地漏找坡不小于%,内敷加热管上皮最薄处不小于50 厚)随打随抹平5、铺真空镀铝聚酯薄膜绝缘层 6、20 厚挤塑聚苯乙烯泡沫板(地暖厂家施工)7、现浇钢筋混凝土楼板(三)开敞阳台1、预留 30 厚面层(用户自理) 2、20 厚 1:3 水泥砂浆保护层3、聚氨酯防水涂料厚,防水层周边上卷完成面150 高4、细石混凝土找坡1%,表面随打随抹光,最薄处30 厚5、 20 厚挤塑聚苯乙烯泡沫板 6、现浇钢筋混凝土楼板(四)封闭阳台1、预留 30 厚铺砖面层(用户自理) 2、70 厚 C15 豆石混凝土搓毛3、现浇钢筋混凝土楼板二、材料准备:混凝土垫层:采用商品预拌混凝土C15,坍落度为120~140mm,混凝土初凝时间不小于4 小时。百度文库- 让每个人平等地提升自我22 技术负责人:交底人:接交人:表 C1-3 技术交底记录工程名称华夏幸福城· 朗园12#楼工程交底部位室内地面施工工程编号2011-12 日期2013 年 03 月 06 交底内容:楼面面积超过30 ㎡或长度超过6m 时,每格≤ 6m 留设≥ 5mm宽伸缩缝,所有门口处、垭口处均需留设伸缩缝,伸缩缝采用20mm深、 5mm宽塑料米条镶嵌。三、主要机具混凝土垫层的施工工具:30kg 重铁滚筒、小推车、专用检测工具、小线、钢尺、铝合金杠尺、方尺、水平尺、木抹子、铁抹子、大平锹、小平锹、喷壶、水桶、扫帚、堑子、锤子、分隔条等工具。四、作业条件、楼地面施工部位的主体结构均已通过设计单位、建设单位、监理单位、施工单位四方验收,并履行签字手续。且已弹好建筑1000mm水平线。、楼地面施工前,必须将顶板混凝土表面所粘结的砂浆、松散混凝土进行剔除,且清理干净。、设计图纸及其他技术文件齐全。、经批准的施工方案或...

1、当您付费下载文档后,您只拥有了使用权限,并不意味着购买了版权,文档只能用于自身使用,不得用于其他商业用途(如 [转卖]进行直接盈利或[编辑后售卖]进行间接盈利)。
2、本站所有内容均由合作方或网友上传,本站不对文档的完整性、权威性及其观点立场正确性做任何保证或承诺!文档内容仅供研究参考,付费前请自行鉴别。
3、如文档内容存在违规,或者侵犯商业秘密、侵犯著作权等,请点击“违规举报”。

碎片内容

室内地面做法技术交底022

爱的疯狂+ 关注
实名认证
内容提供者

该用户很懒,什么也没介绍

确认删除?
VIP
微信客服
  • 扫码咨询
会员Q群
  • 会员专属群点击这里加入QQ群
客服邮箱
回到顶部