电脑桌面
添加小米粒文库到电脑桌面
安装后可以在桌面快捷访问

室内给水系统资料VIP免费

室内给水系统资料_第1页
1/13
室内给水系统资料_第2页
2/13
室内给水系统资料_第3页
3/13
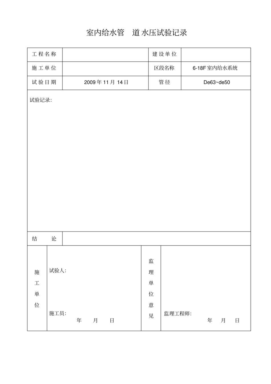
室内给水管道水压试验记录工 程 名 称建 设 单 位施 工 单 位管道系统或区段管 道 规 格PP-R 塑 料 管保 压 时 间2 小时工 作 压 力0.8MPa 允 许 压 力 降0.05(0.03)Mpa 试 验 压 力1.0MPa 实 际 压 力 降0.03(0.01) Mpa 生活给水管道系统进行管道水压试验,加压到1.0Mpa,保压 2 小时,压力降是 0.03Mpa,在工作压力的 1. 5 倍状态下稳压 2 小时,压力降是 0.01Mpa,降压到工作压力 0.8Mpa,检查管道及接口没发现渗漏现象。结论检查管道及接口没发现渗漏现象,符合 设 计 要 求 及 验 收 规 范GB50242-2002的 规 定要 求施工单位试验人:施工员:2009 年 11 月日监理单位意见监理工程师:2009 年月日室内给水管道水压试验记录工 程 名 称建 设 单 位施 工 单 位管道系统或区段1-5 层管 道 规 格PP-R 塑 料 管保 压 时 间2 小时工 作 压 力0.4MPa 允 许 压 力 降0.05(0.03)Mpa 试 验 压 力0.6MPa 实 际 压 力 降0.03(0.01) Mpa 生活给水管道系统进行管道水压试验,加压到0.6Mpa,保压 2 小时,压力降是 0.03Mpa,在工作压力的 1. 5 倍状态下稳压 2 小时,压力降是 0.02Mpa,降压到工作压力 0.4Mpa,检查管道及接口没发现渗漏现象。结论检查管道及接口没发现渗漏现象,符合 设 计 要 求 及 验 收 规 范GB50242-2002的 规 定要 求施工单位试验人:施工员:2009 年 11 月日监理单位意见监理工程师:2009 年月日室内给水管道 水压试验记录工 程 名 称建 设 单 位施 工 单 位区段名称6-18F 室内给水系统试 验 日 期2009 年 11 月 14 日管 径De63~de50 试验记录:结论施工单位试验人:施工员:年月日监理单位意见监理工程师:年月日室内给水管道通水试验记录工 程 名 称建 设 单 位施 工 单 位区段名称室内给水系统试 验 日 期2009 年 9 月 26 日试验记录:室 内 给 水 管 道 及 配 件 安 装 完 毕 后 ,进 行 通水 试 验 。将 给 水 系 统 所有 的 给 水 阀 门 及 各 给 水 点 打 开 , 检 查 各 给 水 点 的 水 流 畅 通 无 阻 塞 现象 , 各 连 接 点 无 渗 漏 现 象 。结论施工单位试验人:施工员:2009 年 9 月 26 日监理单位意见监理工程师:2009 年 9 月 26 日室内给水管道冲洗试验记录工 ...

1、当您付费下载文档后,您只拥有了使用权限,并不意味着购买了版权,文档只能用于自身使用,不得用于其他商业用途(如 [转卖]进行直接盈利或[编辑后售卖]进行间接盈利)。
2、本站所有内容均由合作方或网友上传,本站不对文档的完整性、权威性及其观点立场正确性做任何保证或承诺!文档内容仅供研究参考,付费前请自行鉴别。
3、如文档内容存在违规,或者侵犯商业秘密、侵犯著作权等,请点击“违规举报”。

碎片内容

室内给水系统资料

爱的疯狂+ 关注
实名认证
内容提供者

该用户很懒,什么也没介绍

确认删除?
VIP
微信客服
  • 扫码咨询
会员Q群
  • 会员专属群点击这里加入QQ群
客服邮箱
回到顶部