电脑桌面
添加小米粒文库到电脑桌面
安装后可以在桌面快捷访问

02需求评审流程VIP专享VIP免费

02需求评审流程_第1页
1/11
02需求评审流程_第2页
2/11
02需求评审流程_第3页
3/11
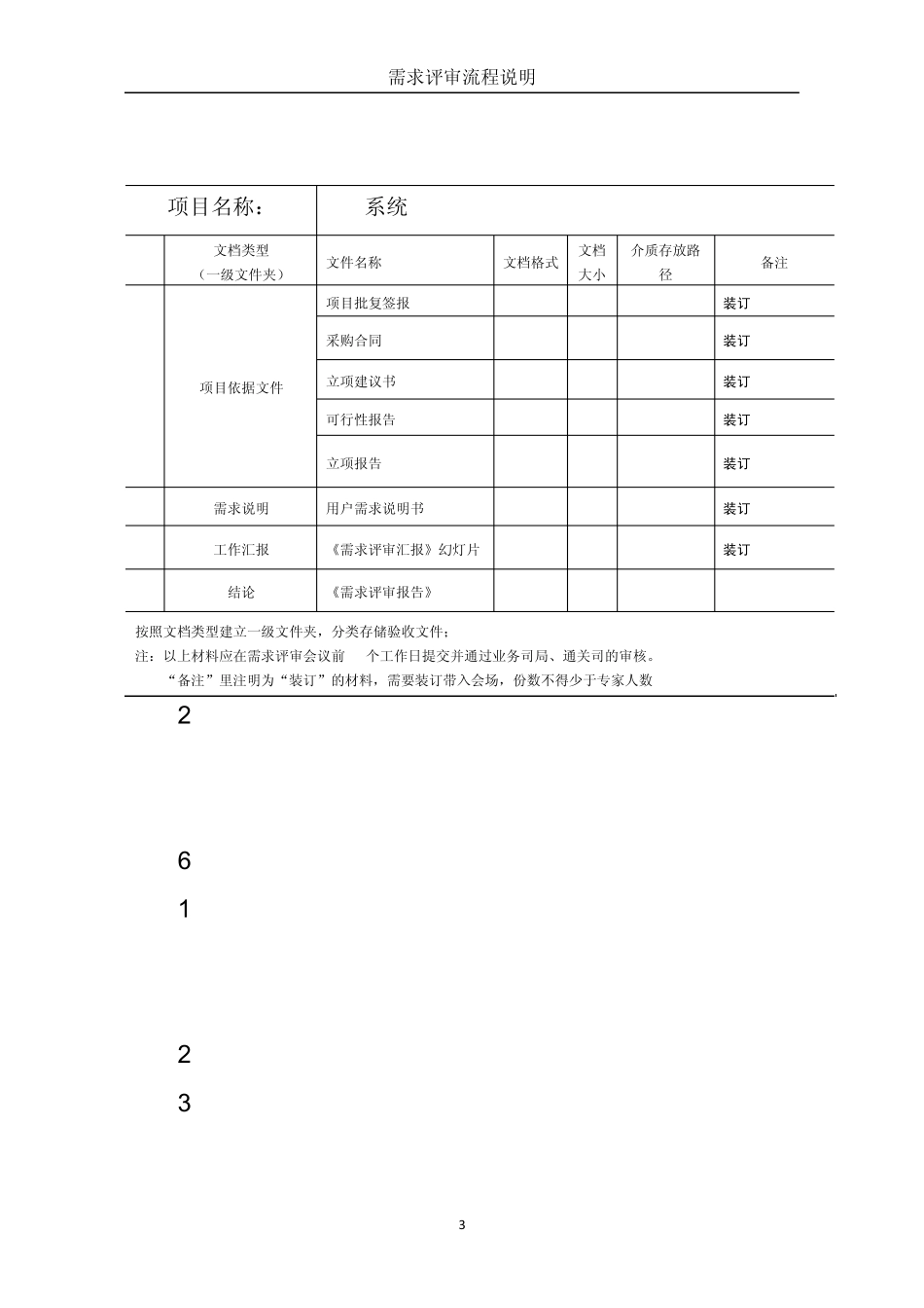
需求评审流程说明 1 检验检疫业务信息化工作管理作业指导书 (需求评审流程说明) 为规范检验检疫业务信息化工作,根据有关法律法规及总局有关管理规定,结合信息化工作实际,制定本流程说明。 本流程适用于对已立项的检验检疫业务信息化项目,项目单位组织编写的检验检疫业务信息化项目用户需求已完成,组织进行需求评审工作。 1、申请需求评审 由项目单位向通关司递交项目需求评审申请; 2、递交需求评审材料电子文档 需求评审申请经通关司同意后,在评审会议前规定时间内(合同无要求的按10天计算),项目单位向通关司递交评审材料电子文档,包含《用户需求说明书》、《需求评审汇报》幻灯片、《需求评审报告》(草拟)、项目批复签报、立项建议书、可行性报告、立项报告。通关司审核不通过,退回修改后重新递交。 3、审核需求评审材料电子文档 检查方法:以项目批复签报以及采购合同作为依据检查。 检查实质内容: 1)核实项目单位提供的项目批复签报、采购合同、立项需求评审流程说明 2 建议书、可行性报告、立项报告等文件的真实性。 2)项目名称应与签报名称一致。 3)《用户需求说明书》建议采用《中国电子检验检疫业务信息化建设用户需求说明书》模板,将各项内容填写完整。应包含项目批复签报、立项建议书、采购合同里需要实现的功能。 4)《需求评审汇报》幻灯片里需要介绍项目背景和建设内容、功能概要、操作环境、技术参数、外部接口、功能和性能需求、开发工具、项目交付成果、免费维护内容等。 幻灯片要求图文并茂,可借助动画展示效果。 5)《需求评审报告》需要草拟,使用《国家质检总局检验检疫业务信息化系统需求评审报告》模板,除“评审人员组成”和“评审日期”外,将各项内容填写完整。 6)检查所有文件编写日期是否符合逻辑 7)对于合同里有免费维护期的项目,在《用户需求说明书》里写明维护内容。 4、准备需求评审会议资料 1)需求评审材料电子文档由通关司审核通过后,由项目单位装订成册,需要装订的文档见《需求评审会议材料清单》,份数根据会议参加人数而定。多文档打印装订成一册时,为便于查找需使用隔页签将各文档隔开,内容应与需求评审材料电子文档一致。 需求评审流程说明 3 需求评审会议材料清单 项目名称: XXX系统 文档类型 (一级文件夹) 文件名称 文档格式 文档大小 介质存放路径 备注 1 项目依据文件 项目批复签报 装订 采购合同 装订 立项建议书 装订 ...

1、当您付费下载文档后,您只拥有了使用权限,并不意味着购买了版权,文档只能用于自身使用,不得用于其他商业用途(如 [转卖]进行直接盈利或[编辑后售卖]进行间接盈利)。
2、本站所有内容均由合作方或网友上传,本站不对文档的完整性、权威性及其观点立场正确性做任何保证或承诺!文档内容仅供研究参考,付费前请自行鉴别。
3、如文档内容存在违规,或者侵犯商业秘密、侵犯著作权等,请点击“违规举报”。

碎片内容

02需求评审流程

确认删除?
VIP
微信客服
  • 扫码咨询
会员Q群
  • 会员专属群点击这里加入QQ群
客服邮箱
回到顶部