电脑桌面
添加小米粒文库到电脑桌面
安装后可以在桌面快捷访问

03双效浓缩器说明书VIP免费

03双效浓缩器说明书_第1页
1/9
03双效浓缩器说明书_第2页
2/9
03双效浓缩器说明书_第3页
3/9
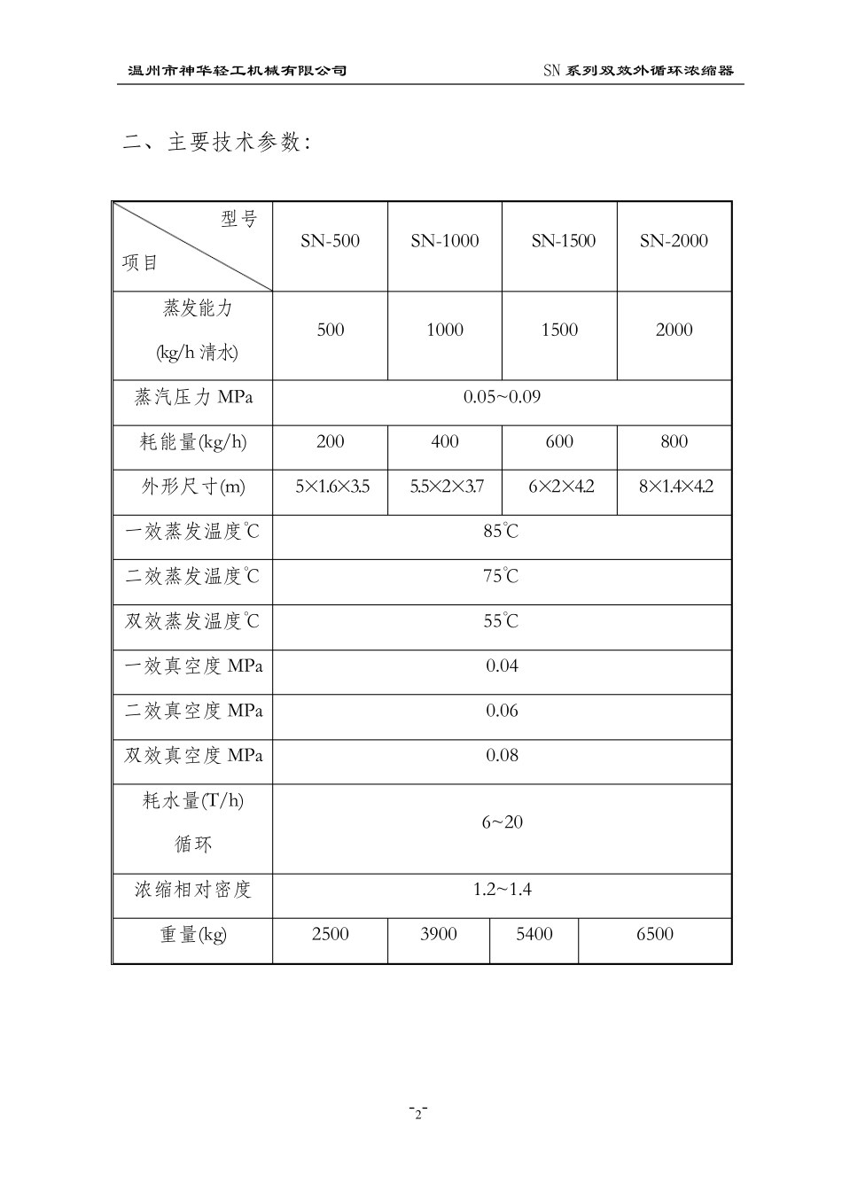
温州市神华轻工机械有限公司 SN 系列双效外循环浓缩器说明书 目 录 一、简介: ....................................................................................................... 1 二、主要技术参数: ....................................................................................... 2 三、工艺流程图 ............................................................................................... 3 四、操作规程: ............................................................................................... 3 五、设备清洗: ............................................................................................... 4 六、操作中注意事项: ................................................................................... 5 七、合格证 ....................................................................................................... 7 八、压 力 试 验 检 验 报 告 .......................................................................... 8 温州市神华轻工机械有限公司 SN 系列双效外循环浓缩器 -1- SN 系 列 双 效 外 循 环 浓 缩 器 说 明 书 一 、 简 介 : 双 效 外 循 环 真 空 浓 缩 器 是 由 加 热 器 、 蒸 发 室 、 冷 凝 器 、 受 液 槽等 设 备 组 成 , 是 在 我 公 司 多 年 的 制 造 实 践 经 验 基 础 上 , 经 过 精 心 设计 、 精 心 制 造 的 新 一 代 高 效 节 能 浓 缩 器 。 适 用 于 中 西 药 轻 化 工 等 行业 的 液 体 蒸 发 浓 缩 和 收 膏 的 工 艺 需 要 , 本 设 备 有 如 下 特 点 : 1、 节 能 : 采 用 双 效 同 时 蒸 发 , 二 次 蒸 汽 得 到 反 复 利 用 , 节 能 效 果显 著 。 每 蒸 发 1kg 水 耗 用 蒸 汽 0.5kg。 2、 本 设 备 采 用 在 真 空 状 态 下 外 加 热 自 然 循 环 。 具 有 结 构 先 进 蒸 发温 度 低 、 蒸 发 能 力 大 、 浓 缩 速 度 快 、 消 泡 效 果 好 的 特 点 , 能 满足 热 敏 性 物料的 低 温 真 空 浓 ...

1、当您付费下载文档后,您只拥有了使用权限,并不意味着购买了版权,文档只能用于自身使用,不得用于其他商业用途(如 [转卖]进行直接盈利或[编辑后售卖]进行间接盈利)。
2、本站所有内容均由合作方或网友上传,本站不对文档的完整性、权威性及其观点立场正确性做任何保证或承诺!文档内容仅供研究参考,付费前请自行鉴别。
3、如文档内容存在违规,或者侵犯商业秘密、侵犯著作权等,请点击“违规举报”。

碎片内容

03双效浓缩器说明书

您可能关注的文档

确认删除?
VIP
微信客服
  • 扫码咨询
会员Q群
  • 会员专属群点击这里加入QQ群
客服邮箱
回到顶部