电脑桌面
添加小米粒文库到电脑桌面
安装后可以在桌面快捷访问

10kV高压电缆头制作技术总结VIP免费

10kV高压电缆头制作技术总结_第1页
1/8
10kV高压电缆头制作技术总结_第2页
2/8
10kV高压电缆头制作技术总结_第3页
3/8
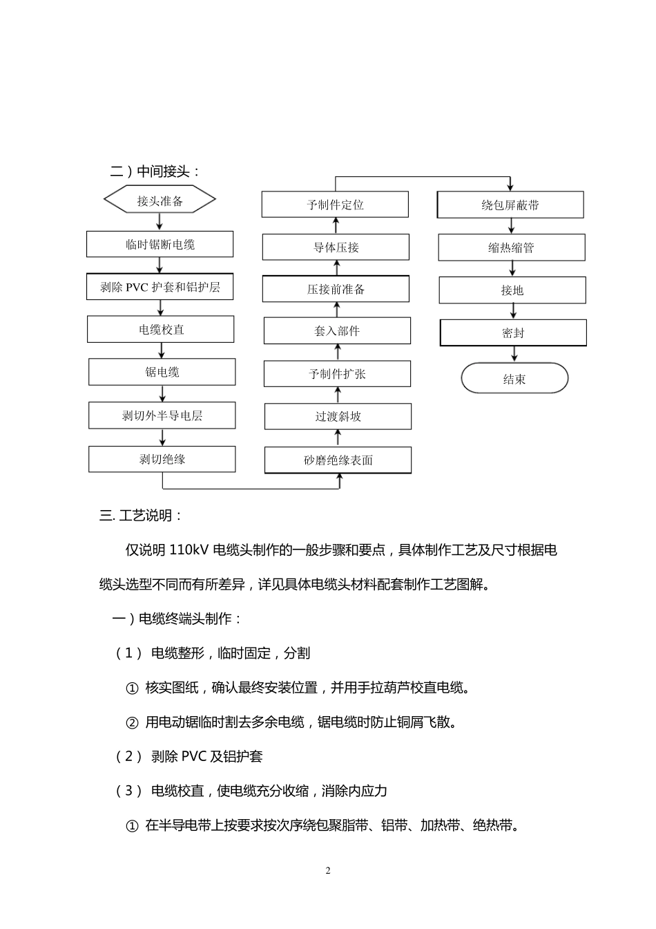
1 110kV 电 缆 头 制 作 一 . 作 业 条 件 、 要 求 : ⑴.电缆头制作 时,应由经过培训的熟悉工艺的人员进行,严格遵守制作 工艺规程。电缆头材料型式、 规格应与电缆类型相匹配。 ⑵.不能在雨天或过分潮湿的天气工作 。 ⑶.整个作 业 过程应在清洁的环境下进行,应使用帆布或塑料编织布围设出一 个封闭空间。 二. 施工工艺流程 一 )终端头: 测量 临时锯断电缆 剥除PV C 护套和铝护层 电缆校直 锯电缆 剥切外半导电层 剥切绝缘 砂磨绝缘表面 压接出线杆 涂半导体漆 绕包ACP 带 绕包屏蔽带 清洁应力锥 清洁电缆绝缘 套应力锥 清洁应力锥 安装环氧套管 安装出线杆锁紧螺母 安装上部金具 安装压紧弹簧 安装尾管 密封尾管 固定终端 固定电缆 接地 结束 2 二 ) 中 间 接 头 : 三 . 工 艺 说 明 : 仅 说 明110kV 电 缆 头 制 作 的 一 般 步 骤 和 要 点 , 具 体 制 作 工 艺 及 尺 寸 根 据 电缆 头 选 型 不 同 而 有 所 差 异 , 详 见 具 体 电 缆 头 材 料 配 套 制 作 工 艺 图 解 。 一 ) 电 缆 终 端 头 制 作 : ( 1) 电 缆 整 形 , 临 时 固 定 , 分 割 ① 核实图 纸, 确认最终 安装位置, 并用手拉葫芦校直电 缆 。 ② 用电 动锯临 时 割 去多余电 缆 , 锯电 缆 时 防止铜屑飞散。 ( 2) 剥除 PVC 及 铝护套 ( 3) 电 缆 校直, 使电 缆 充分 收缩, 消除内应力 ① 在半导电 带上按要 求按次序绕包聚脂带、铝带、加热带、绝热带。 接头准备 临时锯断电缆 剥除 PV C 护套和铝护层 电缆校直 锯电缆 剥切外半导电层 剥切绝缘 砂磨绝缘表面 过渡斜坡 予制件扩张 套入部件 压接前准备 导体压接 予制件定位 绕包屏蔽带 缩热缩管 接地 密封 结束 3 ② 置 于 预 定 位 置 进 行 加 热 至 80℃,保温 3 小时。 ③ 加 热 完毕,清除各层绕包层,仅留下具脂带,用角铝夹紧,自然冷却至40℃以下,除去角铝。 (4) 在最终位 置 锯断电缆,锯面应垂直。 (5) 剥切外导电层 ① 按图纸所示尺寸剥切,并用 PVC 带作好标记。剥切过程中应使用绳索固定 电缆并注意保护电缆。 ② 平滑旋转剥切刀,剥除标记以上的半导电层。不能剥到标记以外。 ③ 剥切至 少进 行 两次...

1、当您付费下载文档后,您只拥有了使用权限,并不意味着购买了版权,文档只能用于自身使用,不得用于其他商业用途(如 [转卖]进行直接盈利或[编辑后售卖]进行间接盈利)。
2、本站所有内容均由合作方或网友上传,本站不对文档的完整性、权威性及其观点立场正确性做任何保证或承诺!文档内容仅供研究参考,付费前请自行鉴别。
3、如文档内容存在违规,或者侵犯商业秘密、侵犯著作权等,请点击“违规举报”。

碎片内容

10kV高压电缆头制作技术总结

您可能关注的文档

确认删除?
VIP
微信客服
  • 扫码咨询
会员Q群
  • 会员专属群点击这里加入QQ群
客服邮箱
回到顶部