电脑桌面
添加小米粒文库到电脑桌面
安装后可以在桌面快捷访问

110kV1000kV变电(换流)站土建工程施工质量验收及评定规程第三部分VIP免费

110kV1000kV变电(换流)站土建工程施工质量验收及评定规程第三部分_第1页
1/45
110kV1000kV变电(换流)站土建工程施工质量验收及评定规程第三部分_第2页
2/45
110kV1000kV变电(换流)站土建工程施工质量验收及评定规程第三部分_第3页
3/45
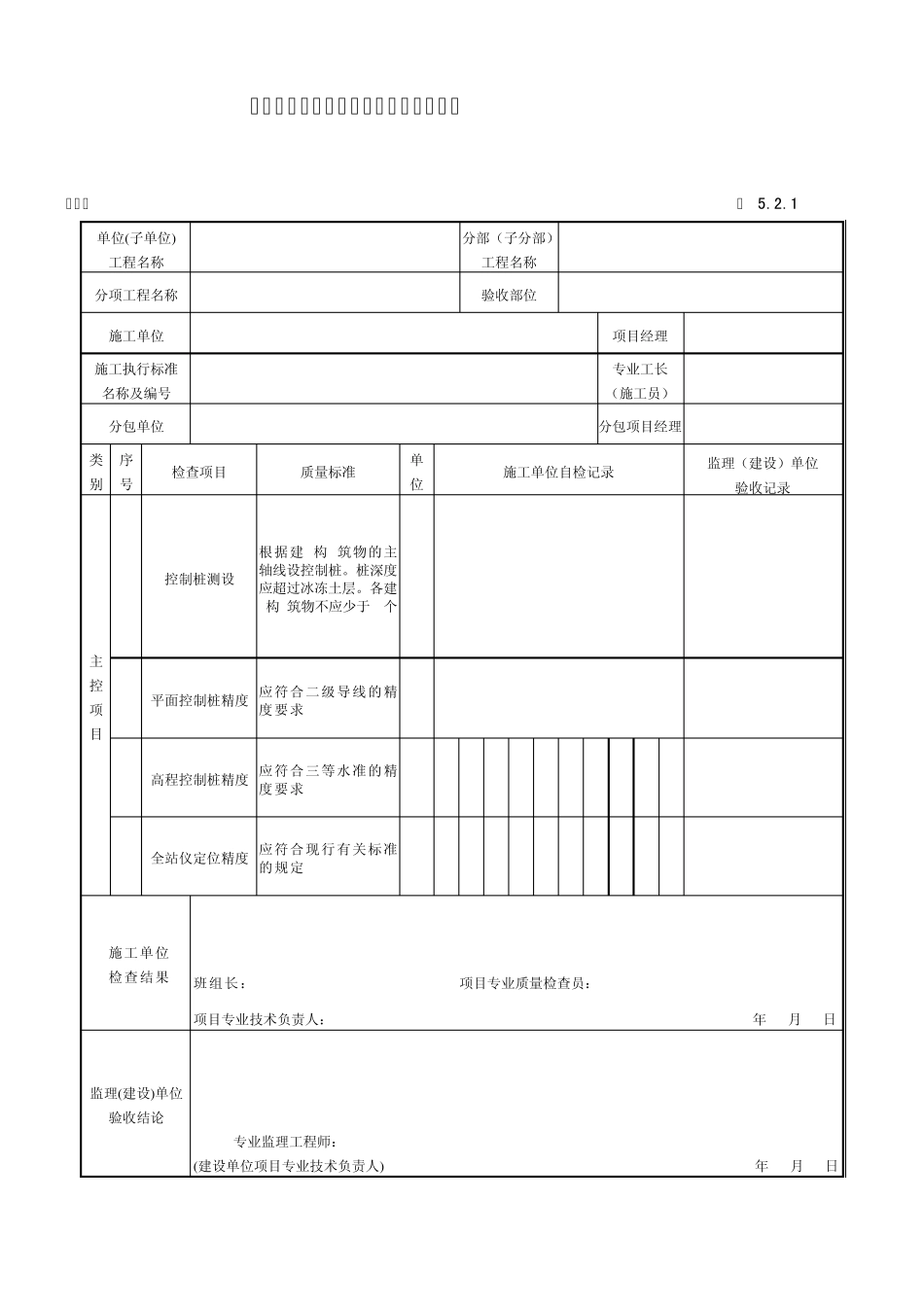
5.通用建筑工程检验批验收记录 5.2 单位工程定位放线 单位工程定位放线检验批质量验收记录 编号: 表 5.2.1 单位(子单位) 工程名称 分部(子分部)工程名称 分项工程名称 验收部位 施工单位 项目经理 施工执行标准 名称及编号 专业工长 (施工员) 分包单位 分包项目经理 类别 序号 检查项目 质量标准 单 位 施工单位自检记录 监理(建设)单位 验收记录 主控项目 1 控制桩测设 根据建(构)筑物的主轴线设控制桩。桩深度应超过冰冻土层。各建(构)筑物不应少于 4个 2 平面控制桩精度 应符合二级导线的精度要求 3 高程控制桩精度 应符合三等水准的精度要求 4 全站仪定位精度 应符合现行有关标准的规定 施工单位 检查结果 班组长: 项目专业质量检查员: 项目专业技术负责人: 年 月 日 监理(建设)单位验收结论 专业监理工程师: (建设单位项目专业技术负责人) 年 月 日 5.3 土石方与基坑工程 土方开挖工程检验批质量验收记录 编号: 表 5.3.1 单位(子单位) 工程名称 分部(子分部)工程名称 分项工程名称 验收部位 施工单位 项目经理 施工执行标准 名称及编号 专业工长 (施工员) 分包单位 分包项目经理 类别 序号 检查项目 质量标准 单 位 施工单位自检记录 监理(建设)单位 验收记录 主控项目 1 基底土性 应符合设计要求 2 边坡、表面坡度 应符合设计要求和现行有关标准的规定。表面坡度设计无要求时,应向排水沟方向做不小于2‰的坡度。 3 标高偏差 柱基、基坑、基槽 0~-50 m m 挖方场地平整 人工 +10~-30 机械 ±50 管沟 0~-50 地(路)面基层 0~-20 4 长度、宽度(由设计中 心线 向两边量) 偏差 柱基、基坑、基槽 +20~0 m m 挖方场地平整 人工 +20~0 机械 +50~0 管沟 +50~0 一般项目 1 表 面 平 整 度 柱基、基坑、基槽 ≤20 m m 挖方场地平整 人工 ≤20 机械 ≤50 管沟 ≤20 地(路)面基层注) ≤20 施工单位 检查结果 班组长: 项目专业质量检查员: 项目专业技术负责人: 年 月 日 监理(建设)单位验收结论 专业监理工程师: (建设单位项目专业技术负责人) 年 月 日 注:地(路)面基层的偏差只适用于直接在挖、填方上做地(路)面的基层。 土方回填工程检验批质量验收记录 编号: 表 5.3.2 单位(子单位) 工程名称 分部(子分部)工程名称 分项工程名称 验收...

1、当您付费下载文档后,您只拥有了使用权限,并不意味着购买了版权,文档只能用于自身使用,不得用于其他商业用途(如 [转卖]进行直接盈利或[编辑后售卖]进行间接盈利)。
2、本站所有内容均由合作方或网友上传,本站不对文档的完整性、权威性及其观点立场正确性做任何保证或承诺!文档内容仅供研究参考,付费前请自行鉴别。
3、如文档内容存在违规,或者侵犯商业秘密、侵犯著作权等,请点击“违规举报”。

碎片内容

110kV1000kV变电(换流)站土建工程施工质量验收及评定规程第三部分

小辰8+ 关注
实名认证
内容提供者

出售各种资料和文档

相关文档

确认删除?
VIP
微信客服
  • 扫码咨询
会员Q群
  • 会员专属群点击这里加入QQ群
客服邮箱
回到顶部