电脑桌面
添加小米粒文库到电脑桌面
安装后可以在桌面快捷访问

PLCS7300一些简单编程题VIP免费

PLCS7300一些简单编程题_第1页
1/50
PLCS7300一些简单编程题_第2页
2/50
PLCS7300一些简单编程题_第3页
3/50
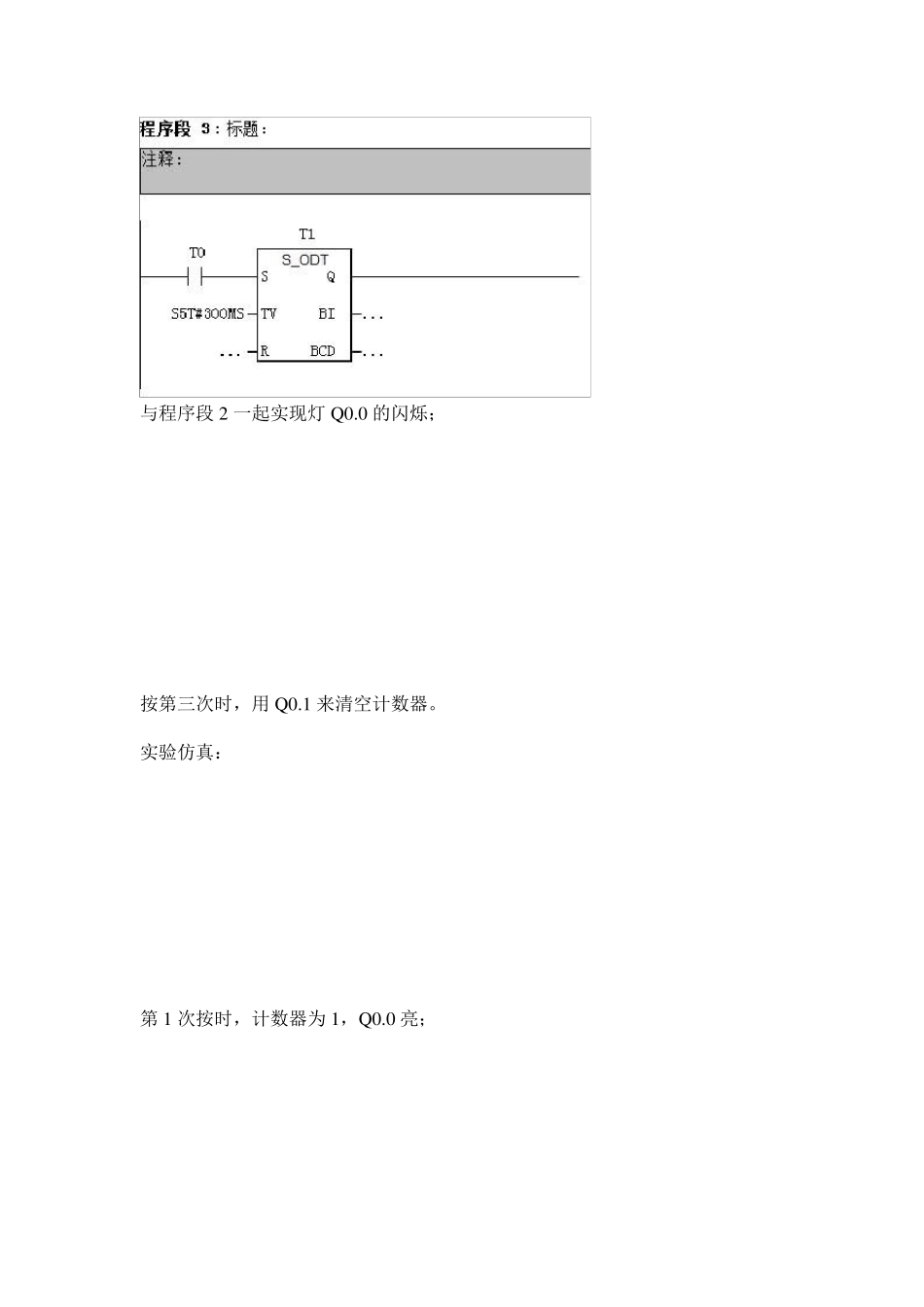
编程题解答 第四章: 1.第1 次按按钮指示灯亮,第2 次按按钮指示灯闪亮,第3 次按下按钮指示灯灭,如此循环,试编写其PLC 控制的LAD 程序。 分析:通过计数器和比较器实现题目中的要求: 按第1 次,计数器为 1,通过比较器,使灯Q 0.0 亮; 按第2 次,计数器为 2,通过比较器,使灯Q 0.0 闪; 按第3 次,计数器为 3,通过比较器,清零计数器,并使灯Q 0.0 灭。 程序如下: 按一次开关,记一次数; 第一次按,灯Q 0.0 亮;第二次按,灯Q 0.0 闪; 与程序段2 一起实现灯Q 0.0 的闪烁; 按第三次时,用Q 0.1 来清空计数器。 实验仿真: 第1 次按时,计数器为 1,Q 0.0 亮; 第2 次按时,计数器为2,Q 0.0 闪;既有亮,又有灭; 第三次按时,计数器清零,Q 0.0 灭 2.用一个按钮控制2 盏灯,第1 次按下时第1 盏灯亮,第2 盏灯灭;第2 次按下时第1 盏灯灭,第2 盏灯亮;第3 次按下时2 盏灯都灭。 分析:使用计数器和互锁来实现题目所给的要求; 计数器用来记录按键的次数; 互锁电路来实现灯Q 0.0 亮的时候,灯Q 0.1 灭;灯Q 0.1 亮的时候,Q 0.0 灭; 程序如下: 用计数器记录按下的次数; 利用互锁电路来实现Q 0.0 亮的时候,灯Q 0.1 灭;灯Q 0.1 亮的时候,Q 0.0 灭; 第三次按下时,利用Q 0.2 来清零计数器,同时也使得Q 0.0 与Q 0.1 都灭; 实验仿真: 第一次按下: 计数器为 1,灯Q 0.0 亮;灯Q 0.1 灭; 第二次按下: 计数器为2,灯Q0.0 灭;灯Q0.1 亮; 第三次按下: 计数器清零,两盏灯都灭。 3.编写 PLC 控制程序,使 Q4.0 输出周期为5s,占空比为20%的连续脉冲信号。 分析:采用两个定时器以及常开常闭开关来实现某个通路的循环通断,同时设置相应地定时器的定时时间,就能够满足题目要求。 程序如下: 当 I0.0 没有按下时,定时器处于复位状态,按下I0.0 后,从 Q4.0 先灭4s,再亮1s,这样就是先了题目的要求 实验仿真: 当I0.0 按下后: T0 开始计时,4s后,Q4.0 亮,如下: 同时,定时器T1 开始计时, 经过1s后,Q4.0 又灭,如下不停地循环下去,实验题目要求。 4.设计鼓风机系统控制程序。鼓风机系统一般有引风机和鼓风机两级构成。要求: (1)按下起动按钮后首先起动引风机,引风机指示灯亮,10s后鼓风机自动起动,鼓风机指示灯亮;按下按钮后首先关断鼓风机,鼓风机指示灯灭,经20s后自动关断...

1、当您付费下载文档后,您只拥有了使用权限,并不意味着购买了版权,文档只能用于自身使用,不得用于其他商业用途(如 [转卖]进行直接盈利或[编辑后售卖]进行间接盈利)。
2、本站所有内容均由合作方或网友上传,本站不对文档的完整性、权威性及其观点立场正确性做任何保证或承诺!文档内容仅供研究参考,付费前请自行鉴别。
3、如文档内容存在违规,或者侵犯商业秘密、侵犯著作权等,请点击“违规举报”。

碎片内容

PLCS7300一些简单编程题

您可能关注的文档

确认删除?
VIP
微信客服
  • 扫码咨询
会员Q群
  • 会员专属群点击这里加入QQ群
客服邮箱
回到顶部