电脑桌面
添加小米粒文库到电脑桌面
安装后可以在桌面快捷访问

PVC塑料窗标准VIP免费

PVC塑料窗标准_第1页
1/12
PVC塑料窗标准_第2页
2/12
PVC塑料窗标准_第3页
3/12
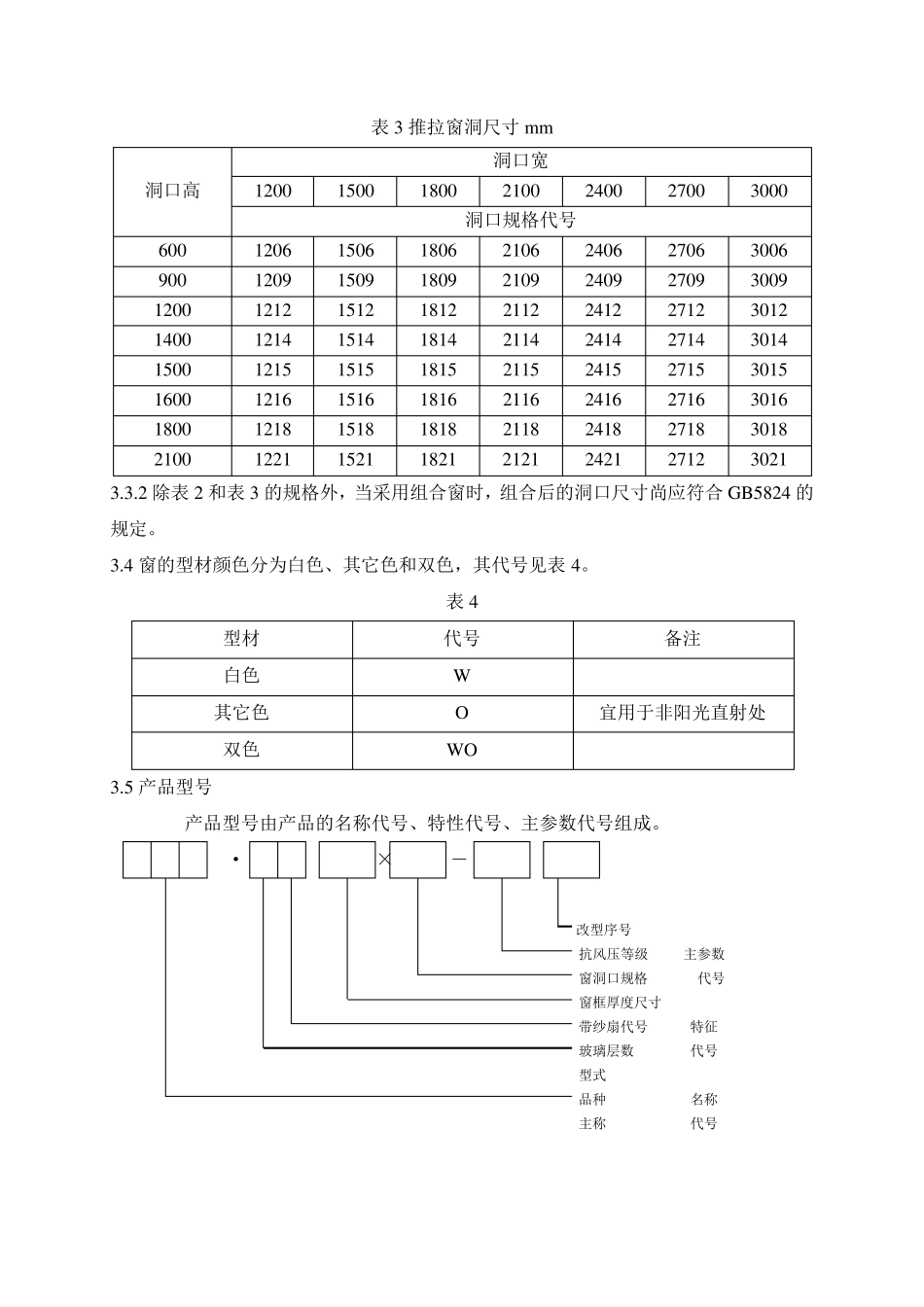
中华人民共和国国家标准 硬聚氯乙烯塑料窗 JG/T 3018-94 RigidPolyvinylchioridewindows 本标准等效采用德国标准DIN18055、DIN4108 及 DIN4109 中有关窗的技术要求。 1 主题内容与适用范围 本标准规定了平开及推拉硬聚氯乙烯塑料窗(以下简称塑料窗)的品种、规格、分类、技术要求、试验方法、检验规则和包装、标志、运输、贮存。 本标准适用于由硬聚氯乙烯(PVC)异型材组装成的固定窗、平开塑料窗、带纱扇的平开塑料窗、推拉塑料窗和带纱扇的推拉塑料窗。 2 引用标准 GB5824 建筑门窗洞口尺寸系列 GB8814 门、窗框用硬聚氯乙烯(PVC)型材 GBl2002 塑料门窗用密封条 GBl2003 塑料窗基本尺寸公差 GBll793.1PVC 塑料窗建筑物理性能 GBll793.2PVC 塑料窗力学性能、耐候性技术条件 GB11793.3PVC 塑料窗力学性能、耐候性试验方法 GB7106 建筑外窗抗风压性能分级及其检测方法 GB7107 建筑外窗空气渗透性能分级及其检测方法 GB7108 建筑外窗雨水渗漏性能分级及其检测方法 GB8484 建筑外窗保温性能分级及其检测方法 GB8485 建筑外窗空气隔声性能分级及其检测方法 GB6388 运输、包装、收发货标志 GBl91 包装储运图示标志 3 分类、规格和型号 3.1 按开启型式,窗可分为固定窗、平开窗和推拉窗。 3.1.1 固定窗 3.1.2 平开窗 1)内开窗、外开窗 2)滑轴平开窗 3.1.3 推拉窗 1)左右推拉窗 2)上下推拉窗 3.2 窗框厚度基本尺寸系列 3.2.1 窗框厚度基本尺寸系列见表1 3.2.2 表1 中未列出的窗框厚度尺寸、凡与基本尺寸系列相差在±2m m 之内的,均靠用基本尺寸系列。 表1 窗框厚度基本尺寸系列m m 平开窗 45 50 55 60 — — — — — — 推拉窗 60 — — — 75 80 85 90 95 100 3.3 窗洞口尺寸系列与规格 3.3.1 窗的宽度、高度尺寸,主要根据窗框厚度,窗的力学性能和建筑物理性能要求以及洞口安装要求确定。 3.3.2 窗洞口的规格及其代号,见表2 和表3 表2 平开窗洞尺寸m m 洞口高 洞口宽 600 900 1200 1500 1800 2100 2400 洞口规格代号 600 0606 0906 1206 1506 1806 2106 2406 900 0609 0909 1209 1509 1809 2109 2409 1200 0612 0912 1212 1512 1812 2112 2412 1400 0614 0914 1214 1514 1814 2114 2414 1500 0615 0915 1215 1515 1815 2115 2415 1600 0616 0916 1216 1516 1816 2116 2416...

1、当您付费下载文档后,您只拥有了使用权限,并不意味着购买了版权,文档只能用于自身使用,不得用于其他商业用途(如 [转卖]进行直接盈利或[编辑后售卖]进行间接盈利)。
2、本站所有内容均由合作方或网友上传,本站不对文档的完整性、权威性及其观点立场正确性做任何保证或承诺!文档内容仅供研究参考,付费前请自行鉴别。
3、如文档内容存在违规,或者侵犯商业秘密、侵犯著作权等,请点击“违规举报”。

碎片内容

PVC塑料窗标准

确认删除?
VIP
微信客服
  • 扫码咨询
会员Q群
  • 会员专属群点击这里加入QQ群
客服邮箱
回到顶部