电脑桌面
添加小米粒文库到电脑桌面
安装后可以在桌面快捷访问

小型水闸项目划分表VIP免费

小型水闸项目划分表_第1页
1/12
小型水闸项目划分表_第2页
2/12
小型水闸项目划分表_第3页
3/12
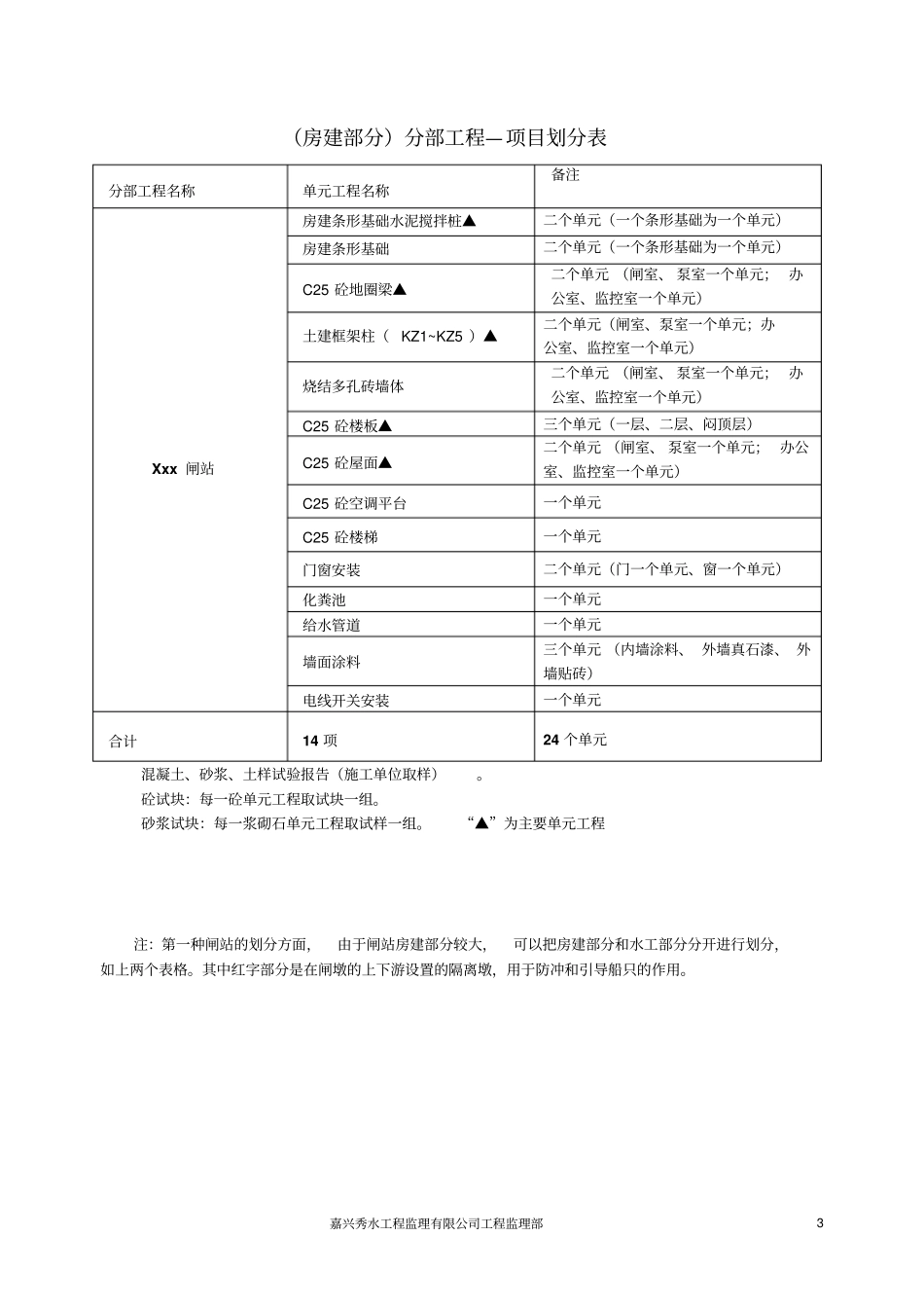
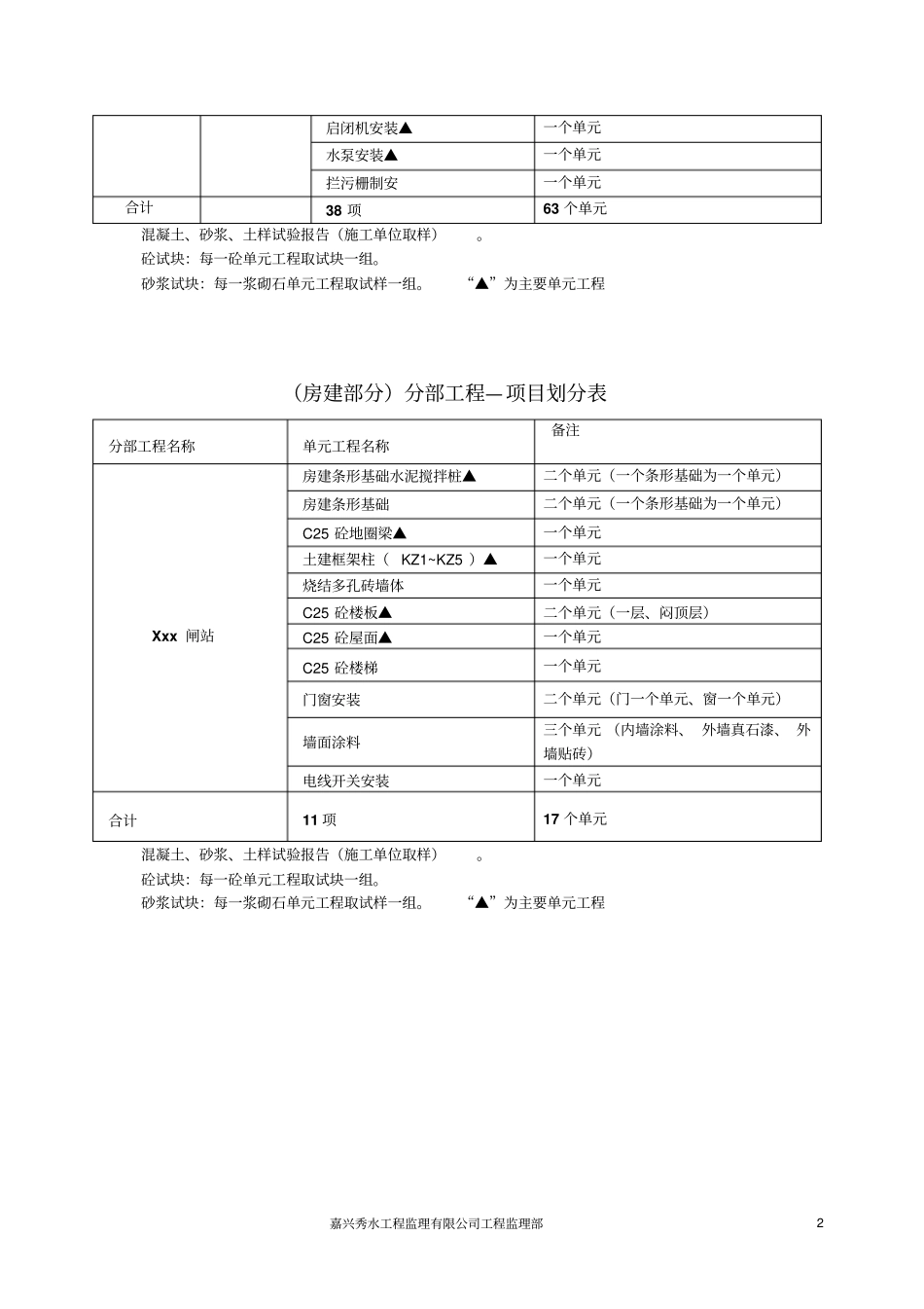
嘉兴秀水工程监理有限公司工程监理部1 闸站分部工程—项目划分表分部工程主要部位单元工程名称备注Xxx 闸站上游连接段翼墙水泥搅拌桩▲二个单元(一个翼墙一个单元)上游土方开挖一个单元M10 浆砌块石一个单元C20 砼铺盖一个单元C25 翼墙底板砼二个单元(一个翼墙一个单元)C20 翼墙墙身二个单元(一个翼墙一个单元)C25 砼翼墙压顶及防洪墙二个单元(一个翼墙一个单元)闸站部分底板水泥搅拌桩▲十五个单元( 20 根一个单元)底板土方开挖一个单元C10 素砼垫层一个单元C25 砼底板▲一个单元C25 砼闸墩一个单元C25 砼水泵梁一个单元C30 门槛二期混凝土一个单元C30 门槽二期混凝土一个单元C25 砼隔离墩底板▲一个单元C35 砼中墩▲一个单元C25 砼上墩▲一个单元C25 砼电机层三个单元C25 砼排架▲一个单元C25 砼工作桥一个单元C25 砼泵室检修桥二个单元土方回填一个单元下游连接段翼墙水泥搅拌桩▲二个单元(一个翼墙一个单元)下游土方开挖一个单元M10 浆砌块石一个单元C20 砼护坦一个单元C25 翼墙底板砼二个单元(一个翼墙一个单元)C20 翼墙墙身二个单元(一个翼墙一个单元)C25 砼翼墙压顶二个单元(一个翼墙一个单元)电气部分接地一个单元电缆一个单元变压器一个单元配电(屏、柜、箱)一个单元照明一个单元启闭设备钢闸门安装▲一个单元嘉兴秀水工程监理有限公司工程监理部2 启闭机安装▲一个单元水泵安装▲一个单元拦污栅制安一个单元合计38 项63 个单元混凝土、砂浆、土样试验报告(施工单位取样)。砼试块:每一砼单元工程取试块一组。砂浆试块:每一浆砌石单元工程取试样一组。“▲”为主要单元工程(房建部分)分部工程—项目划分表分部工程名称单元工程名称备注Xxx 闸站房建条形基础水泥搅拌桩▲二个单元(一个条形基础为一个单元)房建条形基础二个单元(一个条形基础为一个单元)C25 砼地圈梁▲一个单元土建框架柱( KZ1~KZ5 )▲一个单元烧结多孔砖墙体一个单元C25 砼楼板▲二个单元(一层、闷顶层)C25 砼屋面▲一个单元C25 砼楼梯一个单元门窗安装二个单元(门一个单元、窗一个单元)墙面涂料三个单元 (内墙涂料、 外墙真石漆、 外墙贴砖)电线开关安装一个单元合计11 项17 个单元混凝土、砂浆、土样试验报告(施工单位取样)。砼试块:每一砼单元工程取试块一组。砂浆试块:每一浆砌石单元工程取试样一组。“▲”为主要单元工程嘉兴秀水工程监理有限公司工程监理部3 (房建部分)分部...

1、当您付费下载文档后,您只拥有了使用权限,并不意味着购买了版权,文档只能用于自身使用,不得用于其他商业用途(如 [转卖]进行直接盈利或[编辑后售卖]进行间接盈利)。
2、本站所有内容均由合作方或网友上传,本站不对文档的完整性、权威性及其观点立场正确性做任何保证或承诺!文档内容仅供研究参考,付费前请自行鉴别。
3、如文档内容存在违规,或者侵犯商业秘密、侵犯著作权等,请点击“违规举报”。

碎片内容

小型水闸项目划分表

您可能关注的文档

确认删除?
VIP
微信客服
  • 扫码咨询
会员Q群
  • 会员专属群点击这里加入QQ群
客服邮箱
回到顶部