电脑桌面
添加小米粒文库到电脑桌面
安装后可以在桌面快捷访问

主体结构质量验收专用表格VIP免费

主体结构质量验收专用表格_第1页
1/43
主体结构质量验收专用表格_第2页
2/43
主体结构质量验收专用表格_第3页
3/43
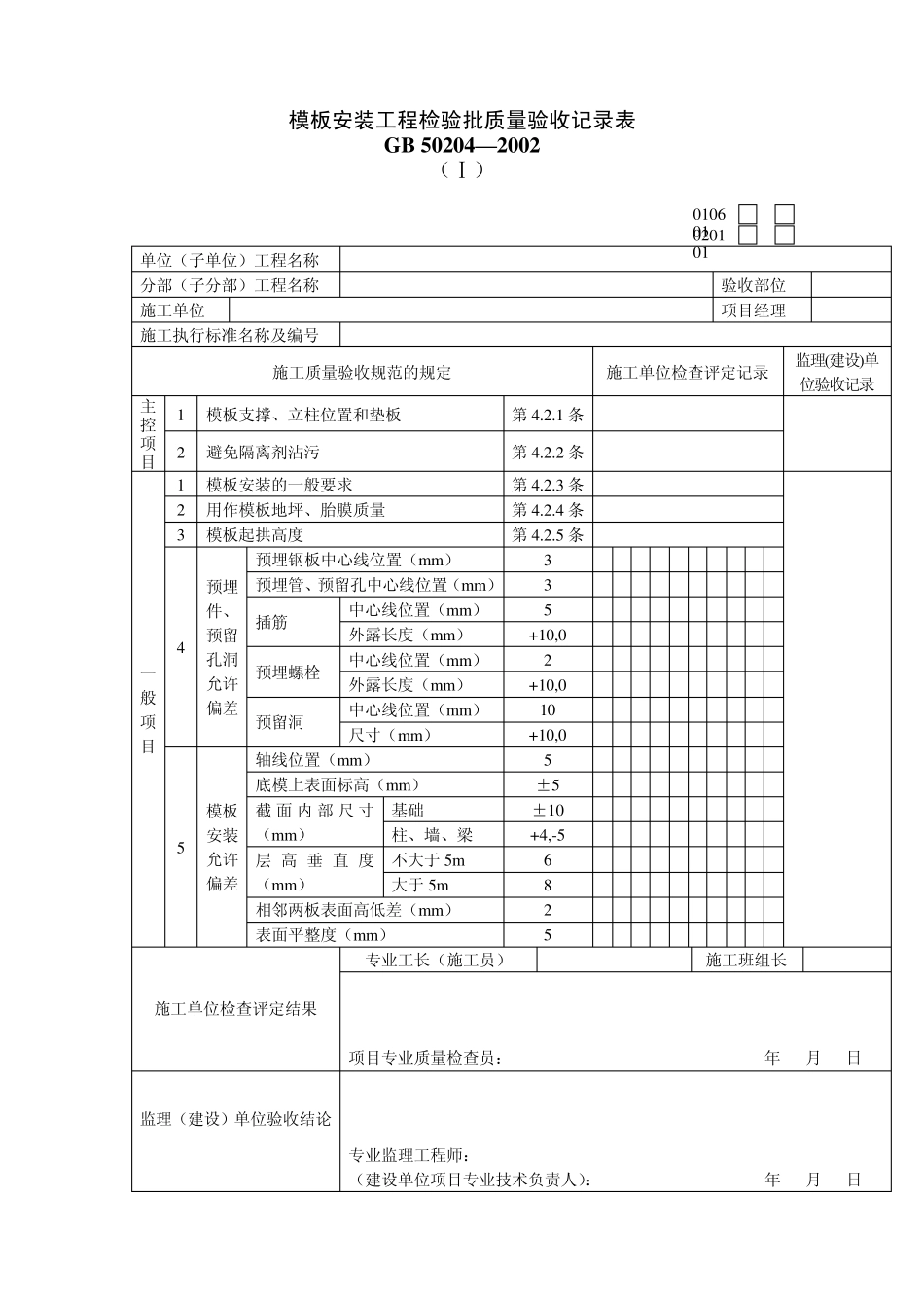
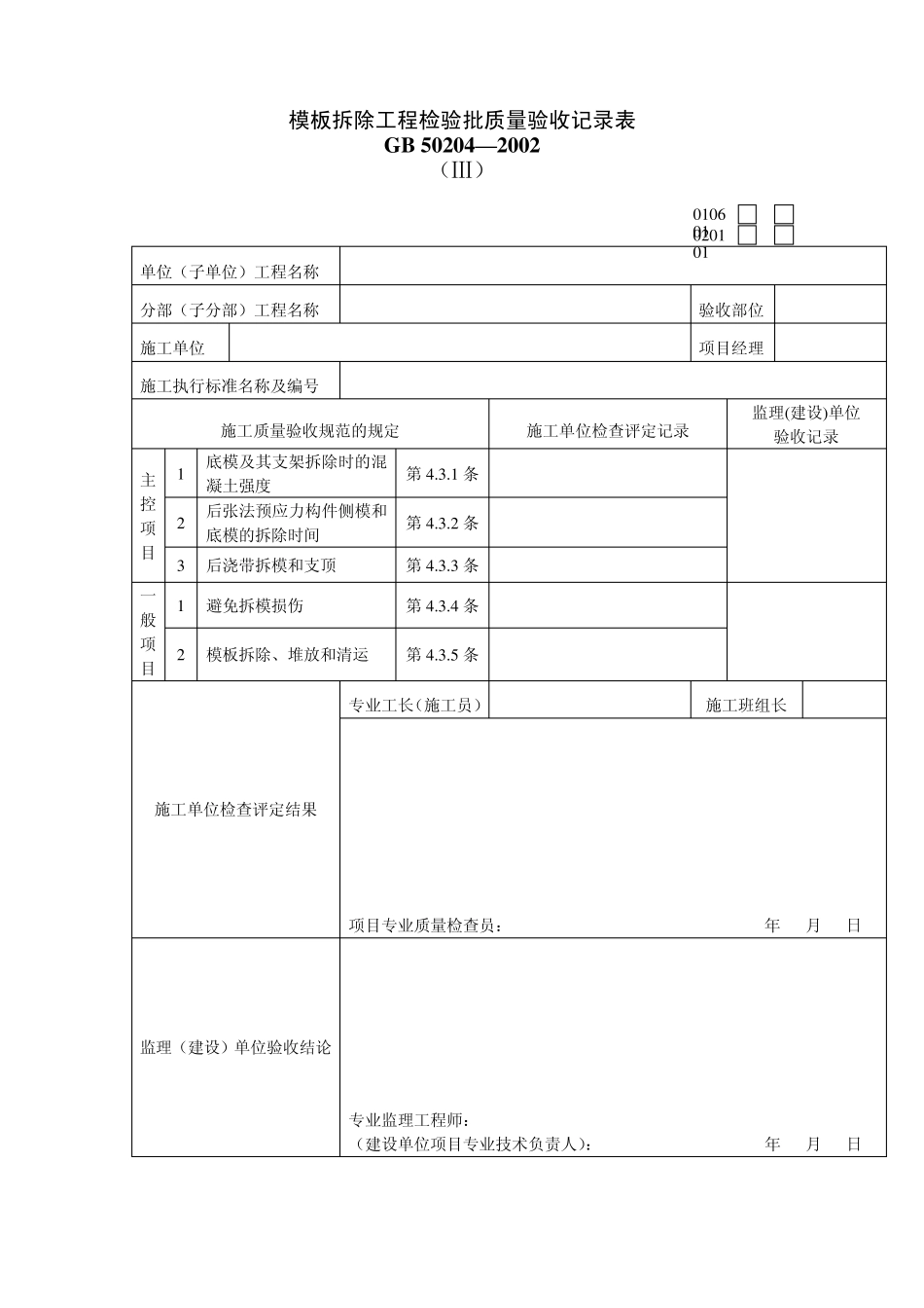
模板安装工程检验批质量验收记录表 GB 50204—2002 (Ⅰ) 010601 020101 单位(子单位)工程名称 分部(子分部)工程名称 验收部位 施工单位 项目经理 施工执行标准名称及编号 施工质量验收规范的规定 施工单位检查评定记录 监理(建设)单位验收记录 主控项目 1 模板支撑、立柱位置和垫板 第4.2.1 条 2 避免隔离剂沾污 第4.2.2 条 一般项目 1 模板安装的一般要求 第4.2.3 条 2 用作模板地坪、胎膜质量 第4.2.4 条 3 模板起拱高度 第4.2.5 条 4 预埋件、预留孔洞允许偏差 预埋钢板中心线位置(m m ) 3 预埋管、预留孔中心线位置(m m ) 3 插筋 中心线位置(m m ) 5 外露长度(m m ) +10,0 预埋螺栓 中心线位置(m m ) 2 外露长度(m m ) +10,0 预留洞 中心线位置(m m ) 10 尺寸(m m ) +10,0 5 模板安装允许偏差 轴线位置(m m ) 5 底模上表面标高(m m ) ±5 截 面内 部尺寸(m m ) 基础 ±10 柱、墙、梁 +4,-5 层 高垂 直 度(m m ) 不大于 5m 6 大于 5m 8 相邻两板表面高低差(m m ) 2 表面平整度(m m ) 5 施工单位检查评定结果 专业工长(施工员) 施工班组长 项目专业质量检查员: 年 月 日 监理(建设)单位验收结论 专业监理工程师: (建设单位项目专业技术负责人): 年 月 日 预制构件模板工程检验批质量验收记录表 GB 50204—2002 (Ⅱ) 020101 单位(子单位)工程名称 分部(子分部)工程名称 验收部位 施工单位 项目经理 施工执行标准名称及编号 施工质量验收规范的规定 施工单位检查评定记录 监理(建设)单位验收记录 主控项目 避免隔离剂沾污 第4.2.2 条 一般项目 1 模板安装的一般要求 第4.2.3 条 2 用作模板地坪、胎膜质量 第4.2.4 条 3 模板起拱高度 第4.2.5 条 4 预埋件、预留孔洞允许偏差 预埋钢板中心线位置(m m ) 3 预埋管、预留孔中心线位置(m m ) 3 插筋(m m ) 中心线位置 5 外露长度 +10,0 预埋螺栓(m m ) 中心线位置 2 外露长度 +10,0 预留洞(m m ) 中心线位置 10 尺寸 +10,0 5 预制构件模板允许偏差 长度(m m ) 板、梁 ±5 薄腹梁、桁架 ±10 柱 0,-10 墙板 0,-5 宽度(m m ) 板、墙板 0,-5 梁、薄腹梁、桁架、柱 +2,-5 高(厚)度(m m ) 板 +2,-3 墙板 0,-5 梁、薄...

1、当您付费下载文档后,您只拥有了使用权限,并不意味着购买了版权,文档只能用于自身使用,不得用于其他商业用途(如 [转卖]进行直接盈利或[编辑后售卖]进行间接盈利)。
2、本站所有内容均由合作方或网友上传,本站不对文档的完整性、权威性及其观点立场正确性做任何保证或承诺!文档内容仅供研究参考,付费前请自行鉴别。
3、如文档内容存在违规,或者侵犯商业秘密、侵犯著作权等,请点击“违规举报”。

碎片内容

主体结构质量验收专用表格

您可能关注的文档

确认删除?
VIP
微信客服
  • 扫码咨询
会员Q群
  • 会员专属群点击这里加入QQ群
客服邮箱
回到顶部