电脑桌面
添加小米粒文库到电脑桌面
安装后可以在桌面快捷访问

聚丙烯生产工艺系统安全评价VIP免费

聚丙烯生产工艺系统安全评价_第1页
1/4
聚丙烯生产工艺系统安全评价_第2页
2/4
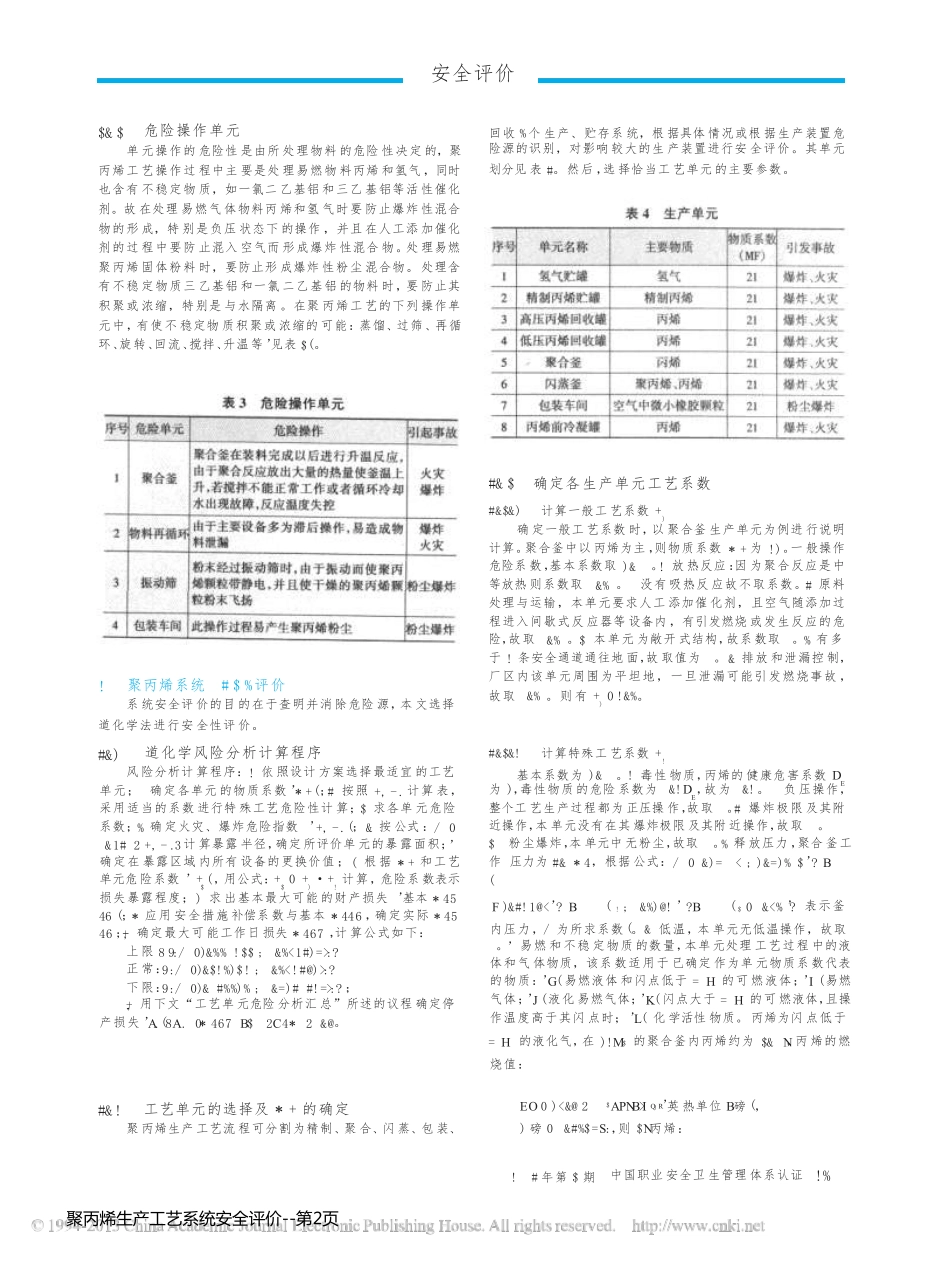
$ 期聚丙烯生产工艺系统 安全评价 中国水电八局 曾灵波 摘 要:对聚丙烯生产工艺系统进行危险源辨识,利用道化学火灾爆炸指数法对工艺系统进行安全性评价,掌握系 统危险源分布状况,确定系统的危险性等级。 关键词:危险源 12 34 引言 安全和危险,健康和职业危害是一对矛盾,而危险和职业 危害普遍存在于各行各业中,控制和消除这些危险源,求得安 全与健康是人类生存和发展的一个基本条件。化学工业随着 工艺技术的不断更新,新设备、新材料、新催化剂及高 效节能 设备越来越多地 用于生产工艺中,使得装置 的规模越 来越大 型化,带来的危险性因素也越来 越多,因此对化工工艺本身及 其生产配套设施的安全性评价也变得越 来越重要。 ! 反应原理 该工艺采用齐格勒 & 纳塔型催化剂、钛催 化剂两种催 化 体,利用催化剂 与活化剂形成的络合物具有定向力,使 丙烯分 子上的甲基铝沿一定的方向在主链上有规律的排列,采用氢 气作为调节剂 控制聚丙烯分子量,从而达到对聚丙烯橡胶性 能的控制。反应在温度为 ’% ( ’)* ,压 力为 %+ % ( %+ ,-. 的聚 合釜内进行。 危险源辨识 在聚丙烯生产工艺流 程装置中,存在三 个方面的危险因 素,即可能 使用、加 工、生产出 危险的物料;可能 采用具有危险 性的工艺过程;可能采用危险的操作单元。 # 危险物品辨识 在聚丙烯整 个生产工艺流程中,涉 及爆炸品、腐蚀 品、自 燃化学品、易燃液体等多种危险物品 / 见表 $ 0 。 %+ $ 危险工艺过程 聚丙烯生产工艺过 程按 危险情况可以 分成:! 本质上不 稳 定物质存在的工艺过程 ;丙烯聚合是一种放热 的化学反 应过程 ;# 聚合反应含 有易燃物料丙烯和氢气,并在高 温、高 压下反应;$ 整个工艺过程一直在氢气和丙烯的闪点内进行; % 包 装 车间内存在聚丙烯粉尘,达到一定的浓度可能 引发粉 尘爆炸;& 伴有毒性物料的工艺过程;’聚合反应在一定的压 力下进行。整个工艺中危险工艺过程见 表 !。 %+ ! !# 中国职业安全卫 生管理体系认证 !# 年第 % 期 聚 丙 烯 生 产 工 艺 系 统 安 全 评 价 --第 1页聚 丙 烯 生 产 工 艺 系 统 安 全 评 价 --第 1页安全评价 危险操作单元 单元操作的危险性是由所处理物料的危险性决定的,聚 丙烯工艺操作过程中主要是处理易燃物料丙烯和氢气,同时 也含有不稳定物质,如一...

1、当您付费下载文档后,您只拥有了使用权限,并不意味着购买了版权,文档只能用于自身使用,不得用于其他商业用途(如 [转卖]进行直接盈利或[编辑后售卖]进行间接盈利)。
2、本站所有内容均由合作方或网友上传,本站不对文档的完整性、权威性及其观点立场正确性做任何保证或承诺!文档内容仅供研究参考,付费前请自行鉴别。
3、如文档内容存在违规,或者侵犯商业秘密、侵犯著作权等,请点击“违规举报”。

碎片内容

聚丙烯生产工艺系统安全评价

您可能关注的文档

确认删除?
VIP
微信客服
  • 扫码咨询
会员Q群
  • 会员专属群点击这里加入QQ群
客服邮箱
回到顶部