电脑桌面
添加小米粒文库到电脑桌面
安装后可以在桌面快捷访问

工程字—长仿宋VIP免费

工程字—长仿宋_第1页
1/16
工程字—长仿宋_第2页
2/16
工程字—长仿宋_第3页
3/16
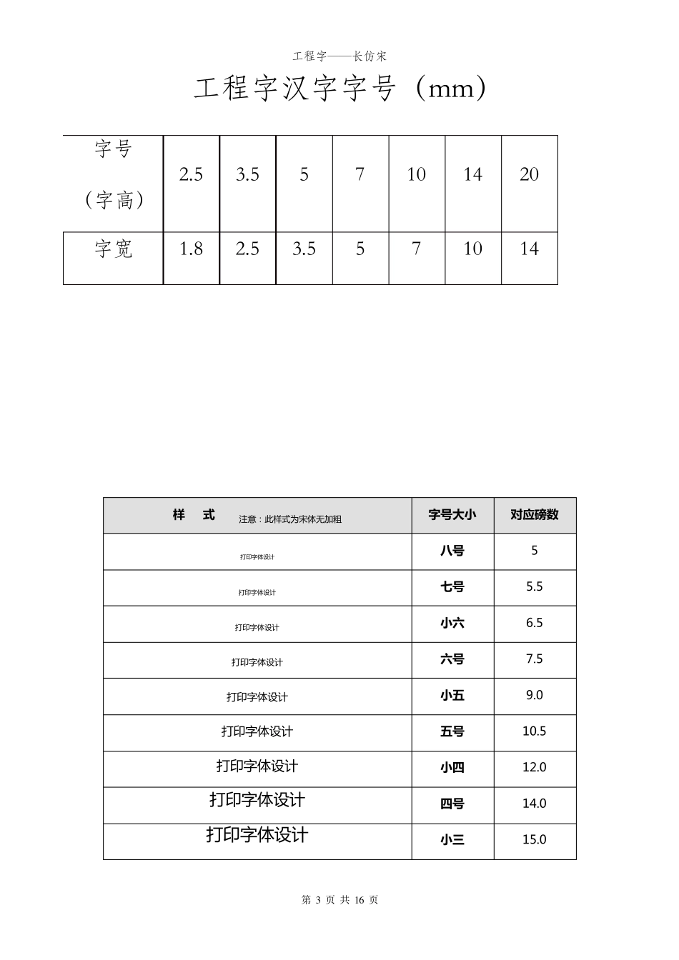
工 程 字 — — 长 仿 宋 第 1 页 共 1 6 页 工 程 字 — 长 仿 宋 练 习 学 生 : 2014 年 工 程 字 — — 长 仿 宋 第 2 页 共 1 6 页 目 录 一 、 运 笔 技 巧 二 、 基 本 笔 画 三 、 占 格 规 则 四 、 结 体 原 理 五 、 笔 画 练 习 六 、 综 合 练 习 ( 弟 子 规 ) 工 程 字 — — 长 仿 宋 工 程 图 纸 常 用 文 字 有 汉 字 、 数 字 、 字 母 , 书 写 时 必 须 做 到 排 列 整齐 、 字 体 端 正 、 笔 画 清 晰 、 注 意 起 落 。 工 程 图 样 中 字 体 的 高 度 即 为 字 号 , 其 系 列 规 定 为 2.5、3.5、5、7、10、 14、 20mm, 字 体 的 宽 度 即 为 小 一 号 字 体 的 高 度 。 书 写 汉 字 的 高度 应 不 小 于 3.5mm, 数 字 的 高 度 应 不 小 于 2.5mm。 工 程 字 — — 长 仿 宋 第 3 页 共 1 6 页 工 程 字 汉 字 字 号 ( mm) 字 号 ( 字 高 ) 2.5 3.5 5 7 10 14 20 字 宽 1.8 2.5 3.5 5 7 10 14 样 式 注 意 : 此 样 式 为宋体无加粗 字 号 大 小 对 应 磅 数 打印字体设计 八 号 5 打印字体设计 七号 5.5 打印字体设计 小 六 6.5 打印字体设计 六号 7.5 打印字体设计 小 五 9.0 打印字体设计 五号 10.5 打印字体设计 小 四 12.0 打印字体设计 四号 14.0 打印字体设计 小 三 15.0 工 程 字 — — 长 仿 宋 第 4 页 共 1 6 页 打 印 字 体设计 三 号 16.0 打 印 字 体设计 小 二 18.0 打 印 字 体设计 二 号 22.0 打 印 字 体设计 小 一 24.0 打 印 字 体设计 一号 26.0 打 印 字 体设计 小 初 36.0 打 印 字 体设计 初号 42.0 · 1 英 寸 =72 磅 , 1 磅 = 0.35mm; · 初 号 =42 磅 =14.82 毫 米 , 小 初 =36 磅 =12.70 毫 米 , 一 号 =26 磅=9.17 毫 米 , 小 一 =24 磅 =8.47 毫 米 ; ·二 号 =22 磅 =7.76 毫 米 ,小 二 =18 磅 =6.35 毫 米 ,三 号 =16 磅 =5.64毫 米 , 小 三 =15 磅 =5.29 毫 米 ; · 四 号 =14 磅 =4.94 毫 米 ...

1、当您付费下载文档后,您只拥有了使用权限,并不意味着购买了版权,文档只能用于自身使用,不得用于其他商业用途(如 [转卖]进行直接盈利或[编辑后售卖]进行间接盈利)。
2、本站所有内容均由合作方或网友上传,本站不对文档的完整性、权威性及其观点立场正确性做任何保证或承诺!文档内容仅供研究参考,付费前请自行鉴别。
3、如文档内容存在违规,或者侵犯商业秘密、侵犯著作权等,请点击“违规举报”。

碎片内容

工程字—长仿宋

确认删除?
VIP
微信客服
  • 扫码咨询
会员Q群
  • 会员专属群点击这里加入QQ群
客服邮箱
回到顶部