电脑桌面
添加小米粒文库到电脑桌面
安装后可以在桌面快捷访问

工程洽商、联系单(签证)VIP免费

工程洽商、联系单(签证)_第1页
1/9
工程洽商、联系单(签证)_第2页
2/9
工程洽商、联系单(签证)_第3页
3/9
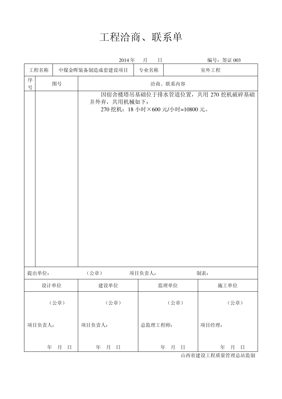
工程洽商、联系单 2014 年 月 日 编号:签证 001 工程名称 中煤金晖装备制造成套建设项目 专业名称 室外工程 序号 图号 洽商、联系内容 因连续降雨,需用水泵抽水,具体工程量如下: 1、6 月 19 日至 20 日降大雨,用 4 台 D N 150 水泵 24 小时排水; 6 月 29 日至 30 日降大雨,用 3 台 D N 150 水泵 24 小时排水。 2、7 月 19 日至 22 日降雨,用 4 台 D N 150 水泵排水,每天排水 14 小时。 3、8 月 6 日至 9 日降雨,用 3 台 D N 150 水泵排水,每天排水 12 小时; 8 月 17 日、23 日、24 日降雨,用 2 台 D N 150 水泵排水,分别排水 10、8、11小时; 4、9 月 10 日至 12 日降雨,用 4 台 D N 150 水泵排水,每天排水 18 小时。 提出单位: (公章) 项目负责人: 制表: 设计单位 建设单位 监理单位 施工单位 (公章) 项目负责人: 年 月 日 (公章) 项目负责人: 年 月 日 (公章) 总监理工程师: 年 月 日 (公章) 项目经理: 年 月 日 山西省建设工程质量管理总站监制 工程洽商、联系单 2014 年 月 日 编号:签证 002 工程名称 中煤金晖装备制造成套建设项目 专业名称 室外工程 序号 图号 洽商、联系内容 因大孝堡 U 型水渠紧邻厂区,且该渠内水大量流入厂区,根据建设单位要求及现场情况,封堵渠道,共用人工机械如下: 1、人工:8 工日; 2、50 装载机 1.5 小时; 3、机动翻斗车:1 天。 提出单位: (公章) 项目负责人: 制表: 设计单位 建设单位 监理单位 施工单位 (公章) 项目负责人: 年 月 日 (公章) 项目负责人: 年 月 日 (公章) 总监理工程师: 年 月 日 (公章) 项目经理: 年 月 日 山西省建设工程质量管理总站监制 工程洽商、联系单 2014 年 月 日 编号:签证003 工程名称 中煤金晖装备制造成套建设项目 专业名称 室外工程 序号 图号 洽商、联系内容 因宿舍楼塔吊基础位于排水管道位置,共用270 挖机破碎基础并外弃,共用机械如下: 270 挖机:18 小时×600 元/小时=10800 元。 提出单位: (公章) 项目负责人: 制表: 设计单位 建设单位 监理单位 施工单位 (公章) 项目负责人: 年 月 日 (公章) 项目负责人: 年 月 日 (公章) 总监理工程师: 年 月 日 (公章...

1、当您付费下载文档后,您只拥有了使用权限,并不意味着购买了版权,文档只能用于自身使用,不得用于其他商业用途(如 [转卖]进行直接盈利或[编辑后售卖]进行间接盈利)。
2、本站所有内容均由合作方或网友上传,本站不对文档的完整性、权威性及其观点立场正确性做任何保证或承诺!文档内容仅供研究参考,付费前请自行鉴别。
3、如文档内容存在违规,或者侵犯商业秘密、侵犯著作权等,请点击“违规举报”。

碎片内容

工程洽商、联系单(签证)

您可能关注的文档

确认删除?
VIP
微信客服
  • 扫码咨询
会员Q群
  • 会员专属群点击这里加入QQ群
客服邮箱
回到顶部