电脑桌面
添加小米粒文库到电脑桌面
安装后可以在桌面快捷访问

工程量计算表(样本)VIP免费

工程量计算表(样本)_第1页
1/17
工程量计算表(样本)_第2页
2/17
工程量计算表(样本)_第3页
3/17
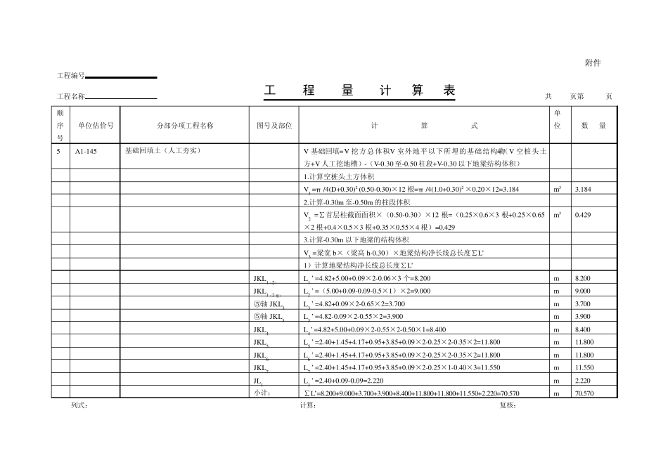
附件11 工程编号 工程名称 工 程 量 计 算 表 共 页第 1 页 顺 序 号 单位估价号 分部分项工程名称 图号及部位 计 算 式 单 位 数 量 建筑面积 一层 建施3 S1=(12.82+0.09×2)(5.00+4.82+0.09×2)=13.00×10.00=130.000 m2 130.000 二层 建施3 S2=(12.82+0.09×2)(12.12+0.09×2)-[(1.50-0.09+0.09)(5.12-0.09×2)+(0.80+0.50-0.09+0.09)(3.02-0.09×2)]×1/2=154.349 m2 154.349 三至五层 S3-5=154.35(同二层)×3 层=463.047 m2 463.047 屋顶楼梯间 S6=(2.40+0.09×2)(5.00+0.80+0.09×2)=15.428 m2 15.428 小 计 S=S1+S2+S3-5+S6=130.000+154.349+463.047+15.428=762.82 m2 762.82 第一部分 分部分项工程项目 A1 土石方工程 1 A1-1 平整场地 建施3 S=建筑物首层外墙外边线面积=130.000(见首层建筑面积计算) m2 130.000 2 A1-128 人工挖孔桩挖土 V=∑(V 桩身+V 扩大头)×数量=∑(V 桩身+V 圆台+V 圆柱+V 球冠)×数量 (桩外径150cm 内,孔深15m 内) 其中:V 桩身=π (D+0.3m)²×L/4; V 圆柱=π (D+2d)²×h2 /4 V 圆台=π [(D+0.3m)²+(D+2d)²+(D+0.3m)(D+2d)]×h1/12; V 球冠=π(R-h/3)×h² ①单根桩身体积计算 V 桩身=π (1.00+0.3)²(10.00+0.60+0.30+0.10+0.50-0.30)/4=14.858 m³ 14.858 ② 扩大头体积计算 VzJ1 扩大头=π [(1+0.3)²+1.4²+(1+0.3)×1.4]×0.80/12+π ×1.4²×0.50/4+π{[(1.4/2)²+0.2]×1/(0.2×2)-0.2/3}×0.2²=2.073 m³ 2.073 列 式: 计算: 复 核 : 附件11 工程编号 工程名称 工 程 量 计 算 表 共 页第 2 页 顺 序 号 单位估价号 分部分项工程名称 图号及部位 计 算 式 单 位 数 量 VzJA 扩大头=π [(1+0.3)²+1.6²+(1+0.3)×1.6]×0.80/12+π ×1.6²×0.50/4+π {[(1.6/2)²+0.2²]/(0.2×2)-0.2/3}×0.2²=2.535 m³ 2.535 ③ 人 工挖 孔 桩 挖 土 V=(V 桩 身 +VzJ1 扩大头)×6 根 +( V 桩 身 +扩大头VzJA) ×6 根 =( 14.858+2.072) ×6+( 14.858+2.535) ×6=205.94 m³ 205.94 3 A1-9 人 工挖 地 槽 ( 二 类 土 , 2m 内 ) 公 式: V=(梁 宽 b+0.20m) ×(梁 高 h-室 内 外 高 差 0.30m) ×地 槽 净 长 线 总 长 度 ∑ L ① 计算地 ...

1、当您付费下载文档后,您只拥有了使用权限,并不意味着购买了版权,文档只能用于自身使用,不得用于其他商业用途(如 [转卖]进行直接盈利或[编辑后售卖]进行间接盈利)。
2、本站所有内容均由合作方或网友上传,本站不对文档的完整性、权威性及其观点立场正确性做任何保证或承诺!文档内容仅供研究参考,付费前请自行鉴别。
3、如文档内容存在违规,或者侵犯商业秘密、侵犯著作权等,请点击“违规举报”。

碎片内容

工程量计算表(样本)

您可能关注的文档

确认删除?
VIP
微信客服
  • 扫码咨询
会员Q群
  • 会员专属群点击这里加入QQ群
客服邮箱
回到顶部