电脑桌面
添加小米粒文库到电脑桌面
安装后可以在桌面快捷访问

工程量计量表格VIP免费

工程量计量表格_第1页
1/18
工程量计量表格_第2页
2/18
工程量计量表格_第3页
3/18
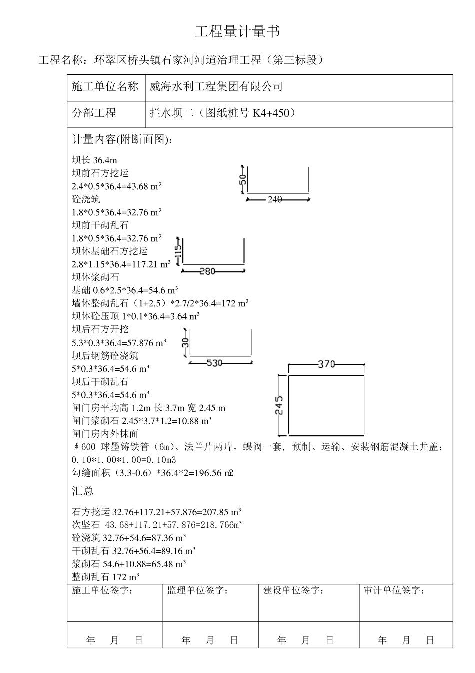
工程量计量书 工程名称:环翠区桥头镇石家河河道治理工程(第三标段) 施工单位名称 威海水利工程集团有限公司 分部工程 拦水坝二(图纸桩号K4+450) 计量内容(附断面图): 坝长36.4m 坝前石方挖运 2.4*0.5*36.4=43.68 m³ 砼浇筑 240 1.8*0.5*36.4=32.76 m³ 坝前干砌乱石 1.8*0.5*36.4=32.76 m³ 坝体基础石方挖运 2.8*1.15*36.4=117.21 m³ 坝体浆砌石 基础0.6*2.5*36.4=54.6 m³ 墙体整砌乱石(1+2.5)*2.7/2*36.4=172 m³ 坝体砼压顶1*0.1*36.4=3.64 m³ 坝后石方开挖 5.3*0.3*36.4=57.876 m³ 坝后钢筋砼浇筑 5*0.3*36.4=54.6 m³ 坝后干砌乱石 5*0.3*36.4=54.6 m³ 闸门房平均高1.2m 长3.7m 宽2.45 m 闸门浆砌石2.45*3.7*1.2=10.88 m³ 闸门房内外抹面 ∮600 球墨铸铁管(6m)、法兰片两片,蝶阀一套, 预制、运输、安装钢筋混凝土井盖:0.10*1.00*1.00=0.10m3 勾缝面积(3.3-0.6)*36.4*2=196.56 m2 汇总 石方挖运32.76+117.21+57.876=207.85 m³ 次坚石 43.68+117.21+57.876=218.766m³ 砼浇筑32.76+54.6=87.36 m³ 干砌乱石32.76+56.4=89.16 m³ 浆砌石54.6+10.88=65.48 m³ 整砌乱石172 m³ 施工单位签字: 监理单位签字: 建设单位签字: 审计单位签字: 年 月 日 年 月 日 年 月 日 年 月 日 工程量计量书 工程名称:环翠区桥头镇石家河河道治理工程(第三标段) 施工单位名称 威海水利工程集团有限公司 分部工程 拦水坝三(图纸桩号K4+700) 计量内容(附断面图): 拦水坝长度35.5m 护坦: 基础挖运土方10.3*35.5*1=365.65 m³ 碎石垫层0.2*9.5*35.5=67.45 m³ 浆砌石0.5*1*35.5+9.5*0.6*35.5=220.1 m³ 消力池: 基础挖运土方8.3*1.2*35.5=353.58 m³ 碎石0.2*8*35.5=56.8 m³ 浆砌石0.3*8*35.5=85.2 m³ 砼: 0.2*8*35.5+0.5*0.5*35.5=65.68 m³ 砼压顶0.1*0.8*35.5=2.84 m³ 拦水坝: 基础挖运土方2.3*1.5*35.5=122.48 m³ 基础浆砌石2*0.6*35.5=42.6 m³ 墙身整砌(0.8+2)*2.4/2*35.5=119.28 m³ 汇总 挖运土方(Ⅳ类土)365.65+353.58+122.48=841.71 m³ 碎石67.45+56.8=124.25 m³ 浆砌石220.1+85.2+42.6=347.9m³ 整砌119.28 m³ 砼65.68+2.84=68.52 m³ 施工单位签字: 监理单位签字: 建设单位签字: 审计单位签字: 年 月 日 年 月 日 年 月 日 年 月 日 工程量计量书 工程名...

1、当您付费下载文档后,您只拥有了使用权限,并不意味着购买了版权,文档只能用于自身使用,不得用于其他商业用途(如 [转卖]进行直接盈利或[编辑后售卖]进行间接盈利)。
2、本站所有内容均由合作方或网友上传,本站不对文档的完整性、权威性及其观点立场正确性做任何保证或承诺!文档内容仅供研究参考,付费前请自行鉴别。
3、如文档内容存在违规,或者侵犯商业秘密、侵犯著作权等,请点击“违规举报”。

碎片内容

工程量计量表格

您可能关注的文档

小辰2+ 关注
实名认证
内容提供者

出售各种资料和文档

确认删除?
VIP
微信客服
  • 扫码咨询
会员Q群
  • 会员专属群点击这里加入QQ群
客服邮箱
回到顶部