电脑桌面
添加小米粒文库到电脑桌面
安装后可以在桌面快捷访问

整改反馈汇报材料VIP免费

整改反馈汇报材料_第1页
1/6
整改反馈汇报材料_第2页
2/6
整改反馈汇报材料_第3页
3/6
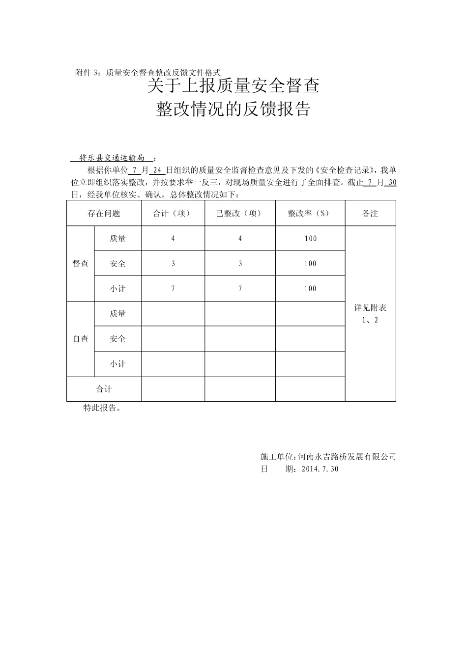
将乐县万全乡至纵七线(南口村)公路工程 B 标段 工程质量安全监督检查 整 改 反 馈 汇 报 材 料 (31) 河南永吉路桥发展有限公司 2014 年 7 月 24 日 附件3:质量安全督查整改反馈文件格式 关于上报质量安全督查 整改情况的反馈报告 将乐县交通运输局 : 根据你单位 7 月 24 日组织的质量安全监督检查意见及下发的《安全检查记录》,我单位立即组织落实整改,并按要求举一反三,对现场质量安全进行了全面排查。截止 7 月 30 日,经我单位核实、确认,总体整改情况如下: 存在问题 合计(项) 已整改(项) 整改率(%) 备注 督查 质量 4 4 100 详见附表1、2 安全 3 3 100 小计 7 7 100 自查 质量 安全 小计 合计 特此报告。 施工单位:河南永吉路桥发展有限公司 日 期:2014.7.30 附表 3-1: 质量问题整改情况汇总表 建设项目:将乐县万全乡至纵七线(南口村)公路工程 建设单位:将乐县交通基础设施建设有限公司 合同段:B 施工单位:河南永吉路桥发展有限公司 监理单位:福建新东南工程建设监理有限公司 第 页共 页 序号 检查 类别 存在问题 整改结果 施工单位 责任人 监理单位 责任人 建设单位 责任人 备注 1 督查 加强路基临时排水沟的设置,做好将溪中桥防台防护措施 已整改 2 高温施工应急措施 已整改 3 K17+000~K18+000 段挡墙及护肩墙墙背回填材料使用土及块石回填 已整改 4 项目部水渠段未防护及设立导向标志 已整改 自查 说明 质量问题 4 项,已整改 4 项,整改率 100 %。 建设单位负责人: 监理单位负责人: 施工单位负责人:附表3-2: 安全内业问题整改情况汇总表 建设项目:将乐县万全乡至纵七线(南口村)公路工程 建设单位:将乐县交通基础设施建设有限公司 合同段:B 合同段 施工单位:河南永吉路桥发展有限公司 监理单位:福建新东南工程建设监理有限公司 第 页共 页 序号 检查 类别 存在问题 整改结果 施工单位 责任人 监理单位 责任人 建设单位 责任人 备注 1 督查 未按照施工进度的要求做好质保内页及相关试验资料的整理 已整改 2 《三明市交通基本建设质量监督站质量安全监督抽查意见通知书》(2 0 1 4 -3 7 )整改未到位 已整改 3 《三明市交通基本建设质量监督站质量安全监督抽查意见通知书》(2 0 1 4 -1 9 )整改材料未上报 已整改 自查 说明 安全问题...

1、当您付费下载文档后,您只拥有了使用权限,并不意味着购买了版权,文档只能用于自身使用,不得用于其他商业用途(如 [转卖]进行直接盈利或[编辑后售卖]进行间接盈利)。
2、本站所有内容均由合作方或网友上传,本站不对文档的完整性、权威性及其观点立场正确性做任何保证或承诺!文档内容仅供研究参考,付费前请自行鉴别。
3、如文档内容存在违规,或者侵犯商业秘密、侵犯著作权等,请点击“违规举报”。

碎片内容

整改反馈汇报材料

您可能关注的文档

确认删除?
VIP
微信客服
  • 扫码咨询
会员Q群
  • 会员专属群点击这里加入QQ群
客服邮箱
回到顶部