电脑桌面
添加小米粒文库到电脑桌面
安装后可以在桌面快捷访问

消防安全评估检查记录VIP免费

消防安全评估检查记录_第1页
1/18
消防安全评估检查记录_第2页
2/18
消防安全评估检查记录_第3页
3/18
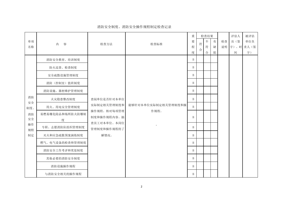
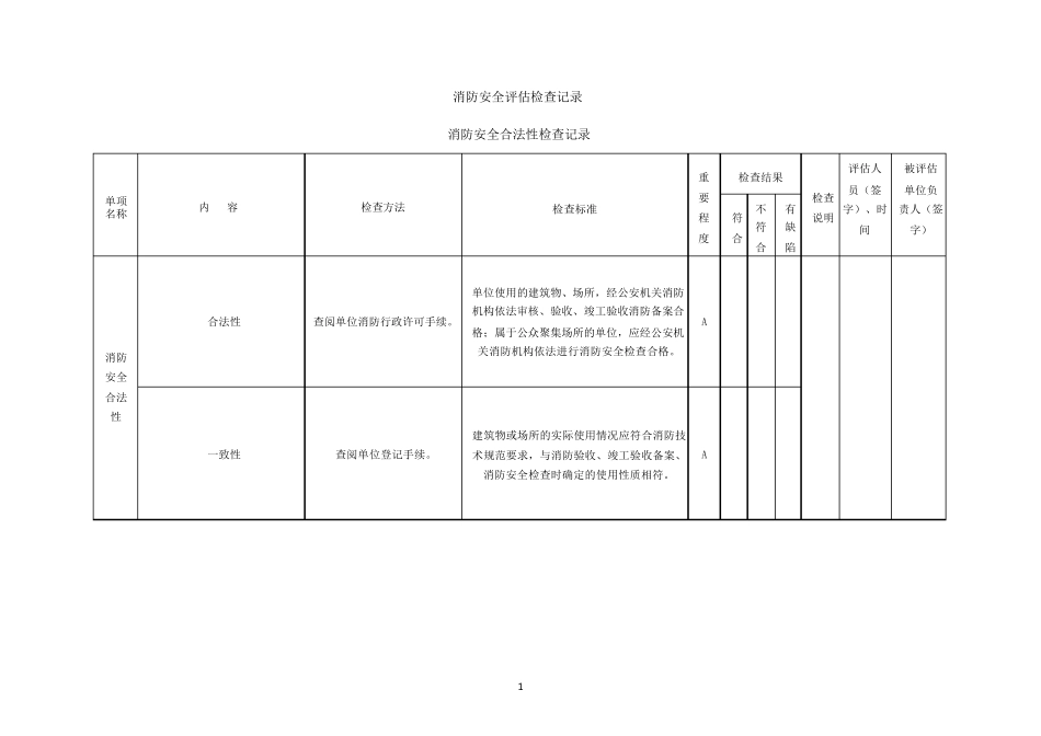
1 消防安全评估检查记录 消防安全合法性检查记录 单项 名称 内 容 检查方法 重 检查结果 评估人 被评估 要 检查 员(签 单位负 检查标准 符 不 有 字)、时 责人(签 程 说明 符 缺 度 合 间 字) 合 陷 单位使用的建筑物、场所,经公安机关消防 合法性 查阅单位消防行政许可手续。 机构依法审核、验收、竣工验收消防备案合 A 格;属于公众聚集场所的单位,应经公安机 消防 关消防机构依法进行消防安全检查合格。 安全 合法 性 建筑物或场所的实际使用情况应符合消防技 一致性 查阅单位登记手续。 术规范要求,与消防验收、竣工验收备案、 A 消防安全检查时确定的使用性质相符。 2 消防安全制度、消防安全操作规程制定检查记录 重 检查结果 评估人 被评估 单项 要 检查 员(签 单位负 内 容 检查方法 检查标准 符 不 有 名称 程 符 缺 说明 字)、时 责人(签 合 度 合 陷 间 字) 消防安全教育、培训制度 B 防火巡查、检查制度 B 安全疏散设施管理制度 B 消防(控制室)值班制度 B 消防设施、器材维护管理制度 B 消防 火灾隐患整改制度 查阅单位是否针对本单位 B 安全 实际制定相关管理制度和 能够针对本单位实际制定相关管理制度和操 用火、用电安全管理制度 B 制度、 操作规程。核对每项管理 作规程。 消防 易燃易爆危险品和场所防火防爆制 B 制度和操作规程内容。抽 。 安全 度 查员工对本单位、本岗位 操作 专职、志愿消防队组织管理制度 B 规程 管理制度和操作规程的了 灭火和应急疏散预案演练制度 解情况。 B 制定 燃气、电气设备的检查和管理制度 B 消防安全工作考评和奖惩制度 B 其他必要的消防安全制度 B 消防设施操作规程 B 与消防安全相关的操作规程 B 3 消防安全制度、消防安全操作规程落实检查记录 重 检查结果 评估人 被评估 单项 要 检查 员(签 单位负 内 容 检查方法 检查标准 符 不 有 名称 程 符 说明 字)、时 责人(签 合 缺 度 合 间 字) 陷 查阅单位对消防安全责任人和 明确消防安全责任人、管理人,确定、变更后 3 日内报当地公安机关消防机构备案;熟练掌 管理人任命、明确职责及成立 消防安全责任人和管理人、消防 握自身消防安全职责;人员密集场所、易燃易 消防工作领导机构的正式文 A 工作领导机构 爆危险品企业的消防安全管理人取...

1、当您付费下载文档后,您只拥有了使用权限,并不意味着购买了版权,文档只能用于自身使用,不得用于其他商业用途(如 [转卖]进行直接盈利或[编辑后售卖]进行间接盈利)。
2、本站所有内容均由合作方或网友上传,本站不对文档的完整性、权威性及其观点立场正确性做任何保证或承诺!文档内容仅供研究参考,付费前请自行鉴别。
3、如文档内容存在违规,或者侵犯商业秘密、侵犯著作权等,请点击“违规举报”。

碎片内容

消防安全评估检查记录

确认删除?
VIP
微信客服
  • 扫码咨询
会员Q群
  • 会员专属群点击这里加入QQ群
客服邮箱
回到顶部