电脑桌面
添加小米粒文库到电脑桌面
安装后可以在桌面快捷访问

涵洞工程混凝土抗压强度试验报告(计算程序)VIP免费

涵洞工程混凝土抗压强度试验报告(计算程序)_第1页
1/12
涵洞工程混凝土抗压强度试验报告(计算程序)_第2页
2/12
涵洞工程混凝土抗压强度试验报告(计算程序)_第3页
3/12
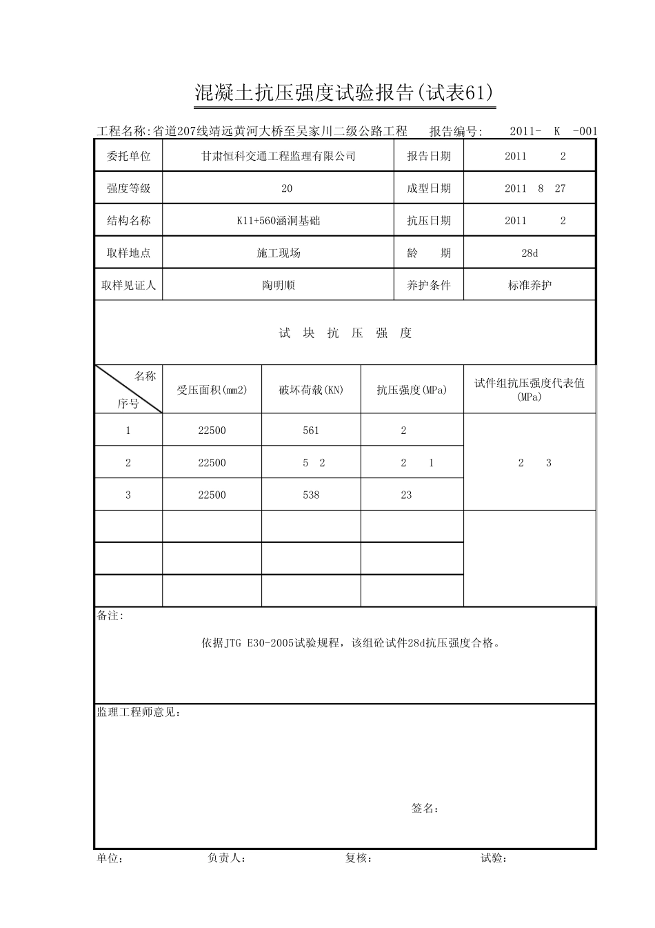
报告编号:单位:委托单位甘肃恒科交通工程监理有限公司报告日期2011.9.24强度等级C20成型日期标准养护取样地点施工现场龄 期28d2011.8.27结构名称K11+560涵洞基础抗压日期2011.9.2422250054224.1取样见证人陶明顺养护条件32250053823.9试 块 抗 压 强 度1 名称序号受压面积(mm2)破坏荷载(KN)24.3抗压强度(MPa)2250056124.9试件组抗压强度代表值(MPa)试验:混凝土抗压强度试验报告(试表61)工程名称:省道207线靖远黄河大桥至吴家川二级公路工程2011-HKQ-001备注: 依据JTG E30-2005试验规程,该组砼试件28d抗压强度合格。监理工程师意见: 签名:负责人:复核:报告编号:单位:2011.9.25强度等级C20成型日期2011.8.28混凝土抗压强度试验报告(试表61)工程名称:省道207线靖远黄河大桥至吴家川二级公路工程2011-HKQ-002委托单位甘肃恒科交通工程监理有限公司报告日期取样地点施工现场龄 期28d结构名称K11+188涵洞基础抗压日期2011.9.25试件组抗压强度代表值(MPa)取样见证人陶明顺养护条件标准养护试 块 抗 压 强 度 名称序号受压面积(mm2)破坏荷载(KN)抗压强度(MPa)23.822250053623.812250054624.332250052723.4备注: 依据JTG E30-2005试验规程,该组砼试件28d抗压强度合格。监理工程师意见: 签名:负责人:复核:试验:报告编号:单位:工程名称:省道207线靖远黄河大桥至吴家川二级公路工程2011-HKQ-003委托单位甘肃恒科交通工程监理有限公司报告日期2011.10.2结构名称K11+260涵洞基础抗压日期2011.10.2强度等级C20成型日期2011.9.4取样见证人陶明顺养护条件标准养护取样地点施工现场龄 期28d试 块 抗 压 强 度 名称序号受压面积(mm2)破坏荷载(KN)抗压强度(MPa)试件组抗压强度代表值(MPa)2250054524.224.232250053823.922250054924.41混凝土抗压强度试验报告(试表61)备注: 依据JTG E30-2005试验规程,该组砼试件28d抗压强度合格。监理工程师意见: 签名:负责人:复核:试验:报告编号:单位:2011.10.5强度等级C25成型日期2011.9.7混凝土抗压强度试验报告(试表61)工程名称:省道207线靖远黄河大桥至吴家川二级公路工程2011-HKQ-004委托单位甘肃恒科交通工程监理有限公司报告日期取样地点施工现场龄 期28d结构名称K12+560涵洞基础抗压日期2011.10.5试件组抗压强度代表值(MPa)取样见证人陶明顺养护条件标准养护试 块 抗 压 强 度 名称序号受压面积(mm2)破坏荷载(KN)抗压强度(MPa)31.122250069230.812250070631.432250...

1、当您付费下载文档后,您只拥有了使用权限,并不意味着购买了版权,文档只能用于自身使用,不得用于其他商业用途(如 [转卖]进行直接盈利或[编辑后售卖]进行间接盈利)。
2、本站所有内容均由合作方或网友上传,本站不对文档的完整性、权威性及其观点立场正确性做任何保证或承诺!文档内容仅供研究参考,付费前请自行鉴别。
3、如文档内容存在违规,或者侵犯商业秘密、侵犯著作权等,请点击“违规举报”。

碎片内容

涵洞工程混凝土抗压强度试验报告(计算程序)

您可能关注的文档

确认删除?
VIP
微信客服
  • 扫码咨询
会员Q群
  • 会员专属群点击这里加入QQ群
客服邮箱
回到顶部