电脑桌面
添加小米粒文库到电脑桌面
安装后可以在桌面快捷访问

重大危险源(主要负责、技术负责、作负责)履职内容及核评估表VIP免费

重大危险源(主要负责、技术负责、作负责)履职内容及核评估表_第1页
1/6
重大危险源(主要负责、技术负责、作负责)履职内容及核评估表_第2页
2/6
重大危险源(主要负责、技术负责、作负责)履职内容及核评估表_第3页
3/6
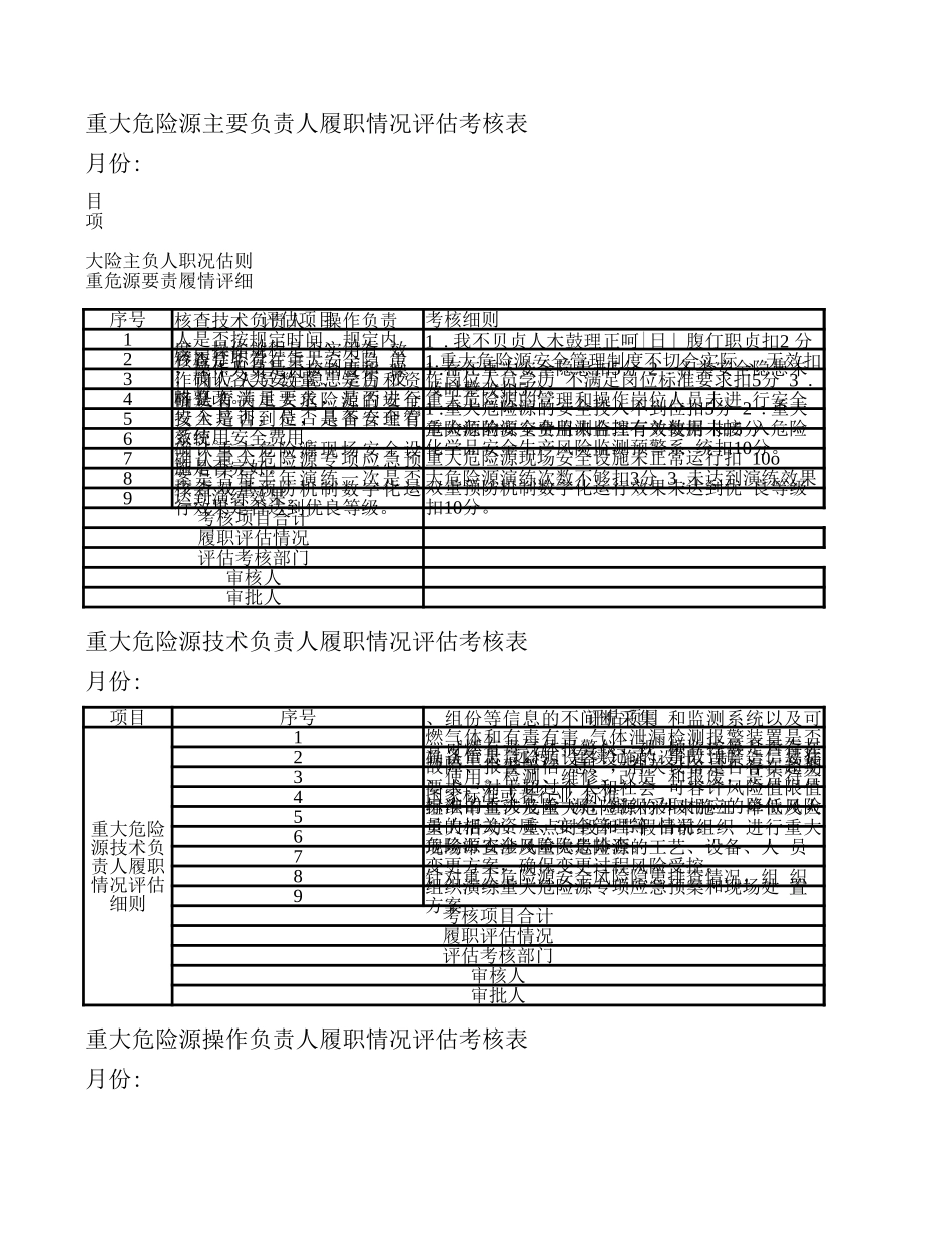
重大危险源主要负责人履职情况评估考核表月份:目项大险主负人职况估则重危源要责履情评细序号评估项目考核细则1核查技术负责人、操作负责 人是否按规定时间、规定内 容履行职责。1 .我不贝贞人木鼓理正呵|日」腹仃职贞扣2 分 2度、操作规程是否实用有 效,操作人员是否按制度和 操1.重大危险源安全管理制度不切合实际 、无效扣3核查是否存在重大安全隐 患,确认各类安全隐患是否 及时整改。1 .存在重大安全隐患扣5分 2 .各类安全隐患未及时整改扣5分。4作岗位人员数量、学历和资 格是否满足要求,是否进行 安全培训,是否具备安全管 作岗位人员学历 不满足岗位标准要求扣5分 3 .重大危险源的管理和操作岗位人员未进 行安全5确认有关重大危险源的安全 投入是否到位,是否合理有 效使用安全费用。1 .重大危险源的安全投入不到位扣5分 2 .重大危险源的安全费用未合理有效使用 扣5分6系统。重大危险源安全监测监控有关数据未接 入危险化学品安全生产风险监测预警系 统扣10分。7确认重大危险源现场安全设 施是否完好。重大危险源现场安全设施未正常运行扣 10o8确认重大危险源专项应急预 案是否每半年演练一次是否 达到演练效果。大危险源演练次数不够扣3分 3 .未达到演练效果9核查双重预防机制数字化运 行效果是否达到优良等级。双重预防机制数字化运行效果未达到优 良等级扣10分。考核项目合计履职评估情况评估考核部门审核人审批人重大危险源技术负责人履职情况评估考核表月份:项目序号评估项目重大危险 源技术负 责人履职 情况评估 细则1、组份等信息的不间断采集 和监测系统以及可燃气体和有毒有害 气体泄漏检测报警装置是否具备信息 远传、连续记录、事故预警、信息存 2、可燃有毒气体报警仪、视 频监控等是否存在故障、报警等信 息、,有关设备是否存在超期3确认重大危险源设备设施的设计、制 造、安装、使用。检测、维修、改造 和报废,是否符合国家标准或者行业 标准。4要求。对于超过个人和社会 可容许风险值限值标准的重大危险 源,组织采取相应的降低风险5组织审查涉及重大危险源的外来施工 单位及人员的相关资质、安全管理等 情况。6重大活动、重点时段和节假日前组织 进行重大危险源安全风险隐患排查。7现场审查涉及重大危险源的工艺、设备、人 员变更方案,确保变更过程风险受控。8针对重大危险源安全风险隐患排查情况,组 织9组织演练重大危险源专项应急预案和现场处 置方案考...

1、当您付费下载文档后,您只拥有了使用权限,并不意味着购买了版权,文档只能用于自身使用,不得用于其他商业用途(如 [转卖]进行直接盈利或[编辑后售卖]进行间接盈利)。
2、本站所有内容均由合作方或网友上传,本站不对文档的完整性、权威性及其观点立场正确性做任何保证或承诺!文档内容仅供研究参考,付费前请自行鉴别。
3、如文档内容存在违规,或者侵犯商业秘密、侵犯著作权等,请点击“违规举报”。

碎片内容

重大危险源(主要负责、技术负责、作负责)履职内容及核评估表

最好的沉淀+ 关注
实名认证
内容提供者

行业文档

确认删除?
VIP
微信客服
  • 扫码咨询
会员Q群
  • 会员专属群点击这里加入QQ群
客服邮箱
回到顶部