电脑桌面
添加小米粒文库到电脑桌面
安装后可以在桌面快捷访问

岩土工程勘察现场工作必备基础知识自己总结VIP免费

岩土工程勘察现场工作必备基础知识自己总结_第1页
1/10
岩土工程勘察现场工作必备基础知识自己总结_第2页
2/10
岩土工程勘察现场工作必备基础知识自己总结_第3页
3/10
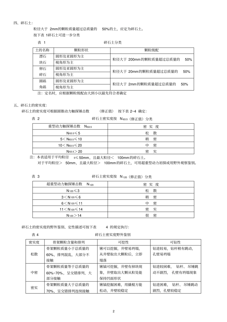
1 岩土工程勘察现场工作必备基础知识土部分土的颗粒级配:指土中各粒组的相对含量,通常用各粒组占土粒总质量(干土质量)的百分数表示。由土的累积曲线的形态,可以看出各粒组的分布规律,可以大致判断土的均匀程度与分选型。曲线平缓,说明土颗粒大小相差悬殊,土颗粒不均匀,分选差,级配良好;曲线较陡,则说明土颗粒大小相差不多,土颗粒较均匀,分选性较好,级配不良;塑限( W P):粘性土由固态转变到塑态的界限含水量,称为塑限(wP);液限( W L):粘性土由塑态转变到流态的界限含水量,称为液限(wL );塑性指数 (I P):由于粘性土的可塑性是含水量介于液限与塑限之间表现出来的,故粘性土可塑性的强弱可由这两个稠度界限的差值大小反映,此差值称为塑性指数I P ;即: I P= W L- WP液性指数( I L):判别自然界中粘性土的稠度状态,通常采用液性指数(I L)。IL = (W-W P) / (W L-W P) 液性指数 ILIL≤00<IL≤0.250.25<I L≤0.750.75<I L≤1.00I L>1.00稠度状态坚硬硬塑可塑软塑流塑土的分类和鉴定一、土的鉴定应在现场描述的基础上,结合室内试验的开土记录和试验结果综合确定。土的描述应符合下列规定:1 碎石土应描述颗粒级配、颗粒形状、颗粒排列、母岩成分、风化程度、充填物的性质和充填程度、密实度等;2 砂土应描述颜色、矿物组成、颗粒级配、颗粒形状、粘粒含量、湿度、密实度等;3 粉土应描述颜色、包含物、湿度、密实度、摇震反应、光泽反应、干强度、韧性等;4 粘性土应描述颜色、状态、包含物、光泽反应、干强度、韧性、土层结构等;5 特殊性土除应描述上述相应土类规定的内容外,尚应描述其特殊成分和特殊性质;如对淤泥尚需描述嗅味,对填土尚需描述物质成分、堆积年代、密实度和厚度的均匀程度等;6 对具有互层、夹层、夹薄层特征的土,尚应描述各层的厚度和层理特征。二、土按颗粒级配或塑性指数进行分类可分为以下4种:1 碎石土:粒径大于2mm的颗粒质量超过总质量的50%的土;2 砂土:粒径大于 2mm的颗粒质量不超过总质量的50%,粒径大于 0.075mm的颗粒质量超过总质量的50%的土;3 粉土:粒径大于 0.075mm的颗粒质量不超过总质量的50%,且塑性指数 Ip ≤10的土;4 粘性土:粒径大于0.075mm的颗粒质量不超过总质量的50%,且塑性指数 Ip >10的土;粉质粘土:塑性指数Ip >10,且 Ip ≤17的土;粘性土:粘土:塑性指数 Ip >17的土;注:塑性指数应由相...

1、当您付费下载文档后,您只拥有了使用权限,并不意味着购买了版权,文档只能用于自身使用,不得用于其他商业用途(如 [转卖]进行直接盈利或[编辑后售卖]进行间接盈利)。
2、本站所有内容均由合作方或网友上传,本站不对文档的完整性、权威性及其观点立场正确性做任何保证或承诺!文档内容仅供研究参考,付费前请自行鉴别。
3、如文档内容存在违规,或者侵犯商业秘密、侵犯著作权等,请点击“违规举报”。

碎片内容

岩土工程勘察现场工作必备基础知识自己总结

确认删除?
VIP
微信客服
  • 扫码咨询
会员Q群
  • 会员专属群点击这里加入QQ群
客服邮箱
回到顶部