电脑桌面
添加小米粒文库到电脑桌面
安装后可以在桌面快捷访问

SMC比例阀ITV使用说明书VIP免费

SMC比例阀ITV使用说明书_第1页
1/8
SMC比例阀ITV使用说明书_第2页
2/8
SMC比例阀ITV使用说明书_第3页
3/8
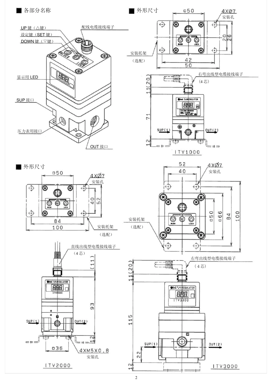
1ITV1000-※ 1 ITV2000-※ 1 ITV3000-※ 1 (模 拟 输 出 /电 压 型 ) 使 用 说 明 书 值 此 , 谨 对 您 选 购 SMC 公 司 的 产 品 表 示 诚 挚 的 谢 意 。 请 仔 细 阅 读 本 使 用 说 明 书 , 相 信 必 将 有 助 于 您正 确 使 用 本 产 品 。 为 以 防 万 一 , 请 您 一 定 好 好 保 管 此 说 明 书 。 安 全 注 意 事 项 这 里 所 描 述 到 的 , 是 提 请 您 正 确 安 全 的 使 用 本 产 品 , 以 防 止 对 您 自 身 和 他 人 造 成 危 害 和 损 害 的 各 种注 意 事 项 。 请 结 合 ISO 4414, JIS B 8370 以 及 其 他 的 相 关 安 全 规 则 , 务 必 遵 守 。 注 意 : 错 误 操 作 本 产 品 时 , 可 能 会 造 成 人 员 伤 害 , 以 及 导 致 设 备 损 坏 的 情 况 。 注 意 关 于 配 管 1. 请 将 配 管 用 空 气 吹 净 或 清 洗 干 净 , 以 除 去 配 管 内 的 切 屑 , 切 削 油 及 杂质等。 2. 将 配 管 和 管 接头拧紧时 , 请 注 意 勿将 配 管 的 螺纹切 屑 及 密封材混入配 管 中。 另需强调, 使 用 密封胶带包卷管 接头螺纹时 , 请 在螺纹先端留出 1.5~2 个螺距的 空 间。 注 意 关 于 压 缩气 源 1. 在靠近本 产 品 的 供气 侧, 请 选 择安 装过滤精度在5μm 以 下的 空 气 过滤器。 2. 压 缩空 气 若含有 大量的 水分, 将 导 致 本 产 品 及 其 他 的 气 动元件作 动不良。 请 实施相 应对 策,诸如设 置后冷却器, 空 气 干 燥器, 水分分离器等。 3. 在本 产 品 内 部大量附着由空 气 压 缩机所 产 生的 碳粉时 , 将 导 致 其 作 动不良。 ! ! ! 2 各部分名称 外形尺寸 配线电缆接线端子 安装托架外形尺寸 安装孔 安装孔 UP 键(△键) 设定键(SET 键) DOW N 键(▽键) 显示用 LED SUP 接口 OUT 接口 压力表用接口 安装托架(选配) 右弯出线型电缆接线端子 (4 芯) (选配) 安装托架(选配) 右弯出线型电缆接线端子 直线出线型电缆接线端子 (4芯) (4 芯) 安装孔 安装孔 3■ 规格 供给压力...

1、当您付费下载文档后,您只拥有了使用权限,并不意味着购买了版权,文档只能用于自身使用,不得用于其他商业用途(如 [转卖]进行直接盈利或[编辑后售卖]进行间接盈利)。
2、本站所有内容均由合作方或网友上传,本站不对文档的完整性、权威性及其观点立场正确性做任何保证或承诺!文档内容仅供研究参考,付费前请自行鉴别。
3、如文档内容存在违规,或者侵犯商业秘密、侵犯著作权等,请点击“违规举报”。

碎片内容

SMC比例阀ITV使用说明书

确认删除?
VIP
微信客服
  • 扫码咨询
会员Q群
  • 会员专属群点击这里加入QQ群
客服邮箱
回到顶部