电脑桌面
添加小米粒文库到电脑桌面
安装后可以在桌面快捷访问

主要材料损耗表VIP免费

主要材料损耗表_第1页
1/6
主要材料损耗表_第2页
2/6
主要材料损耗表_第3页
3/6
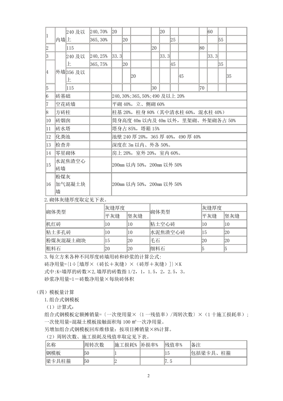
1 2.主要材料超运距取定,主要材料的超运距取定见下表。 材料名称 用途 超运距(m) 材料名称 用途 超运距(m) 机红砖 砌筑 120 砂浆 砌筑 130 砂子 砌筑 30 加气混凝土 砌筑 120 混凝土 现浇构件 140 石子 现浇构件 30 砂子 现浇构件 30 钢筋 250 门扇 厂库房大门 70 各种卷材 防水 150 玛蹄脂 防水 80 油膏 防水 80 聚苯板 保温 200 模板 模板 220 (二)材料消耗量的确定 1.主要材料损耗率见下表。 材料名称 用途 损耗率(%) 材料名称 用途 损耗率(%) 机红砖 基础 0.5 机红砖 实砖墙 2.0 机红砖 烟囱 4.0 粘土多孔砖 墙 2.0 粉煤灰加气混凝土砌块 墙 7.0 砂浆 砖砌体 1.0 砂浆 多孔砖墙 1.0 砂浆 加气混凝土墙 2.0 混凝土 现浇构件 1.5 混凝土 构筑物 2.0 工程用水 15 套筒 钢筋机械连接 10 框、扇锯材 厂库房大门 6 玻璃 厂库房大门 15 胶合板 厂库房大门 15 电焊条 厂库房大门 12 方材 木结构 6 圆木 木结构 5 钢材 钢结构 6 卷材 防水 1 玛蹄脂 防水 6 油膏 防水 6 聚苯板 保温 5 (3)机械石方定额岩石强度系数(f)综合权数的取定,详见下表。 岩石分类 松、次坚石(Ⅴ一Ⅷ类) 普坚石(Ⅸ一Ⅹ类) 特坚石(Ⅺ一ⅩⅥ类) 强度系数(f) 1.5-2 2-4 4-6 6-8 8-10 10-12 12-14 14-16 权 数 15 15 40 30 30 70 30 70 二、定额编制因素的确定 1.墙体厚度及其他砌体综合权数的取定,见下表。 序号 项目 综合权数% 综合权数取定比例(%) 双面清水墙 单面清水墙 混水墙 240 365 490 及以上 115 240 365 490 及以上 115 240 365 490 及以上 2 1 内墙 240 及以上 240,70% 20 20 60 365,30% 20 25 55 2 115 20 80 3 外墙 240 及以上 240,25% 33.3 33.3 33.3 4 365,75% 20 45 35 356 及以上 20 45 35 5 115 30 70 6 砖基础 240,30%;365,50%;490 及以上20% 7 空花砖墙 平砌40%,立、侧砌60% 8 方砖柱 柱基20%,柱身80%(其中清水柱60%,混水柱40%) 10 砖烟囱 筒身高度40m 以内及40m 以外,里架砌、外架砌各占50% 11 砖水塔 塔身占85%,塔箱15% 12 化粪池 池壁240 厚20%,365 厚40%,490 厚40% 13 检查井 深度在3m 以内、外各50%。 14 零星砌体 房上20%,室外20%,室内60%。 15 水泥焦渣空...

1、当您付费下载文档后,您只拥有了使用权限,并不意味着购买了版权,文档只能用于自身使用,不得用于其他商业用途(如 [转卖]进行直接盈利或[编辑后售卖]进行间接盈利)。
2、本站所有内容均由合作方或网友上传,本站不对文档的完整性、权威性及其观点立场正确性做任何保证或承诺!文档内容仅供研究参考,付费前请自行鉴别。
3、如文档内容存在违规,或者侵犯商业秘密、侵犯著作权等,请点击“违规举报”。

碎片内容

主要材料损耗表

您可能关注的文档

确认删除?
VIP
微信客服
  • 扫码咨询
会员Q群
  • 会员专属群点击这里加入QQ群
客服邮箱
回到顶部