电脑桌面
添加小米粒文库到电脑桌面
安装后可以在桌面快捷访问

蒸压加气混凝土砌块砌筑技术交底VIP免费

蒸压加气混凝土砌块砌筑技术交底_第1页
1/6
蒸压加气混凝土砌块砌筑技术交底_第2页
2/6
蒸压加气混凝土砌块砌筑技术交底_第3页
3/6
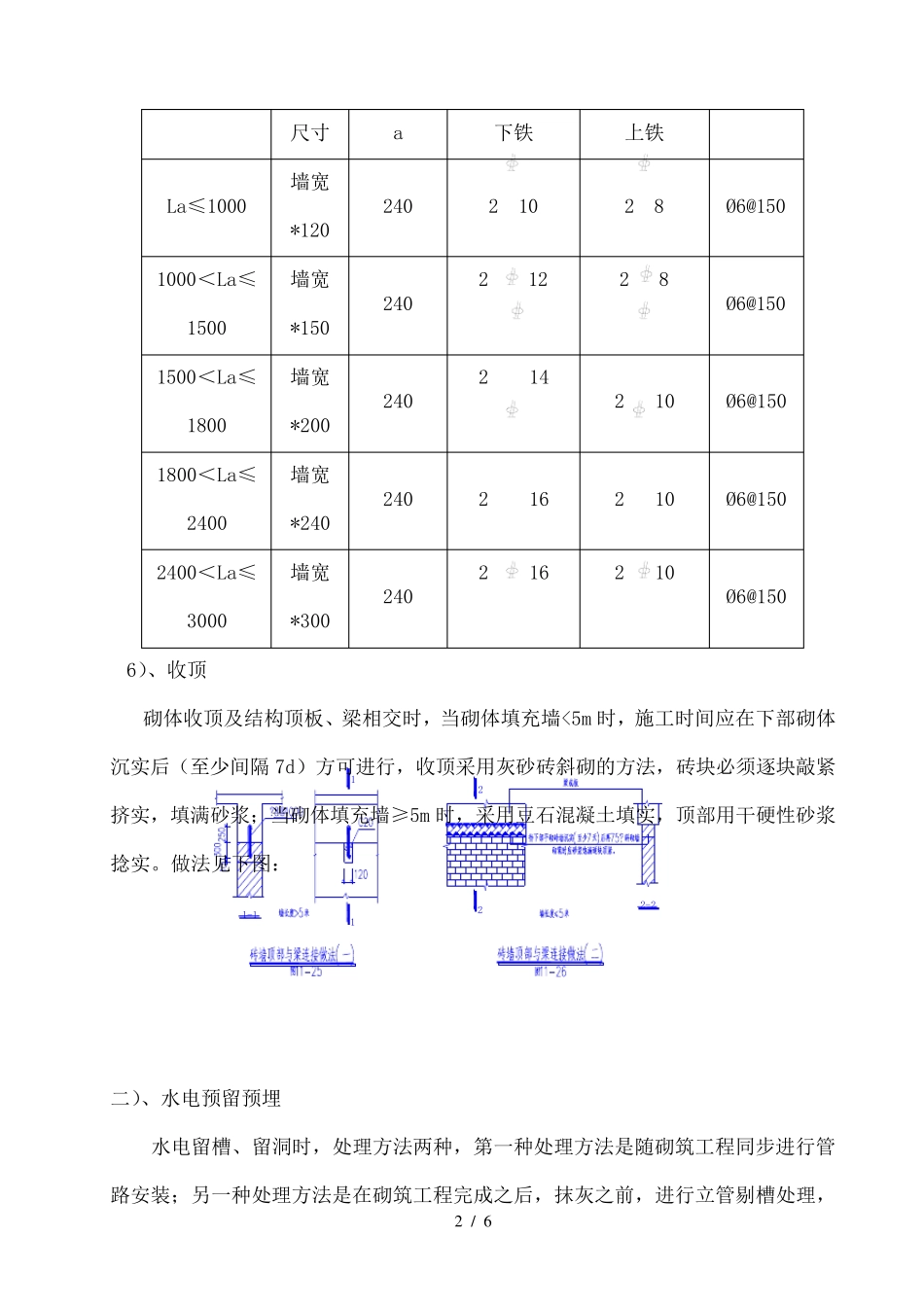
0 / 6 一、施工准备 一)、技术准备 1)、施工测量:每层楼面要弹出轴线、墙身线、水平系梁位置线、拉结筋位置线、门洞口位置线、管道预留洞位置及标高线(建筑500mm 控制线);所有测量施工线必须经复核符合设计图纸要求,并做好预检及验收手续。 2)、提前做好加气混凝土砌块的选样及时报送监理、业主审核封样等工作。 3)、做好进场材料复试工作,不合格材料严禁用于本工程。 二)、材料、机具准备 1)、砌筑用具:磅秤、手推车、胶皮管、5mm 筛子、铁锹、灰桶、喷水壶、皮数杆、托线板、线坠、水平尺、小白线、瓦刀、大铲、铁锨工具袋等。 2)、每区主要施工机械设备:施工电梯2 台、电焊机1 台、冲击钻等。 3)、材料准备:根据施工图纸计算A3.5、B06 蒸压加气混凝土砌块每层工程量,进行定货采购,提前及厂家签定供货合同,蒸压加气混凝土砌块采用砌筑粘结砂浆,强度为M7.5。砌筑前做好抽样复试工作,确保砌体材料符合要求及工程施工顺利进行。 二、施工操作工艺及主要做法要求 一)、 加气混凝土砌块砌筑 1)、加气混凝土砌块施工流程: 楼面测量放线→构造柱植筋→加气块排砖→加气块砌筑(水电管预埋)→水平系梁、过梁钢筋、支模→浇筑混凝土→二次找补砌筑→拆模清理→质量验收。 2)加气块砌筑: 立皮数杆(采用30mm×40mm 木料制作,一般距墙皮或墙角50mm 为宜,皮数杆应垂直、牢固、标高一致),确定门顶过梁、水平系梁、窗台、砌块皮数的高度。1 / 6 每层开始时从转角处或十字转角处开始,用专用铺灰器铺浆均匀,安装砌块时放平、放正,每层均拉线控制砌体标高和砌块平整度。砌块砌筑时,应上、下错缝,搭接长度不易小于砌块长度的1/3。砌筑粘结砂浆水平灰缝及竖向灰缝宽为3~5mm,墙端在构造柱部位留马牙槎,马牙槎的高度为200mm(一皮砖高),长度为60mm,马牙槎先退后进。 3)、加气块结构造施工 水平系梁、墙体拉结筋等及主体结构的拉结采用结构植筋专用胶锚固做法,按照图集规定要求植筋深度为10d,植筋专用胶要由厂家提供相应材质证明,并按规定进行施工试验。 4)、加气块墙体构造柱、圈梁及水平系梁的设置 圈梁、水平系梁的混凝土强度等级除注明者外为C30。加气块墙体在通风道及管道井部位,构造柱不需设置;在楼梯部位墙体需按要求设置墙厚*240 构造柱。墙厚小于或等于100mm 厚,构造柱配筋为2 Ø12 钢筋,箍筋为S 钩。 墙墙高>3.6m 时,应在中部设置钢筋圈梁,断面为墙厚*120 高,...

1、当您付费下载文档后,您只拥有了使用权限,并不意味着购买了版权,文档只能用于自身使用,不得用于其他商业用途(如 [转卖]进行直接盈利或[编辑后售卖]进行间接盈利)。
2、本站所有内容均由合作方或网友上传,本站不对文档的完整性、权威性及其观点立场正确性做任何保证或承诺!文档内容仅供研究参考,付费前请自行鉴别。
3、如文档内容存在违规,或者侵犯商业秘密、侵犯著作权等,请点击“违规举报”。

碎片内容

蒸压加气混凝土砌块砌筑技术交底

确认删除?
VIP
微信客服
  • 扫码咨询
会员Q群
  • 会员专属群点击这里加入QQ群
客服邮箱
回到顶部