电脑桌面
添加小米粒文库到电脑桌面
安装后可以在桌面快捷访问

0102北京SOHO现代城地下室底板施工方案VIP免费

0102北京SOHO现代城地下室底板施工方案_第1页
1/36
0102北京SOHO现代城地下室底板施工方案_第2页
2/36
0102北京SOHO现代城地下室底板施工方案_第3页
3/36
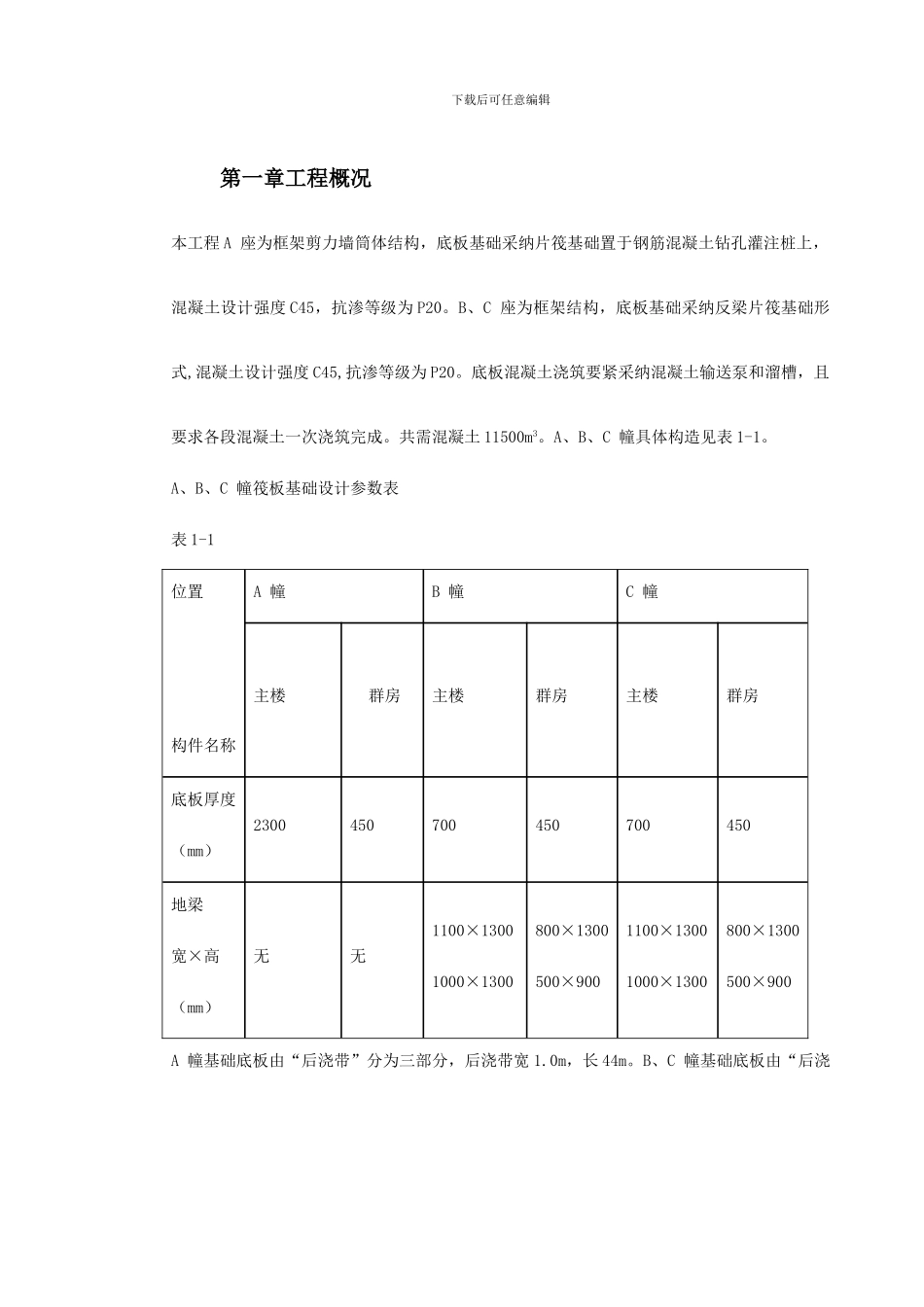
下载后可任意编辑0102 北京 SOHO 现代城地下室底板施工方案第二章 底板施工部署............................................................3第三章 要紧施工方法和技术措施..................................................5第五章 质量保证具体措施.......................................................30第七章 文明施工措施...........................................................35第八章 基础底板所需材料统计表.................................................35下载后可任意编辑第一章工程概况本工程 A 座为框架剪力墙筒体结构,底板基础采纳片筏基础置于钢筋混凝土钻孔灌注桩上,混凝土设计强度 C45,抗渗等级为 P20。B、C 座为框架结构,底板基础采纳反梁片筏基础形式,混凝土设计强度 C45,抗渗等级为 P20。底板混凝土浇筑要紧采纳混凝土输送泵和溜槽,且要求各段混凝土一次浇筑完成。共需混凝土 11500m3。A、B、C 幢具体构造见表 1-1。A、B、C 幢筏板基础设计参数表表 1-1 位置构件名称A 幢B 幢C 幢主楼群房主楼群房主楼群房底板厚度(mm)2300450700450700450地梁宽×高(mm)无无1100×13001000×1300800×1300500×9001100×13001000×1300800×1300500×900A 幢基础底板由“后浇带”分为三部分,后浇带宽 1.0m,长 44m。B、C 幢基础底板由“后浇下载后可任意编辑带”分为两部分,后浇带宽 1.0m,长 66m。底板混凝土浇筑要紧采纳混凝土输送泵和溜槽,且要求各段混凝土一次连续浇筑完成。底板下为 PVC 防水层,由于底板平面形状复杂,超厚、钢筋密、坑井多,且现场场地狭窄,可利用面积小,给施工增加了难度。第二章底板施工部署(一)现场平面布置在筏基底板施工时在场地布置三台(1 号、3 号、4 号)塔吊,以解决底板施工部分材料的运输。由于现场场地狭窄,底板钢筋加工拟采纳场内与场外相结合。场内钢筋在坑内垫层上加工,其余钢筋加工在场外工厂场地进行,并采纳分区域、分部位进行绑扎分类,按现场需用由专车运入现场,满足工程需要。(二)劳动力及设备组织本工程平面面积较大,工程量较大,需各种劳动力数量较多。在垫层与底板施工时期,针对底板厚度大、一次浇筑量大、交通困难、现场场地狭窄等特点,并结合底板抗裂缝的施工设计将底板钢筋与混凝土实行分三段的施工的方法,另外依照现场工程具体情形,在满足技术要求条件下,对施工段可做适当调整,以利于底板加快施工...

1、当您付费下载文档后,您只拥有了使用权限,并不意味着购买了版权,文档只能用于自身使用,不得用于其他商业用途(如 [转卖]进行直接盈利或[编辑后售卖]进行间接盈利)。
2、本站所有内容均由合作方或网友上传,本站不对文档的完整性、权威性及其观点立场正确性做任何保证或承诺!文档内容仅供研究参考,付费前请自行鉴别。
3、如文档内容存在违规,或者侵犯商业秘密、侵犯著作权等,请点击“违规举报”。

碎片内容

0102北京SOHO现代城地下室底板施工方案

确认删除?
VIP
微信客服
  • 扫码咨询
会员Q群
  • 会员专属群点击这里加入QQ群
客服邮箱
回到顶部