电脑桌面
添加小米粒文库到电脑桌面
安装后可以在桌面快捷访问

02组织机构与职责VIP免费

02组织机构与职责_第1页
1/3
02组织机构与职责_第2页
2/3
02组织机构与职责_第3页
3/3
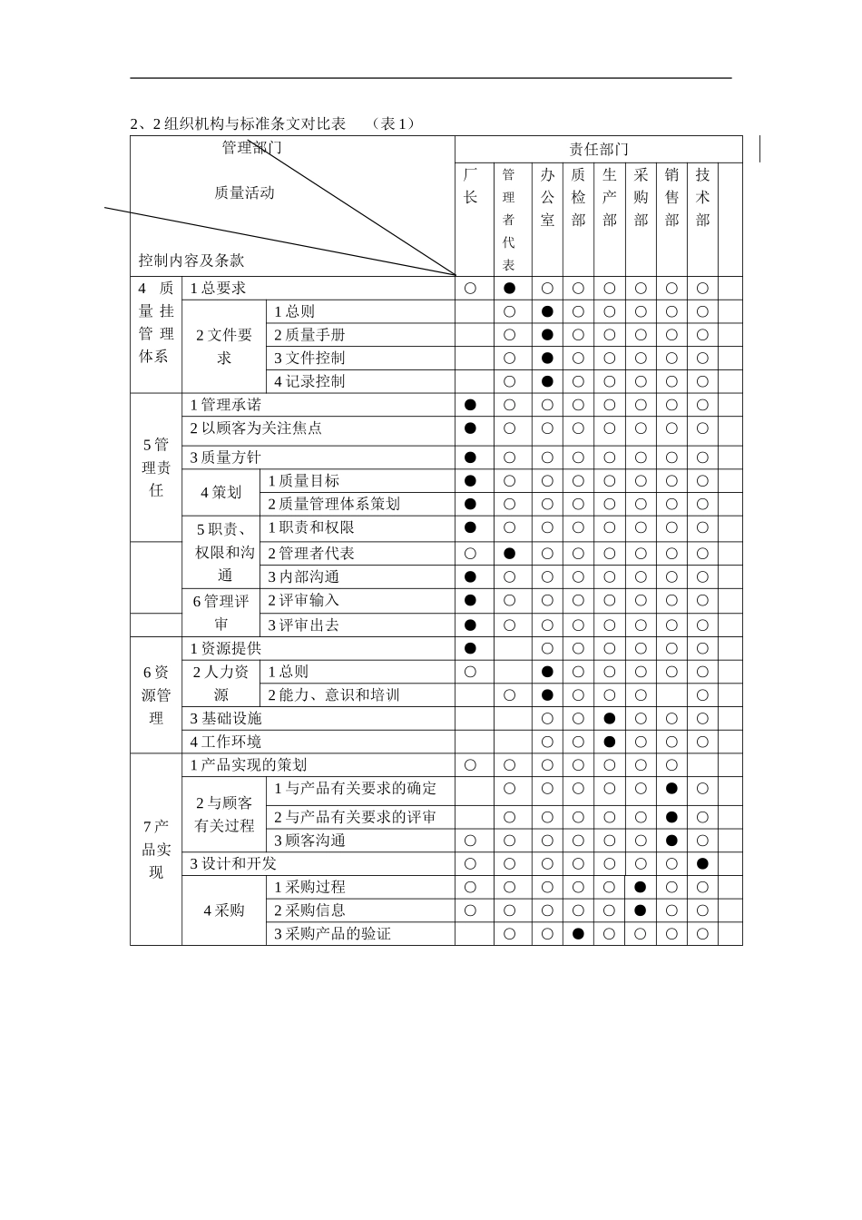
2、1 组织机构图董事长厂长技术部管理者代表采购部生产部办公室销售部质检部仓库生产车间仓库2、2 组织机构与标准条文对比表 (表 1) 管理部门质量活动控制内容及条款责任部门厂长管理者代表办公室质检部生产部采购部销售部技术部4质量 挂管 理体系1 总要求○●○○○○○○2 文件要求1 总则○●○○○○○2 质量手册○●○○○○○3 文件控制○●○○○○○4 记录控制○●○○○○○5 管理责任1 管理承诺●○○○○○○○2 以顾客为关注焦点●○○○○○○○3 质量方针●○○○○○○○4 策划1 质量目标●○○○○○○○2 质量管理体系策划●○○○○○○○5 职责、权限和沟通1 职责和权限●○○○○○○○2 管理者代表○●○○○○○○3 内部沟通●○○○○○○○6 管理评审2 评审输入●○○○○○○○3 评审出去●○○○○○○○6 资源管理1 资源提供●○○○○○○2 人力资源1 总则○●○○○○○2 能力、意识和培训○●○○○○3 基础设施○○●○○○4 工作环境○○●○○○7 产品实现1 产品实现的策划○○○○○○○2 与顾客有关过程1 与产品有关要求的确定○○○○○●○2 与产品有关要求的评审○○○○○●○3 顾客沟通○○○○○○●○3 设计和开发○○○○○○○●4 采购1 采购过程○○○○○●○○2 采购信息○○○○○●○○3 采购产品的验证○○●○○○○下载后可任意编辑 (表 2) 管理部门质量活动控制内容及条款责任部门厂长管理者代表办公室质检部生产部采购部销售部技术部7产品实现5 生产和服务提供1 生产和服务提供控制○○●○○○2 生产和提供过程的确认○○○○●○○○3 标识和可追溯性○●○○○○4 顾客财产○○○○○○●○5 产品防护○○●○○○6 监视和测量装置的控制○●○○○○8测量分析和改进1 总则●○○○○○○2 监视和测量1 顾客满意○○○○○○●○2 内部审核○●○○○○○○3 过程的监视和测量○○●○○○○4 产品的监视和测量○○●○○○○3 不合格品的控制○○○●○○○○4 数据分析●○○○○○○5改进1 持续改进○●○○○○○○2 纠正措施○●○○○○○○4 预防措施○●○○○○○○

1、当您付费下载文档后,您只拥有了使用权限,并不意味着购买了版权,文档只能用于自身使用,不得用于其他商业用途(如 [转卖]进行直接盈利或[编辑后售卖]进行间接盈利)。
2、本站所有内容均由合作方或网友上传,本站不对文档的完整性、权威性及其观点立场正确性做任何保证或承诺!文档内容仅供研究参考,付费前请自行鉴别。
3、如文档内容存在违规,或者侵犯商业秘密、侵犯著作权等,请点击“违规举报”。

碎片内容

02组织机构与职责

您可能关注的文档

确认删除?
VIP
微信客服
  • 扫码咨询
会员Q群
  • 会员专属群点击这里加入QQ群
客服邮箱
回到顶部