电脑桌面
添加小米粒文库到电脑桌面
安装后可以在桌面快捷访问

13工程设计管理制度VIP免费

13工程设计管理制度_第1页
1/6
13工程设计管理制度_第2页
2/6
13工程设计管理制度_第3页
3/6
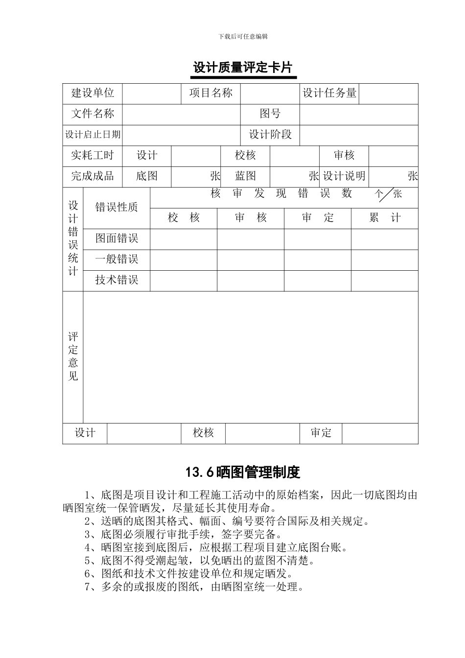
下载后可任意编辑13.1 设计岗位责任制度 1、公司设计工作在总工程师领导下,由设计部门具体负责主管设计工作的部门负责人具体负责设计方面的日常工作。 2、总工程师对工程设计是否符合国家技术政策、经济政策是否符合国家设计法律规范和设计原则负责。 3、主管设计的部门负责人,对工程设计的基本原理、基本结构、基本功能以及合理性负责,同时对工程设计总图、系统图、设计说明进行审定。 4、项目设计组长,是组织某个工程项目设计的具体负责人,对工程项目设计性能、主要结构、主要原理和技术要求以及工程项目设计图纸的完整性、统一性负责。 5、工程项目设计员是直接进行工程设计工作的主要负责人,对工程项目设计的性能、结构、主要计算、主要部位的设计结构和技术要求、主要尺寸、公差、相互关系或关联尺寸、技术条件、技术参数及其他系统的相互关系以及项目全部设计图纸与技术文件的正确、完整、统一、清楚负责,对是否贯彻设计任务书,有关技术标准和设计法律规范负责。 6、审查与核对所审工程设计图纸文件是否正确是否符合专业设计文件和建设方案要求,对其正确性和合理性负责。13.2 工程设计的会签与审批制度 1、设计任务书和技术设计,由设计部门组织召开审批会计,由总工程师主持,进行审查会签,并由总工程师签字批准。 2、施工图设计,应经设计、工艺、标准化等有关人员进行审查签字后报总工程师审查批准。 3、工程设计图和设计文件,应严格履行审批会签手续,对未经前一步骤有关人员签字的图纸文件,下一环节人员有权拒绝接受,对未完成全部会签手续的图纸文件,决不能发出。否则各负其责。 4、未经审查、会签、加盖相关设计印章的图纸文件,一律不准作为正式图纸发出。13.3 材料代用和图纸修改制度 1、图纸及技术文件按规定程序统一由主管该项目设计的技术人员负责修改,任何修改都不应降低工程质量或违反标准的规定。 2、工程项目设计过程中形成的全部技术文件和重要资料施工过程中有关设计工作的修改意见、设计变更、重大技术问题的处理记录等,都应收入技术档案,最后经过整理交档案室收存保管。 3、图纸及技术文件重大修改,图纸及技术文件需要更换新图时,应改下载后可任意编辑变图纸号或在原件后加注标记。 4、图纸及技术文件的修改,必须填写“图纸修改通知单”,发至建设方,发放修改通知单时,必须履行签字手续,注明启止日期,并将签字底稿存入技术档案。 5、材料代用原因一律不动,由建设方填写材料代...

1、当您付费下载文档后,您只拥有了使用权限,并不意味着购买了版权,文档只能用于自身使用,不得用于其他商业用途(如 [转卖]进行直接盈利或[编辑后售卖]进行间接盈利)。
2、本站所有内容均由合作方或网友上传,本站不对文档的完整性、权威性及其观点立场正确性做任何保证或承诺!文档内容仅供研究参考,付费前请自行鉴别。
3、如文档内容存在违规,或者侵犯商业秘密、侵犯著作权等,请点击“违规举报”。

碎片内容

13工程设计管理制度

您可能关注的文档

确认删除?
VIP
微信客服
  • 扫码咨询
会员Q群
  • 会员专属群点击这里加入QQ群
客服邮箱
回到顶部