电脑桌面
添加小米粒文库到电脑桌面
安装后可以在桌面快捷访问

2024年全省系统安全生产标准化考评检查表VIP免费

2024年全省系统安全生产标准化考评检查表_第1页
1/18
2024年全省系统安全生产标准化考评检查表_第2页
2/18
2024年全省系统安全生产标准化考评检查表_第3页
3/18
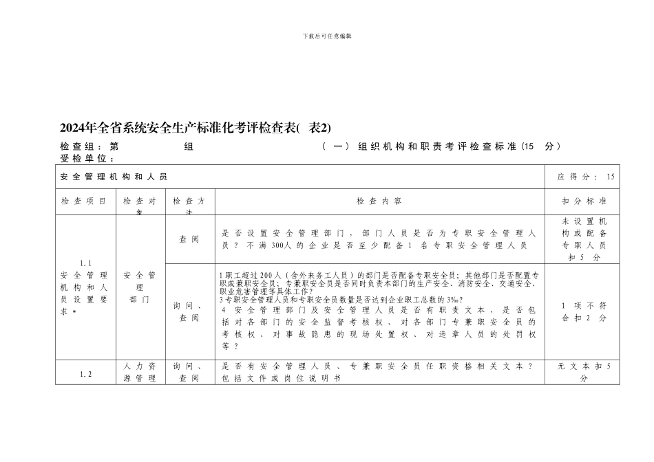
下载后可任意编辑2024年全省系统安全生产标准化考评检查表( 表2)检 查 组 : 第 组 (一 ) 组 织 机 构 和 职 责 考 评 检 查 标 准 (15分 ) 受 检 单 位 :安 全 管 理 机 构 和 人 员应 得 分 : 15检 查 项 目检 查 对象检 查 方法检 查 内 容扣 分 标 准1.1安 全 管 理机 构 和 人员 设 置 要求 *安 全 管理部 门查 阅是 否 设 置 安 全 管 理 部 门 , 部 门 人 员 是 否 为 专 职 安 全 管 理 人员 ? 不 满 300人 的 企 业 是 否 至 少 配 备 1名 专 职 安 全 管 理 人 员未 设 置 机构 或 配 备专 职 人 员扣 5分询 问 、查 阅1 职工超过 200 人(含外来务工人员)的部门是否配备专职安全员;其他部门是否配置专职或兼职安全员;专兼职安全员是否同时负责本部门的生产安全、消防安全、交通安全、职业危害管理等具体工作?3 专职安全管理人员和专职安全员数量是否达到企业职工总数的 3‰?4安 全 管 理 部 门 及 安 全 管 理 人 员 是 否 有 职 责 文 本 , 是 否 包括 对 各 部 门 的 安 全 监 督 考 核 权 、 对 各 部 门 专 兼 职 安 全 员 的考 核 权 、 对 事 故 隐 患 的 现 场 处 置 权 、 对 违 章 人 员 的 处 罚 权等 ?1项 不 符合 扣 2分1.2人 力 资源 管 理询 问 、查 阅是 否 有 安 全 管 理 人 员 、 专 兼 职 安 全 员 任 职 资 格 相 关 文 本 ?包 括 文 件 或 岗 位 说 明 书无 文 本 扣 5分下载后可任意编辑安 全 管 理人 员 、 专兼 职 安 全员 任 职 资格 *部 门 、安 全 管理 部 门1企 业 主 要 负 责 人 、 主 管 安 全 领 导 和 安 全 管 理 人 员 、 专 职安 全 员 是 否 持 有 安 监 部 门 批 准 的 具 有 资 质 的 培 训 机 构 颁 发的 培 训 证 书 或 当 地 政 府 主 管 部 门 颁 发 的 合 格 证 书 ?2兼 职 安 全 员 、 班 组 安 全 员 是 否 由 所 在 部 门 按 其 任 职 要 求和 能 力 选 聘 批 准 并 保 存 批 准 记 录 ? 任 职 后 是 否 经 过 企 业 内部 培 训 考 试 合 格 , 每...

1、当您付费下载文档后,您只拥有了使用权限,并不意味着购买了版权,文档只能用于自身使用,不得用于其他商业用途(如 [转卖]进行直接盈利或[编辑后售卖]进行间接盈利)。
2、本站所有内容均由合作方或网友上传,本站不对文档的完整性、权威性及其观点立场正确性做任何保证或承诺!文档内容仅供研究参考,付费前请自行鉴别。
3、如文档内容存在违规,或者侵犯商业秘密、侵犯著作权等,请点击“违规举报”。

碎片内容

2024年全省系统安全生产标准化考评检查表

您可能关注的文档

人从众+ 关注
实名认证
内容提供者

欢迎光临小店,本店以公文和教育为主,希望符合您的需求。

确认删除?
VIP
微信客服
  • 扫码咨询
会员Q群
  • 会员专属群点击这里加入QQ群
客服邮箱
回到顶部