电脑桌面
添加小米粒文库到电脑桌面
安装后可以在桌面快捷访问

地下连续墙技术交底VIP免费

地下连续墙技术交底_第1页
1/18
地下连续墙技术交底_第2页
2/18
地下连续墙技术交底_第3页
3/18
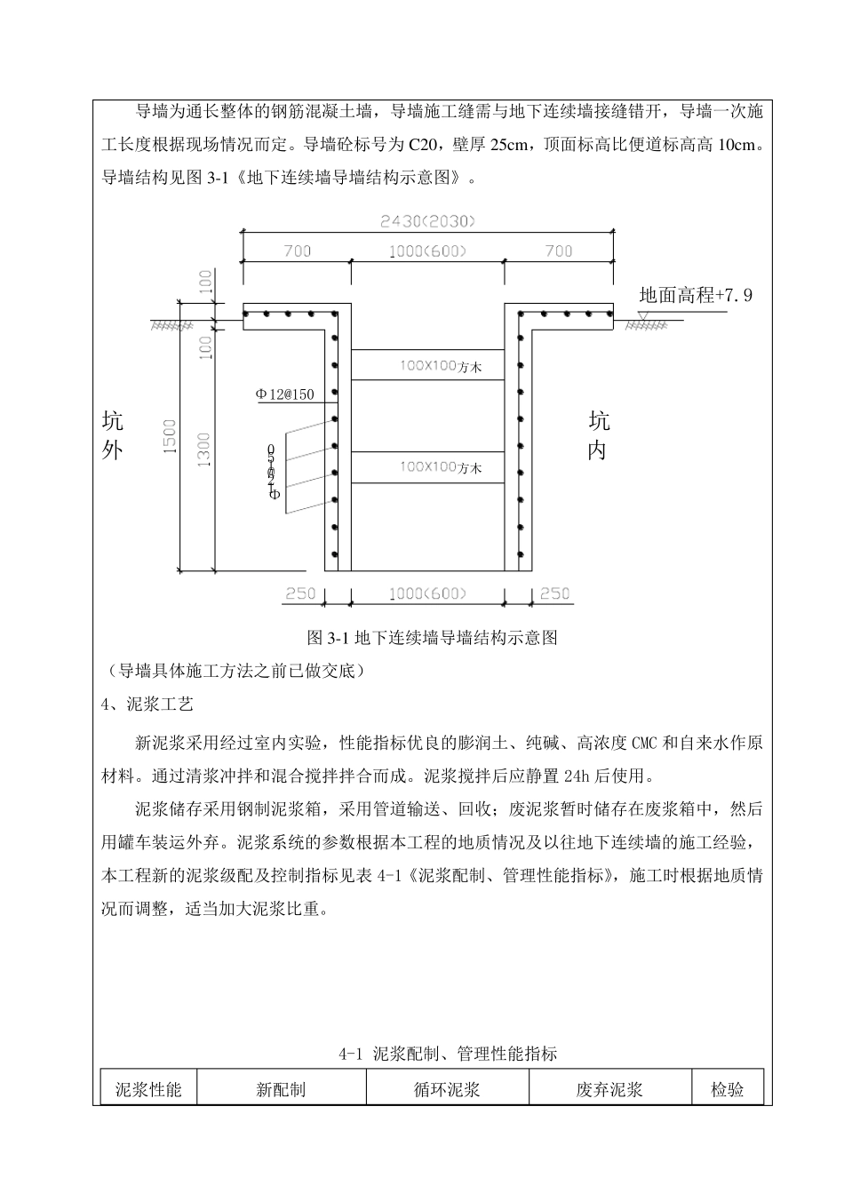
施工技术交底记录 工程名称 分部工程 分项工程名称 地下连续墙施工技术交底 交底内容: 一、工程概况 工作井平面尺寸38×22m,作为盾构始发井,底板埋深 22.6m,采用地下连续墙围护,其中与暗埋段相接处的连续墙厚 600mm,深 15m(墙底标高-22.730m,共计 5 幅),其余范围内的连续墙厚 1000mm,深 39.5m,(墙底标高-30.900m,共计 17 幅)。地下连续墙接茬处外侧采用Φ1000mm 摆喷止水。 共设置 5 道支撑,其中第一~四道为钢筋混凝土支撑,且第一、二道围檩作为盾构施工期间的顶、下一层板水平框架梁,第五道为Φ609 钢支撑,壁厚 16mm。 二、工程地质与水文状况 工作井基坑开挖范围主要土层为①层填土、②1 砂质土②2 层粘质粉土夹砂质粉土、②3、②4 层砂质粉土、③1 层粉砂、③2 层砂质粉土、⑤层(淤泥质)粉质粘土。工作井围护结构地连墙墙趾均位于⑦层灰色粉质粘土中。 工程区浅部孔隙潜水,主要赋存于表层填土及③层粉砂、粉土中。据地质勘探资料,地下静止水位一般在深 2.4~6.9m,高程3.49~5.02m。地下水位随季节性变化及钱塘江水位动态变化明显,动态变幅一般在1~3m。承压水主要分布于深部的⑩-2 层粉细砂、⑩-3 砾 砂和 ⑩-4 圆砾 层中,隔 水层为上 部的⑤、⑥ 、⑦层粘性土,承压水水位在-0.5m 左 右 。承压水受 侧向 径 流补 给 ,富 水性好 ,具 有 明显的埋藏 深、污 水少 、水量 大 、流 速 极 慢 、咸 ~ 微 咸 的特 点 。 三 、地下连续墙总 体 施工计划 工作井先 施工1000mm 墙,后 施工600mm 墙; 先 取 一槽 段进 行 施工,待 探明地下水位、地质情 况、泥浆 性能 等 各 种 参 数 后 。施工过 程中,需 遵 循 跳 幅进 行 地下连续墙施工。施工顺 序见 附 图 如 :《 地下连续墙分幅图 》 。地下连续墙按 设计分幅,采用液 压抓 斗 成 槽 ,膨 润 土泥浆护壁,每 幅钢筋笼 整 体 拼 装 起 吊 ,柔 性锁 口 管 接头 。 每 一槽 段为一幅钢筋笼 ,钢筋笼 进 行 整 体 制 作安 装 ,考 虑 到 钢筋笼 起 吊 时 的刚 度 和 强 度 ,根 据设计图 纸 ,钢筋笼 内的桁 架数 量 根 据钢筋笼 的幅度 来 决 定 ,钢筋接头 采用对 焊 。水下混凝土浇注采用导管法施工,导管选用D=250 的圆形螺旋快速接头型式。 四、地下连续墙主要施工步骤及具体方法 1...

1、当您付费下载文档后,您只拥有了使用权限,并不意味着购买了版权,文档只能用于自身使用,不得用于其他商业用途(如 [转卖]进行直接盈利或[编辑后售卖]进行间接盈利)。
2、本站所有内容均由合作方或网友上传,本站不对文档的完整性、权威性及其观点立场正确性做任何保证或承诺!文档内容仅供研究参考,付费前请自行鉴别。
3、如文档内容存在违规,或者侵犯商业秘密、侵犯著作权等,请点击“违规举报”。

碎片内容

地下连续墙技术交底

您可能关注的文档

小辰6+ 关注
实名认证
内容提供者

出售各种资料和文档

确认删除?
VIP
微信客服
  • 扫码咨询
会员Q群
  • 会员专属群点击这里加入QQ群
客服邮箱
回到顶部