电脑桌面
添加小米粒文库到电脑桌面
安装后可以在桌面快捷访问

垫层模板安装工程报验申请表VIP免费

垫层模板安装工程报验申请表_第1页
1/7
垫层模板安装工程报验申请表_第2页
2/7
垫层模板安装工程报验申请表_第3页
3/7
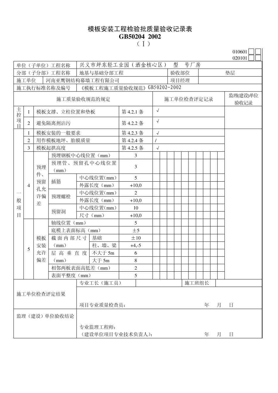
模板安装工程报验申请表 工程名称:兴义市坪东轻工业园区(洒金核心区)C型 3号厂房 编号: 致:黔西南州正诚工程监理有限责任公司(监理单位) 我单位已完成了3号厂房独立基础垫层模板安装 工作,现报上该工程报验申请表,请予以审查和验收。 附件: 1、模板安装工程检验批质量验收记录表1份 承包单位(章):河南亚鹰钢结构幕墙工程有限公司 项 目 经 理: 日期: 年 月 日 监理审查意见: 现场监理人员: 年 月 日 专业监理工程师: 年 月 日 业主单位意见: 现场技术代表: 年 月 日 业主代表: 年 月 日 模板安装工程检验批质量验收记录表 GB50204-2002 (Ⅰ) 010601 020101 单位(子单位)工程名称 兴义市坪东轻工业园(洒金核心区)C型 3号厂房 分部(子分部)工程名称 地基与基础分部工程 验收部位 垫层 施工单位 河南亚鹰钢结构幕墙工程有限公司 项目经理 施工执行标准名称及编号 《模板工程施工质量验收规范》GB50202-2002 施工质量验收规范的规定 施工单位检查评定记录 监理(建设)单位验收记录 主控项目 1 模板支撑、立柱位置和垫板 第4.2.1 条 √ 2 避免隔离剂沾污 第4.2.2 条 √ 一般项目 1 模板安装的一般要求 第4.2.3 条 √ 2 用作模板地坪、胎膜质量 第4.2.4 条 / 3 模板起拱高度 第4.2.5 条 √ 4 预埋件、预留孔允许偏差 预埋钢板中心线位置(m m ) 3 预埋管、预留孔中心线位置(m m ) 3 插筋 中心线位置(m m ) 5 外露长度(m m ) +10,0 预埋螺栓 中心线位置(m m ) 2 外露长度(m m ) +10,0 预留洞 中心线位置(m m ) 10 尺寸(m m ) +10,0 5 模板安装允许偏差 轴线位置(m m ) 5 底模上表面标高(m m ) ±5 截 面内 部尺寸(m m ) 基础 ±10 柱、墙、梁 +4,-5 层高垂 直 度(m m ) 不大于 5m 6 大于 5m 8 相邻两板表面高低差(m m ) 2 表面平整度(m m ) 5 施工单位检查评定结果 专业工长(施工员) 施工班组长 项目专业质量检查员: 年 月 日 监理(建设)单位验收结论 专业监理工程师: (建设单位项目专业技术负责人): 年 月 日 混凝土工程报验申请表 工程名称:兴义市坪东轻工业园区(洒金核心区)C型 3号厂房 编号: 致:黔西南州正诚工程监理有限责任公司(监理单位) 我单位已完成了3号厂房独立基础垫层 工作,现...

1、当您付费下载文档后,您只拥有了使用权限,并不意味着购买了版权,文档只能用于自身使用,不得用于其他商业用途(如 [转卖]进行直接盈利或[编辑后售卖]进行间接盈利)。
2、本站所有内容均由合作方或网友上传,本站不对文档的完整性、权威性及其观点立场正确性做任何保证或承诺!文档内容仅供研究参考,付费前请自行鉴别。
3、如文档内容存在违规,或者侵犯商业秘密、侵犯著作权等,请点击“违规举报”。

碎片内容

垫层模板安装工程报验申请表

确认删除?
VIP
微信客服
  • 扫码咨询
会员Q群
  • 会员专属群点击这里加入QQ群
客服邮箱
回到顶部