电脑桌面
添加小米粒文库到电脑桌面
安装后可以在桌面快捷访问

城市桥梁养护技术规范中表格VIP专享VIP免费

城市桥梁养护技术规范中表格_第1页
1/9
城市桥梁养护技术规范中表格_第2页
2/9
城市桥梁养护技术规范中表格_第3页
3/9
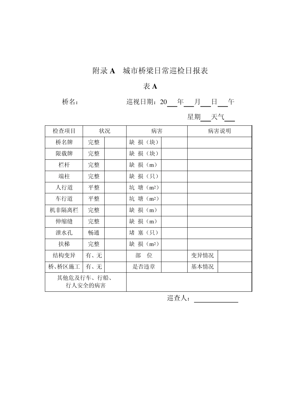
附录A 城市桥梁日常巡检日报表 表A 桥名: 巡视日期:20 年 月 日 午 星期 天气 检查项目 状况 病害 病害说明 桥名牌 完整 缺 损(块) 限载牌 完整 缺 损(块) 栏杆 完整 缺 损(m ) 端柱 完整 缺 损(只) 人行道 平整 坑 塘(m 2) 车行道 平整 坑 塘(m 2) 机非隔离栏 完整 缺 损(m ) 伸缩缝 完整 缺 损(m ) 泄水孔 畅通 堵 塞(只) 扶梯 完整 缺 损(m 2) 结构变异 有、无 部 位 变异情况 桥、桥区施工 有、无 是否违章 基本情况 其他危及行车、行船、 行人安全的病害 巡查人: 附录B 城市桥梁资料卡 表B -1 桥梁名称: 所在路名: 跨越( ),( )等级 一 般 资 料 养护单位 上 部 结 构 主梁型式 下 部 结 构 桥 墩 型式 建设单位 主梁尺寸 (宽*高*长*) 标高 m 设计单位 主梁数量 盖梁尺寸 监理单位 横梁型式 基底标高 m 施工单位 支座型式/数量 底板尺寸 建造年月 桥面结构 基桩尺寸/根数 结构类型 伸缩缝型式 桥 台 型式 设计荷载 伸缩缝数量 条 标高 m 抗震烈度 桥面标高 m 基底标高 m 正斜交角 梁底标高 m 台帽尺寸 桥梁跨数 主桥纵坡 % 底板尺寸 跨径组合 m 主桥横坡 % 基桩尺寸/根数 桥面面积 m 2 引桥纵坡 % 挡土板厚度 m 桥梁总长 m 拱桥矢跨比 翼墙型式 桥梁总宽 m 总造价 元 翼墙长度 m 车行道净宽 m 附 属 工 程 栏杆总长 m 附 挂 管 线 给水管 人行道净宽 m 栏杆结构 燃气管 道路等级 端柱尺寸 电力管 设计河床标高 m 护岸类型 通讯电缆 最高水位 m 引坡挡墙类型 审定: 复核: 制度: 建卡日期: 地区: 卡号: 表B -2 结 构 简 图 审定: 复核: 制度: 日期: 表B -3 附 照 审定: 复核: 制度: 日期: 表B -4 检查维修记录卡 维修日期 维修内容 维修单位 质量状况 审定: 复核: 制表: 附录C 城市桥梁设备量年报表 表C 桥梁数 (座) 桥梁长度 (m ) 平均长度 (m ) 总 计 车行桥梁合计 其中:上立交桥 下立交桥 永久性桥梁 半永久性桥梁 临时性桥梁 人行桥合计 其中:人行天桥 人行通道 车行通道 永久性桥梁 半永久性桥梁 临时性桥梁 审定: 复核: 制表: 日期: 附录F 结构定期检测现场记录表 表F-1 结构状态评定表 桥名: 路...

1、当您付费下载文档后,您只拥有了使用权限,并不意味着购买了版权,文档只能用于自身使用,不得用于其他商业用途(如 [转卖]进行直接盈利或[编辑后售卖]进行间接盈利)。
2、本站所有内容均由合作方或网友上传,本站不对文档的完整性、权威性及其观点立场正确性做任何保证或承诺!文档内容仅供研究参考,付费前请自行鉴别。
3、如文档内容存在违规,或者侵犯商业秘密、侵犯著作权等,请点击“违规举报”。

碎片内容

城市桥梁养护技术规范中表格

确认删除?
VIP
微信客服
  • 扫码咨询
会员Q群
  • 会员专属群点击这里加入QQ群
客服邮箱
回到顶部