电脑桌面
添加小米粒文库到电脑桌面
安装后可以在桌面快捷访问

城市道路平面交叉口设计形式与选择VIP专享VIP免费

城市道路平面交叉口设计形式与选择_第1页
1/9
城市道路平面交叉口设计形式与选择_第2页
2/9
城市道路平面交叉口设计形式与选择_第3页
3/9
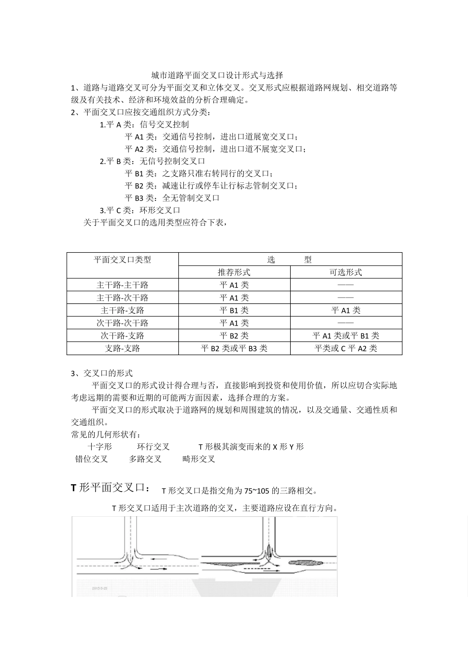
城市道路平面交叉口设计形式与选择 1、道路与道路交叉可分为平面交叉和立体交叉。交叉形式应根据道路网规划、相交道路等级及有关技术、经济和环境效益的分析合理确定。 2、平面交叉口应按交通组织方式分类: 1.平A 类:信号交叉控制 平A1 类:交通信号控制,进出口道展宽交叉口; 平A2 类:交通信号控制,进出口道不展宽交叉口; 2.平B 类:无信号控制交叉口 平B1 类:之支路只准右转同行的交叉口; 平B2 类:减速让行或停车让行标志管制交叉口; 平B3 类:全无管制交叉口 3.平C 类:环形交叉口 关于平面交叉口的选用类型应符合下表, 平面交叉口类型 选 型 推荐形式 可选形式 主干路-主干路 平A1 类 —— 主干路-次干路 平A1 类 —— 主干路-支路 平B1 类 平A1 类 次干路-次干路 平A1 类 —— 次干路-支路 平B2 类 平A1 类或平B1 类 支路-支路 平B2 类或平B3 类 平类或C 平A2 类 3、交叉口的形式 平面交叉口的形式设计得合理与否,直接影响到投资和使用价值,所以应切合实际地考虑远期的需要和近期的可能两方面因素,选择合理的方案。 平面交叉口的形式取决于道路网的规划和周围建筑的情况,以及交通量、交通性质和交通组织。 常见的几何形状有: 十字形 环行交叉 T 形极其演变而来的X 形Y 形 错位交叉 多路交叉 畸形交叉 T 形平面交叉口: T 形交叉口是指交角为75~105 的三路相交。 T 形交叉口适用于主次道路的交叉,主要道路应设在直行方向。 Y 形平面交叉口:Y 形交叉口为三路相交直行方向的交角小于75 或大于105的交叉口; Y 形交叉口在交角较小的时候交通不利,而且锐角街口处的视线条件不好。 十字形平面交叉口 四条道路相交交叉口,交角为75~105. 十字形交叉口形式简单,交通组织方便,街角建筑易于处理,使用范围广,是最基本的交叉口形式 (1) 简易十字交叉口:设计车速不高,交通量不大的三四公路或一般城市道路相交的十字交叉,可采用简易十字交叉 (2) 设附加车道的十字交叉口:主要公路的设计速度为80km/h,次要公路为县乡公路或三四级公路且转弯交通量不大的十字交叉口。 (3) 渠化十字交叉口 主要公路为四车道公路以及设计速度为80km /h 的双车道公路,或虽然设计速度为60km /h,但属区域干线的双车道公路,可采用渠化十字交叉。 环形平面交叉口 在交叉口中央设置中心岛,用环岛组织渠化交通,使进入环道的所有车辆一律按逆时...

1、当您付费下载文档后,您只拥有了使用权限,并不意味着购买了版权,文档只能用于自身使用,不得用于其他商业用途(如 [转卖]进行直接盈利或[编辑后售卖]进行间接盈利)。
2、本站所有内容均由合作方或网友上传,本站不对文档的完整性、权威性及其观点立场正确性做任何保证或承诺!文档内容仅供研究参考,付费前请自行鉴别。
3、如文档内容存在违规,或者侵犯商业秘密、侵犯著作权等,请点击“违规举报”。

碎片内容

城市道路平面交叉口设计形式与选择

确认删除?
VIP
微信客服
  • 扫码咨询
会员Q群
  • 会员专属群点击这里加入QQ群
客服邮箱
回到顶部