电脑桌面
添加小米粒文库到电脑桌面
安装后可以在桌面快捷访问

城镇道路工程表格VIP免费

城镇道路工程表格_第1页
1/59
城镇道路工程表格_第2页
2/59
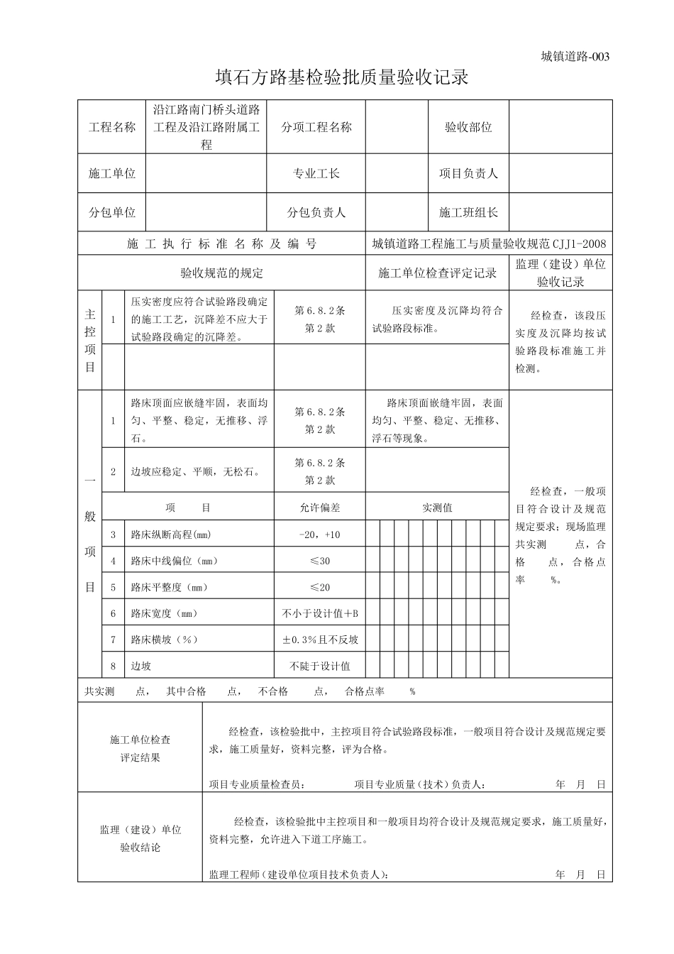
城镇道路工程表格_第3页
3/59
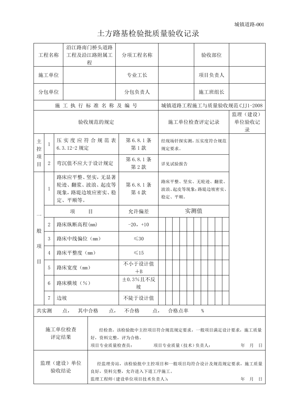
城 镇 道 路 -0 0 1 土 方 路 基 检 验 批 质 量 验 收 记 录 工 程 名 称 沿 江 路 南 门 桥 头 道 路工 程 及 沿 江 路 附 属 工程 分 项 工 程 名 称 验 收 部 位 施 工 单 位 专 业 工 长 项 目 负 责 人 分 包 单 位 分 包 负 责 人 施 工 班 组 长 施 工 执 行 标 准 名 称 及 编 号 城 镇 道 路 工 程 施 工 与 质 量 验 收 规 范 CJJ1-2008 验 收 规 范 的 规 定 施 工 单 位 检 查 评 定 记 录 监 理 ( 建 设 )单 位 验 收 记录 主 控项 目 1 压实度应符合规范表6.3.12-2 规 定 第 6.8.1 条 第 1 款 经 现 场 钎 探 实 测 , 压 实 度 符 合 规 范规 定 要 求 。 2 弯 沉 值 不 应 大 于 设 计 规 定 第 6.8.1 条 第 2 款 详 见 试 验 报 告 一般项目 1 路 床 应 平 整 、 坚 实 , 无 显 著轮 迹 、 翻 浆 、 波 浪 、 起 皮 等现 象 , 路 堤 边 坡 应 密 实 、 稳定 、 平 顺 等 。 第 6.8.1 条 第 4 款 路 床 平 整 、 坚 实 、 无 轮 迹 、 翻 浆 、波 浪 、起 皮 等 现 象 ;路 堤 边 坡 密 实 、稳 定 、 平 顺 。 项 目 允 许 偏 差 实 测 值 2 路 床 纵断高程 (mm) -20, +10 3 路 床 中线偏 位 ( mm) ≤30 4 路 床 平 整 度 ( mm) ≤15 5 路 床 宽度 ( mm) 不 小于 设 计 值+B 6 路 床 横坡 ( %) ±0.3%且不 反坡 7 边 坡 不 陡于 设 计 值 共实 测 点, 其中合 格 点, 不 合 格 点, 合 格点率 % 施 工 单 位 检 查 评 定 结果 经 检 查 , 该检 验 批 中主 控 项 目 符 合 规 范 规 定 要 求 , 一 般 项 目 满足设 计 要 求 , 施 工 质 量好, 资料完整 , 评 为合 格。 项 目 专 业 质 量 检 查 员: 项 目 专 业 质 量 ( 技 术 ) 负 责 人 : 年 月 日 监 理 ( 建 设 ) 单 位 验 收 结论 经 监 理 旁 站 , 该检 验 批 中主 控 项 目 和 一 般 项 目 均 符 合 设 计 及 规 范 规 定 要 求 , 施 工 质 量良 ...

1、当您付费下载文档后,您只拥有了使用权限,并不意味着购买了版权,文档只能用于自身使用,不得用于其他商业用途(如 [转卖]进行直接盈利或[编辑后售卖]进行间接盈利)。
2、本站所有内容均由合作方或网友上传,本站不对文档的完整性、权威性及其观点立场正确性做任何保证或承诺!文档内容仅供研究参考,付费前请自行鉴别。
3、如文档内容存在违规,或者侵犯商业秘密、侵犯著作权等,请点击“违规举报”。

碎片内容

城镇道路工程表格

确认删除?
VIP
微信客服
  • 扫码咨询
会员Q群
  • 会员专属群点击这里加入QQ群
客服邮箱
回到顶部