电脑桌面
添加小米粒文库到电脑桌面
安装后可以在桌面快捷访问

基建设施和工作环境控制程序VIP免费

基建设施和工作环境控制程序_第1页
1/9
基建设施和工作环境控制程序_第2页
2/9
基建设施和工作环境控制程序_第3页
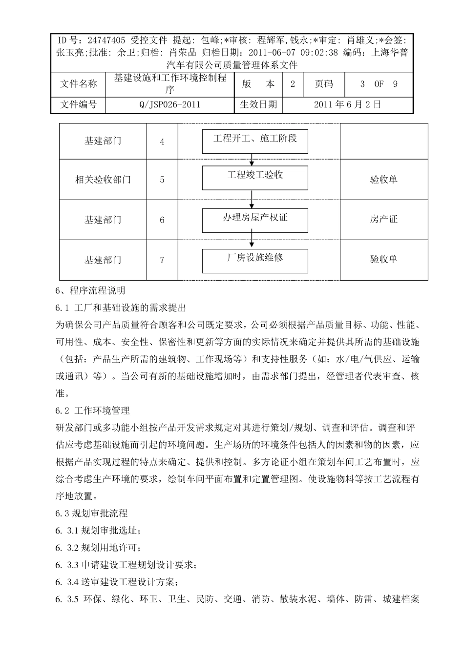
3/9
ID 号:24747405 受控文件 提起: 包峰;*审核: 程辉军,钱永;*审定: 肖雄义;*会签: 张玉亮;批准: 余卫;归档: 肖荣品 归档日期:2011-06-07 09:02:38 编码:上海华普汽车有限公司质量管理体系文件 文件名称 基建设施和工作环境控制程序 版 本 2 页码 1 OF 9 文件编号 Q/JSP026-2011 生效日期 2011 年 6 月 2 日 发文范围: 上海华普国润汽车有限公司 受 控 印 章 收 文 部 门 上海华普国润公司各部门 版本号 修订单号 修订日期 修订人 批准人 会签单位 会签人/日期 会签单位 会签人/日期 编制 综合办公室 审核 程辉军 批准 余 卫 日期 2 0 1 1 -0 6 -0 1 日期 2 0 1 1 -0 6 -0 1 日期 2 0 1 1 -0 6 -0 2 ID 号:24747405 受控文件 提起: 包峰;*审核: 程辉军,钱永;*审定: 肖雄义;*会签: 张玉亮;批准: 余卫;归档: 肖荣品 归档日期:2011-06-07 09:02:38 编码:上海华普汽车有限公司质量管理体系文件 文件名称 基建设施和工作环境控制程序 版 本 2 页码 2 OF 9 文件编号 Q/JSP026-2011 生效日期 2011 年6 月2 日 1、目 的 为加强基建工程建设项目的规范化管理,保证基建工程项目顺利实施。 2、适用范围 适用于公司为实现产品符合性所需的基建改造。 3、术语 是对一个单位的建筑活动及建筑设施进行规划、建设及维护。 4、职 责 4.1 基建工程科: 4.1.1 负责公司基建工程项目的织组实施,编制年度、月度实施计划和预算管理计划; 4.1.2 负责公司工程建设、基建技改项目实施过程中成本控制、安全、质量、工程进度的管理; 4.1.3 负责公司厂房设施维修、改造工作; 4.1.4 负责基建工程项目的向政府部门报审、报批、产证办理工作; 4.1.5 负责对基建工程项目完工提出验收申请; 4.1.6 参与基建工程项目的竣工验收。 4.2 使用部门: 4.2.1 使用部门配合基建部门进行工程竣工后的验收工作。 5、程序流 程 责任 单位 序号 流 程 图 相 关 质量记 录 基建部门 1 批复 文件 相 关 审批部门 2 批复 文件 基建部门 3 规划审批 工程报建 申请立 项 ID 号:24747405 受控文件 提起: 包峰;*审核: 程辉军,钱永;*审定: 肖雄义;*会签: 张玉亮;批准: 余卫;归档: 肖荣品 归档日期:2011-06-07 09:02:38 编码:上海华普汽车有限公司质量管理体系文件 文件名称 基建设施和工作环境控...

1、当您付费下载文档后,您只拥有了使用权限,并不意味着购买了版权,文档只能用于自身使用,不得用于其他商业用途(如 [转卖]进行直接盈利或[编辑后售卖]进行间接盈利)。
2、本站所有内容均由合作方或网友上传,本站不对文档的完整性、权威性及其观点立场正确性做任何保证或承诺!文档内容仅供研究参考,付费前请自行鉴别。
3、如文档内容存在违规,或者侵犯商业秘密、侵犯著作权等,请点击“违规举报”。

碎片内容

基建设施和工作环境控制程序

您可能关注的文档

小辰+ 关注
实名认证
内容提供者

出售各种文档和资料

确认删除?
VIP
微信客服
  • 扫码咨询
会员Q群
  • 会员专属群点击这里加入QQ群
客服邮箱
回到顶部