电脑桌面
添加小米粒文库到电脑桌面
安装后可以在桌面快捷访问

燃气设施构筑物安全间距VIP免费

燃气设施构筑物安全间距_第1页
1/11
燃气设施构筑物安全间距_第2页
2/11
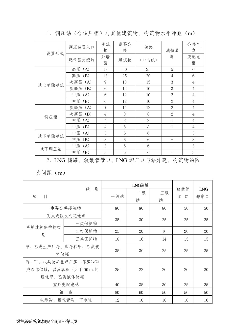
1、调压站(含调压柜)与其他建筑物、构筑物水平净距(m) 设置形式 调压装置入口 建筑物 重要公共 铁路 城镇道路 公共电力 燃气压力级制 外墙面 建筑物 (中心线) 变配电柜 地上单独建筑 高压(A) 18 30 25 5 6 高压(B) 13 25 20 4 6 次高压(A) 9 18 15 3 4 次高压(B) 6 12 10 3 4 中压(A) 6 12 10 2 4 中压(B) 6 12 10 2 4 调压柜 次高压(A) 7 14 12 2 4 次高压(B) 4 8 8 2 4 中压(A) 4 8 8 1 4 中压(B) 4 8 8 1 4 地下单独建筑 中压(A) 3 6 6 - 3 中压(B) 3 6 6 - 3 地下调压箱 中压(A) 3 6 6 - 3 中压(B) 3 6 6 - 3 2、LNG 储罐、放散管管口、LNG 卸车口与站外建、构筑物的防火间距(m) 级 别 项 目 LNG储罐 放散管 管 口 LNG 卸车口 一级站 二级站 三级站 重要公共建筑物 80 80 80 50 50 明火或散发火花地点 35 30 25 25 25 民用建筑保护物类别 一类保护物 二类保护物 25 20 16 20 20 三类保护物 18 16 14 15 15 甲、乙类生产厂房、库房和甲、乙类液体储罐 35 30 25 25 25 丙、丁、戊类物品生产厂房、库房和丙类液体储罐,以及容积不大于 50 m3 的埋地甲、乙类液体储罐 25 22 20 20 20 室外变配电站 40 35 30 25 25 铁 路 80 60 50 50 50 电缆沟、暖气管沟、下水道 12 10 10 10 10 燃 气 设 施 构 筑 物 安 全 间 距 --第 1页燃 气 设 施 构 筑 物 安 全 间 距 --第 1页 级 别 项 目 LNG储罐 放散管 管 口 LNG 卸车口 一级站 二级站 三级站 道 路 快速路、主干路; 高速、Ⅰ、Ⅱ级 12 10 8 8 8 次干路、支路; Ⅲ、Ⅳ级 10 8 8 6 6 架空电力线 无绝缘层 1.5 倍杆高 1.5 倍杆高 1.5 倍杆高 有绝缘层 1 倍杆高 1 倍杆高 架空通信线 国家Ⅰ、Ⅱ级 1.5 倍杆高 1.5 倍杆高 1 倍杆高 一般 1 倍杆高 0.75 倍杆高 0.75 倍杆高 注1: 民用建筑保护物类别的划分应执行《汽车加油加气站设计与施工规范》GB50156的有关规定。 注2: LNG 加气站的橇装设备与站外建、构筑物的防火间距应按本表相应设备的防火间距确定。 注3: 地下和半地下 LNG储罐与站外建、构筑物的防火间距可按本表减少 30%和 20%。 注4: LNG 储罐、放散管管口、LNG卸...

1、当您付费下载文档后,您只拥有了使用权限,并不意味着购买了版权,文档只能用于自身使用,不得用于其他商业用途(如 [转卖]进行直接盈利或[编辑后售卖]进行间接盈利)。
2、本站所有内容均由合作方或网友上传,本站不对文档的完整性、权威性及其观点立场正确性做任何保证或承诺!文档内容仅供研究参考,付费前请自行鉴别。
3、如文档内容存在违规,或者侵犯商业秘密、侵犯著作权等,请点击“违规举报”。

碎片内容

燃气设施构筑物安全间距

您可能关注的文档

确认删除?
VIP
微信客服
  • 扫码咨询
会员Q群
  • 会员专属群点击这里加入QQ群
客服邮箱
回到顶部