寿阳煤层气燃气采暖锅炉试压方案太原明太锅炉厂寿阳项目部2014 年 1 月 10 日一、工程概况寿阳煤层气热电联产燃气采暖锅炉工程位于寿...
电力建设工程质量监督检查典型大纲(火电、送变电部分)火电工程锅炉水压试验前质量监督检查典型大纲1 总则1.0.1依据《建设工程质量管理条...
消防管道水压试验及调试记录编号:工程名称建设单位分项名称施工单位试压开始时间年 月 日 时 分试压停止时间年 月 日 时 分部位材...
1 号炉大修水压试验方案1 编号: GHTD-SBGLSY-002 -----号炉大(小)修水压试验方案批准:审定:审核:初审:编制:设备维护部锅炉专业...
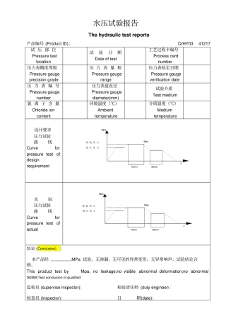
水压试验报告The hydraulic test reports 产品编号 (Product ID):Q/HY03 41217 试 压 部 位Pressure test location 试验日...
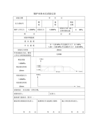
锅炉本体水压试验记录试验日期年月日压力表标号精度量程效验日期锅炉工作压力1.25MPa试验压力1.65MPa试验压力时 20分钟内降压值0 MPa项目...
安全管理文书水压试验应急安全措施日期: ___________ 单位: ____________ 水压试验应急安全措施一、概述蜗壳焊接完成后进行水压试验...
1 水 压 试 验 方 案一、厂区外管线概况从厂区进水管到加压泵站进水管的长度为:558.3m。从加压泵站出水管到与一标红线外,管端碰头...
常熟市第二生活垃圾发电厂设备安装工程水压试验安全专项方案一、目的为了预防和控制在锅炉水压试验期间发生意外情况时对施工人员的伤害,在...
北瑞达电力自动化设备有限公司BEIRUIDAELECTRIC AUTOMATICEQUIPMENT CO.,LTD水 压 试 验操作规程北瑞达电力自动化设备有限公司水压试...
水压表减压阀专用水压表进口水压表的概述:水压表选意大利OR,www.taxun.com ,0-4bar 水压表,0-6bar 水压表,0-10bar 水压表,0-16ba...
1 压力试验作业指导书编号: XXGD-2004-A-071 目的与适用范围为了保证工艺管道水压试验的安全、顺利进行,确保安装安全质量符合国家技术...
各种承压管道系统和设备应做水压试验,非承压管道系统和设备应做灌水试验。一、室内给水系统安装:本章适用于工作压力不大于1.0MPa 的室内...
1 目录一、编制依据 ................................................................................................................
固废课程设计1 水压式沼气池设计(八立方米农村家用水压式沼气池设计)院系:生化工程系学生姓名:陈佩佩程南专业:环境监测与治理技术班...
. . 气瓶外测法水压试验水压试验测试压力 缠绕气瓶 加压是公称压力的1.5 倍,钢质气瓶是 5/3 倍。设备试验前注意检查各管路和接头是...
下载后可任意编辑上海市*******工程地下室基础上浮结构柱裂缝加固施工组织设计方案目 录1.编制说明2.工程慨况3.施工组织管理体系4.主要工...
下载后可任意编辑 地暖压力试验:选水压还是选气压?低温热水地面辐射供暖(简称“水地暖”)系统在验收前必须进行压力试验。而如何进行压...
湖 南 省 火 电 建 设 公 司施 工 方 案编 制 单 位工 程 名 称单 位 工 程锅 炉 本 体 安 装项 目 编 码版 ...
1 目 录 一、编制依据.........................................................................................2 二、编制原则......

