电脑桌面
添加小米粒文库到电脑桌面
安装后可以在桌面快捷访问

水压试验检验报告中英文VIP免费

水压试验检验报告中英文_第1页
1/2
水压试验检验报告中英文_第2页
2/2
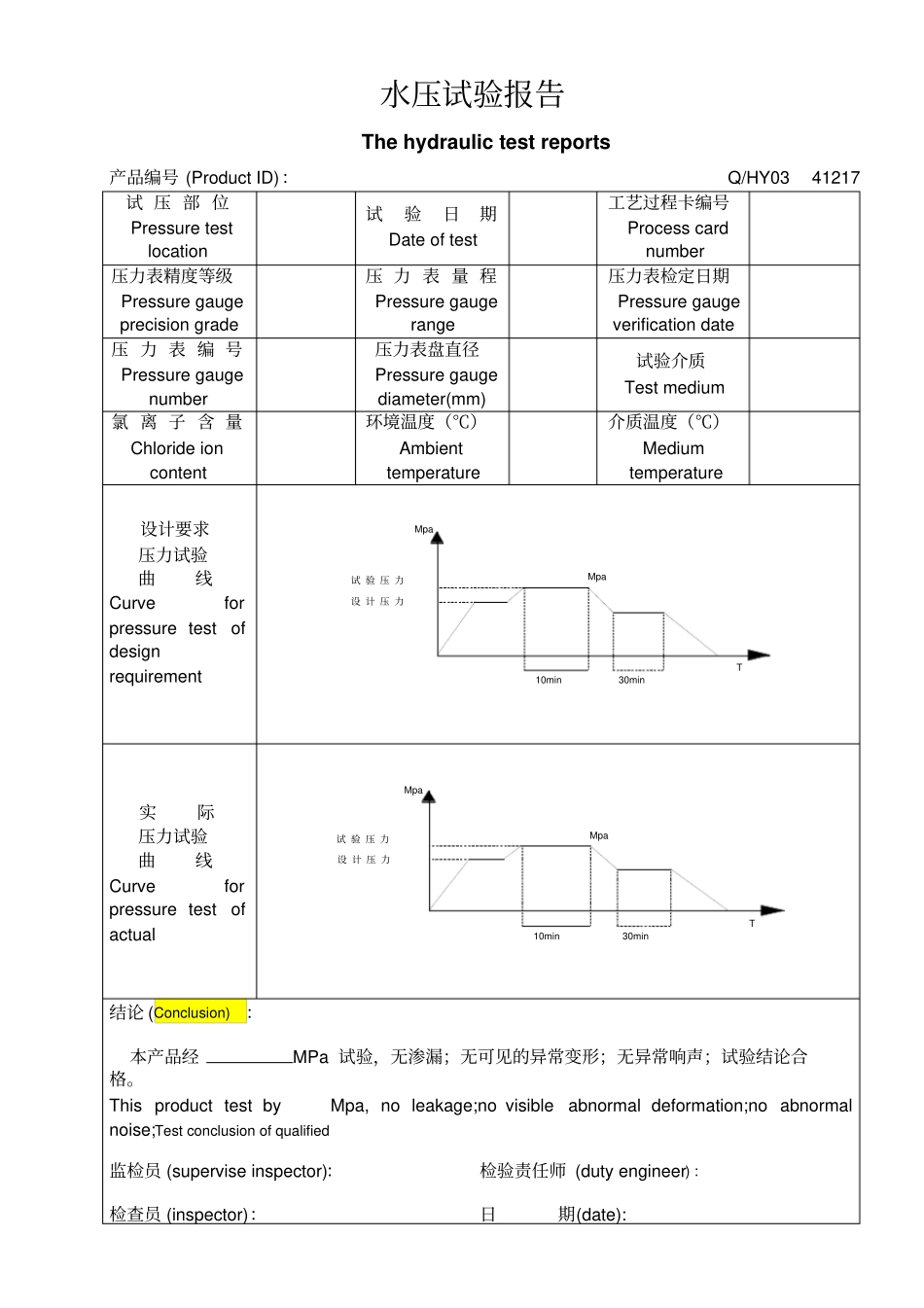
水压试验报告The hydraulic test reports 产品编号 (Product ID):Q/HY03 41217 试 压 部 位Pressure test location 试验日期Date of test 工艺过程卡编号Process card number 压力表精度等级Pressure gauge precision grade 压 力 表 量 程Pressure gauge range 压力表检定日期Pressure gauge verification date 压 力 表 编 号Pressure gauge number 压力表盘直径Pressure gauge diameter(mm) 试验介质Test medium 氯 离 子 含 量Chloride ion content 环境温度(℃)Ambient temperature 介质温度(℃)Medium temperature 设计要求压力试验曲线Curve for pressure test of design requirement 设 计 压 力MpaT30minMpa10min试 验 压 力实际压力试验曲线Curve for pressure test of actual 设 计 压 力MpaT30minMpa10min试 验 压 力结论 (Conclusion):本产品经MPa 试验,无渗漏;无可见的异常变形;无异常响声;试验结论合格。This product test by Mpa, no leakage;no visible abnormal deformation;no abnormal noise;Test conclusion of qualified 监检员 (supervise inspector):检验责任师 (duty engineer) : 检查员 (inspector):日期(date):

1、当您付费下载文档后,您只拥有了使用权限,并不意味着购买了版权,文档只能用于自身使用,不得用于其他商业用途(如 [转卖]进行直接盈利或[编辑后售卖]进行间接盈利)。
2、本站所有内容均由合作方或网友上传,本站不对文档的完整性、权威性及其观点立场正确性做任何保证或承诺!文档内容仅供研究参考,付费前请自行鉴别。
3、如文档内容存在违规,或者侵犯商业秘密、侵犯著作权等,请点击“违规举报”。

碎片内容

水压试验检验报告中英文

文库响当当+ 关注
实名认证
内容提供者

该用户很懒,什么也没介绍

确认删除?
VIP
微信客服
  • 扫码咨询
会员Q群
  • 会员专属群点击这里加入QQ群
客服邮箱
回到顶部