第1页共81页编号:时间:2021年x月x日书山有路勤为径,学海无涯苦作舟页码:第1页共81页目录一、工程概况...................................
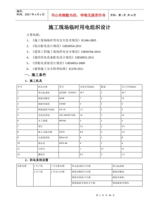
第1页共40页编号:时间:2021年x月x日书山有路勤为径,学海无涯苦作舟页码:第1页共40页施工现场临时用电组织设计计算依据:1、《施工现场...
深圳市建筑工程公司ShenzhenConstructionEngineeringCo.梅林一村八区高层住宅工程施工组织设计第五册施工临时用电组织设计深圳市建筑工程公...
第1页共70页编号:时间:2021年x月x日书山有路勤为径,学海无涯苦作舟页码:第1页共70页目录编制说明.......................................
第1页共19页编号:时间:2021年x月x日书山有路勤为径,学海无涯苦作舟页码:第1页共19页施工现场临时用电施工组织设计摘要:施工现场临时用...
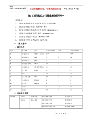
第1页共40页编号:时间:2021年x月x日书山有路勤为径,学海无涯苦作舟页码:第1页共40页施工现场临时用电组织设计计算依据:1、《施工现场...
第1页共13页编号:时间:2021年x月x日书山有路勤为径,学海无涯苦作舟页码:第1页共13页宁波尚野服饰有限公司厂区项目施工现场临时用电组织...
区委有序用电应急工作方案电网安全运行,确保城乡居民生活和重要单位的电力供应,营造和谐的供用电环境,最大限度地满足我区经济发展和人民...
顺德杏坛可园项目主体建筑工程一标段工程临时用电施工组织设计编制:项目技术负责人:项目经理:批准:深圳市建工集团股份有限公司2011年2...
第1页共11页编号:时间:2021年x月x日书山有路勤为径,学海无涯苦作舟页码:第1页共11页形势与政策社会调查报告关于珙桐园324寝室节约用电...
青岛市地铁汽车东站站与深辽立交工程临时用电安全专项方案(人防专业)编号:版本号:发放编号:编制:复核:审核:批准:有效状态:中铁四...
第1页共7页编号:时间:2021年x月x日书山有路勤为径,学海无涯苦作舟页码:第1页共7页宁波尚野服饰有限公司厂区项目施工现场临时用电组织设...
人教版物理八年级《欧姆定律和安全用电》教学设计宁夏石嘴山市惠农区尾闸中学李云邮编:753200指导思想及其理论根据《欧姆定律和安全用电》...
施工现场临时用电档案目录1、现场临时用电电工操作安全技术交底。2、施工现场临时用电验收表。3、接地电阻测验记录。4、移动及手持电动工具...
用电抄核收效能监察实施方案为认真贯彻落实《**省电力公司开展用电抄核收效能监察方案》,扎实有效地开展好由省公司统一立项的用电抄核收效...
临时用电安全应急预案临时用电是指我部门在公司领导下,针对可预知的电力供应不足的情况,通过经济、技术等手段,强化临时用电管理,优化电...
2专用变电器供电时TN-S系统结构示意图1232DKRCDPEL2L3L1NTN-S接零保护系统配电示意图XXXXXX工程XXXXXX标临时用电安全专项方案一、工程概况X...
临时用电活动方案清河供电所临时用电及电价管理专项治理活动实施方案为了认真贯彻落实XX县区电业局【2011】31号文件精神,规范全乡临时用电...
目录一、编制依据................................................2二、工程概况................................................2三、...
目录目录-----------------------------------------------------------1一、工程概况--------------------------------------------------...

