QB安徽电力建设第一工程公司企业标准Q/AEPC-MAQ20-2002施工用电管理制度2002-06-3O发布2002-07-01实施安徽电力建设第一工程公司安全管理部...
第1页共13页编号:时间:2021年x月x日书山有路勤为径,学海无涯苦作舟页码:第1页共13页施工用电组织设计工程概况********工程为****公司承...
第1页共53页编号:时间:2021年x月x日书山有路勤为径,学海无涯苦作舟页码:第1页共53页施工现场临时用电组织设计一、编制依据《低压配电设...
施工临时用水用电施工方案目录一、工程概况.............................................................................................
大顺运输汽车公司华西片区及客车南站棚户区改造项目(一期15号地块)施工临时用电组织设计施工单位:编制人:审核人:日期:目录一、工程概...
QB安徽电力建设第一工程公司企业标准Q/AEPC-MAQ20-2002施工用电管理制度2002-06-3O发布2002-07-01实施安徽电力建设第一工程公司安全管理部...
第1页共16页编号:时间:2021年x月x日书山有路勤为径,学海无涯苦作舟页码:第1页共16页施工现场临时用电安全技术规范JGJ46--2005条文说明...
施工组织设计(方案)报审表工程名称:金港一号花园小区二标段4#楼编号:致:上海容基工程项目管理有限公司(监理单位)我方已根据施工合同...
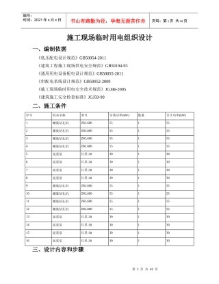
第1页共42页编号:时间:2021年x月x日书山有路勤为径,学海无涯苦作舟页码:第1页共42页施工现场临时用电组织设计一、编制依据《低压配电设...
第1页共24页编号:时间:2021年x月x日书山有路勤为径,学海无涯苦作舟页码:第1页共24页施工现场临时用电施工组织设计一、工程概况1.1.1工...
第1页共14页编号:时间:2021年x月x日书山有路勤为径,学海无涯苦作舟页码:第1页共14页施工现场临时用电施工组织设计一、编制依据1、《施...
施工用电管理制度施工用电管理制度编制:日期:审核:日期:批准:日期:广西第一建筑工程有限公司分公司项目部1施工用电管理制度目录1、概述2...
第1页共89页编号:时间:2021年x月x日书山有路勤为径,学海无涯苦作舟页码:第1页共89页目录第一章、临时用电组织设计.......................
第1页共41页编号:时间:2021年x月x日书山有路勤为径,学海无涯苦作舟页码:第1页共41页目录第2页共41页第1页共41页编号:时间:2021年x月x...
大顺运输汽车公司华西片区及客车南站棚户区改造项目(一期15号地块)施工临时用电组织设计施工单位:编制人:审核人:日期:目录一、工程概...
第1页共10页编号:时间:2021年x月x日书山有路勤为径,学海无涯苦作舟页码:第1页共10页临时用电组织设计项目经理部第2页共10页第1页共10页...
第1页共7页编号:时间:2021年x月x日书山有路勤为径,学海无涯苦作舟页码:第1页共7页施工临时用电施工方案一、现场戡探:本现场为长方形,...
省道S366线(珠海大道)金湾互通立交市政配套项目临时用电用水施工组织设计目录一.编制依据:..............................................
第1页共25页编号:时间:2021年x月x日书山有路勤为径,学海无涯苦作舟页码:第1页共25页目录表章次页次第一章、施工条件第二章、计算内容和...
第1页共27页编号:时间:2021年x月x日书山有路勤为径,学海无涯苦作舟页码:第1页共27页目录第一章、工程建设概况...........................

