电脑桌面
添加小米粒文库到电脑桌面
安装后可以在桌面快捷访问

施工现场临时用电组织设计(DOC 43页)VIP免费

施工现场临时用电组织设计(DOC 43页)_第1页
1/42
施工现场临时用电组织设计(DOC 43页)_第2页
2/42
施工现场临时用电组织设计(DOC 43页)_第3页
3/42
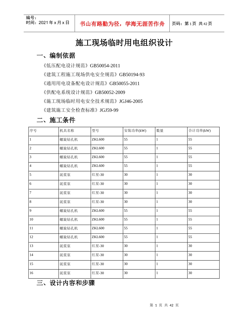
第1页共42页编号:时间:2021年x月x日书山有路勤为径,学海无涯苦作舟页码:第1页共42页施工现场临时用电组织设计一、编制依据《低压配电设计规范》GB50054-2011《建筑工程施工现场供电安全规范》GB50194-93《通用用电设备配电设计规范》GB50055-2011《供配电系统设计规范》GB50052-2009《施工现场临时用电安全技术规范》JGJ46-2005《建筑施工安全检查标准》JGJ59-99二、施工条件序号机具名称型号安装功率(kW)数量合计功率(kW)1螺旋钻孔机ZKL600551552螺旋钻孔机ZKL600551553螺旋钻孔机ZKL600551554螺旋钻孔机ZKL600551555泥浆泵红星-30301306泥浆泵红星-30301307泥浆泵红星-30301308泥浆泵红星-30301309螺旋钻孔机ZKL6005515510螺旋钻孔机ZKL6005515511螺旋钻孔机ZKL6005515512螺旋钻孔机ZKL6005515513泥浆泵红星-303013014泥浆泵红星-303013015泥浆泵红星-303013016泥浆泵红星-3030130三、设计内容和步骤第2页共42页第1页共42页编号:时间:2021年x月x日书山有路勤为径,学海无涯苦作舟页码:第2页共42页1、现场勘探及初步设计:(1)本工程所在施工现场范围内施工前无各种埋地管线。(2)现场采用380V低压供电,设一配电总箱,内有计量设备,采用TN-S系统供电。(3)根据施工现场用电设备布置情况,总箱进线采用导线空气明敷/架空线路敷设,干线采用空气明敷/架空线路敷设,用电器导线采用空气明敷/架空线路敷设。布置位置及线路走向参见临时配电系统图及现场平面图,采用三级配电,三级防护。(4)按照《JGJ46-2005》规定制定施工组织设计,接地电阻R≤4Ω。2、确定用电负荷:(1)、螺旋钻孔机Kx=0.3,Cosφ=0.7,tgφ=1.02Pjs=0.3×55=16.5kWQjs=Pjs×tgφ=16.5×1.02=16.83kvar(2)、螺旋钻孔机Kx=0.3,Cosφ=0.7,tgφ=1.02Pjs=0.3×55=16.5kWQjs=Pjs×tgφ=16.5×1.02=16.83kvar(3)、螺旋钻孔机Kx=0.3,Cosφ=0.7,tgφ=1.02Pjs=0.3×55=16.5kWQjs=Pjs×tgφ=16.5×1.02=16.83kvar(4)、螺旋钻孔机Kx=0.3,Cosφ=0.7,tgφ=1.02Pjs=0.3×55=16.5kWQjs=Pjs×tgφ=16.5×1.02=16.83kvar(5)、泥浆泵Kx=0.75,Cosφ=0.8,tgφ=0.75Pjs=0.75×30=22.5kWQjs=Pjs×tgφ=22.5×0.75=16.87kvar第3页共42页第2页共42页编号:时间:2021年x月x日书山有路勤为径,学海无涯苦作舟页码:第3页共42页(6)、泥浆泵Kx=0.75,Cosφ=0.8,tgφ=0.75Pjs=0.75×30=22.5kWQjs=Pjs×tgφ=22.5×0.75=16.87kvar(7)、泥浆泵Kx=0.75,Cosφ=0.8,tgφ=0.75Pjs=0.75×30=22.5kWQjs=Pjs×tgφ=22.5×0.75=16.87kvar(8)、泥浆泵Kx=0.75,Cosφ=0.8,tgφ=0.75Pjs=0.75×30=22.5kWQjs=Pjs×tgφ=22.5×0.75=16.87kvar(9)、螺旋钻孔机Kx=0.3,Cosφ=0.7,tgφ=1.02Pjs=0.3×55=16.5kWQjs=Pjs×tgφ=16.5×1.02=16.83kvar(10)、螺旋钻孔机Kx=0.3,Cosφ=0.7,tgφ=1.02Pjs=0.3×55=16.5kWQjs=Pjs×tgφ=16.5×1.02=16.83kvar(11)、螺旋钻孔机Kx=0.3,Cosφ=0.7,tgφ=1.02Pjs=0.3×55=16.5kWQjs=Pjs×tgφ=16.5×1.02=16.83kvar(12)、螺旋钻孔机Kx=0.3,Cosφ=0.7,tgφ=1.02Pjs=0.3×55=16.5kWQjs=Pjs×tgφ=16.5×1.02=16.83kvar(13)、泥浆泵第4页共42页第3页共42页编号:时间:2021年x月x日书山有路勤为径,学海无涯苦作舟页码:第4页共42页Kx=0.75,Cosφ=0.8,tgφ=0.75Pjs=0.75×30=22.5kWQjs=Pjs×tgφ=22.5×0.75=16.87kvar(14)、泥浆泵Kx=0.75,Cosφ=0.8,tgφ=0.75Pjs=0.75×30=22.5kWQjs=Pjs×tgφ=22.5×0.75=16.87kvar(15)、泥浆泵Kx=0.75,Cosφ=0.8,tgφ=0.75Pjs=0.75×30=22.5kWQjs=Pjs×tgφ=22.5×0.75=16.87kvar(16)、泥浆泵Kx=0.75,Cosφ=0.8,tgφ=0.75Pjs=0.75×30=22.5kWQjs=Pjs×tgφ=22.5×0.75=16.87kvar(17)总的计算负荷计算,总箱同期系数取Kx=0.8总的有功功率Pjs=Kx×ΣPjs=0.8×(16.5+16.5+16.5+16.5+22.5+22.5+22.5+22.5+16.5+16.5+16.5+16.5+22.5+22.5+22.5+22.5)=249.6kW总的无功功率Qjs=Kx×ΣQjs=0.8×(16.83+16.83+16.83+16.83+16.87+16.87+16.87+16.87+16.83+16.83+16.83+16.83+16.87+16.87+16.87+16.87)=215.74kvar总的视在功率Sjs=(Pjs2+Qjs2)1/2=(249.62+215.742)1/2=329.92kV...

1、当您付费下载文档后,您只拥有了使用权限,并不意味着购买了版权,文档只能用于自身使用,不得用于其他商业用途(如 [转卖]进行直接盈利或[编辑后售卖]进行间接盈利)。
2、本站所有内容均由合作方或网友上传,本站不对文档的完整性、权威性及其观点立场正确性做任何保证或承诺!文档内容仅供研究参考,付费前请自行鉴别。
3、如文档内容存在违规,或者侵犯商业秘密、侵犯著作权等,请点击“违规举报”。

碎片内容

施工现场临时用电组织设计(DOC 43页)

精华资料店+ 关注
实名认证
内容提供者

大量教育教学资料

确认删除?
VIP
微信客服
  • 扫码咨询
会员Q群
  • 会员专属群点击这里加入QQ群
客服邮箱
回到顶部