规模化猪场养猪技术规范规模化猪场养猪技术规范随着社会的发展、时代的进步和改革的不断深化,我国人民群众逐步摆脱贫穷走向富裕,人们对物...
DDDDDDDDDDDDDDDDDDDDDDDDDD,DDDDD规模猪场管理方案DDDDDDDDDD?DDDDDDDDDDDDODDXDDDDDDDDDDDDDDDDDDDDDDDD1. DDDDDDDDDDDDDDDDDDDDDDDDDDD...
下载后可任意编辑良种猪场可行性讨论报告1下载后可任意编辑第一章 总 论 第一节项目提出的背景 随着人民生活水平的不断提高, 优质肉猪...
下载后可任意编辑种猪场人工授精技术推广与应用1下载后可任意编辑种猪场人工授精技术推广与应用北京市畜牧兽医总站, 北京浩邦猪人工授精服...
下载后可任意编辑简述猪场人工授精工艺流程付继钢 范卫强( 希杰( 郑州) 饲料有限公司 河南郑州 450001) 人工授精能够提高优良公猪的...
湖 南 农 大 动 物 药 业 有 限 公 司规模猪场疾病控制成功方案十一例湖南农业大学猪病控制中心成功方案之一:母猪生殖保健方案...
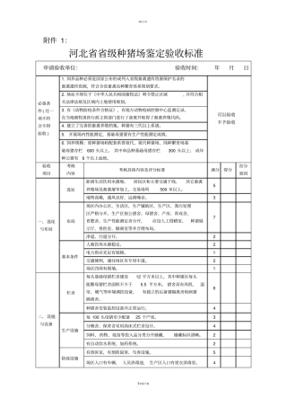
精品文档。1欢迎下载附件 1:河北省省级种猪场鉴定验收标准申请验收单位:验收时间:年月日必备条件( 任一项不符合不得验收 ) 1. 饲养...
河北添富畜牧有限公司猪场建设项目可行性研究报告项目主管单位:唐县农牧局唐县扶贫局项目主办单位:河北添富畜牧有限公司协作单位:河北农...
1规模猪场非洲猪瘟防控应急预案(2020 年 6 月修订)目录第一章总则…………………………………………011. 1 目的和依据 011.2选用范...
[共41页,纯干货]23省3974个种猪场通讯录
第一章 工程摘要1.1 工程名称: 江西正邦养殖有限公司金溪琅琚猪场大型沼气工程建设工程1.2 建设单位 :江西正邦养殖有限公司1.3 建...
-- -- 目录第一章总论........................................................................................ 1 1.1 项目摘要 ...
猪场租赁合同甲方(出租方)***乙方(承租方)***根据《中华人民共和国合同法》及有关规定,甲、乙双方本着平等互利、和谐协商的原则达成下...
猪场实习 吴金玲 12 月 25 日我们来到乌兰察布正邦牧业有限公司集宁猪场,猪场规模为 10000 头母猪的厂。在猪场里,我们实习生与员...
可行性研究报告年出栏 10 万头商品猪猪场扩建项目2012-3-1 目录第一章总 论 .........................................................
××××××××××商品猪场日处理200m3 污水处理工 程 设 计 方 案WORD 2 / 30 ××××××××二О 一三年十二月目录第一...
下载后可任意编辑大型猪场网络视频监控设计及施工解决方案甘肃华腾电子科技有限公司 下载后可任意编辑一、设计原则张掖市 1200 头父母头...
______ 养殖场承包合同(样本)甲(发包方): _____________ 法定代表人 : ___________ 乙(承包方): _____________ 法定代表人...
最全的猪场常用数据表格(15张图)目录导航:01生产技术指标02猪舍参考温度03不同阶段猪群密度04各类猪群的饮水及设施05母猪、仔猪、育肥猪的...
下载后可任意编辑监理统一表 A2施工组织设计(方案)报审表工程名称:农二师 21 团种猪总场母猪卷、后备圈工程 编号:致:新疆蓝天监理...

