•流程图程序的基本结构•顺序结构的语句•选择结构的语句•循环结构的语句目录contents顺序结构顺序结构是流程图中最基本的结构,它按照代...
问题:一队士兵来到一条有鳄鱼的深河的左岸,只有一条小船可供使用(且左岸有两个儿童在玩耍)这条船一次只能承载两个儿童或一个士兵,这队...
目录8.2.3.4a.质量手册编号........................................28.2.3.4b.程序文件编号........................................28....
研发部组织架构及流程图课件目录CONTENTS•研发部人员构成•研发部工作考核与激励•研发部未来发展规划01研发部组织架构研发部概述研发部是...
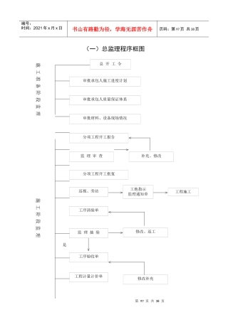
标书制作流程图与教材通用课件•标书制作概述•标书制作流程图详解•教材通用课件制作方法•标书制作要点与注意事项•教材通用课件应用案例...
房地产公司各部门流程图工程管理部流程课件•工程管理部概述•工程管理部流程图概述•工程管理部流程图详细介绍•工程管理部与其他部门协作...
符号定义与分类符号定义符号分类符号的使用场景调研计划制定调研结果呈现在制定调研计划时,可以使用调研流程图符号来绘制调研活动的整体流...
某公司质量控制流程图课件•质量控制概述•质量策划阶段目录CONTENTS•质量保证阶段•质量控制阶段•持续改进阶段•某公司质量控制流程图详...
实用资产的报废流程图课件•资产报废概述contents•资产报废流程图设计•资产报废申请与审批流程•资产报废处置与回收流程•资产报废管理与...
网站流程图规范课件•网站流程图概述•网站流程图规范•网站流程图的绘制步骤•网站流程图案例分析•网站流程图的优化建议目录contents01网...
培训管理制度第一章总则第一条本规定实施的宗旨与目的1、加强人事管理,提高员工素质。2、激发员工求知欲、创造心,奠定公司人才基础.3、合...
XXX铸造有限公司药品生产流程图文件编号:提纲:一、药品生产主流程图二、物料供应流程图三、工艺用水系统流程图四、人员卫生和工艺卫生流...
硫酸庆大霉素生产工艺一、硫酸庆大霉素产品说明1、产品名称及化学结构1.1产品名称:硫酸庆大霉素(Gentamycinsulfate)1.2化学结构:1.2.1结...
现在有三种申报方法一.申报1.1类药进口(进口药)(1)方法:a.等药品在国外上市后,不在国内生产。申请分包进口(类似于代理)。b.等药品在...
施工测量熟悉施工图纸:施工区域、工作环境、工作内容。勘察施工现场:确定控制点布设的位置、控制点引测路线,编制测量方案。校检测量仪器...
手机制造QC工流程•手机制造QC概述•手机制造QC流程图详解•QC流程中常见问题及解决方案•QC流程优化建议•QC流程图应用实例01手机制造QC概...
针灸科常用特色治疗操作流程目录1、毫针法操作流程图2、艾条灸法操作流程图3、艾炷灸法操作流程图4、拔火罐法操作流程图5、刮痧法操作流程...
..*****产业创业投资基金投资管理操作流程(暂行)二○○九年十月二十二日1/25..目录第一章投资决策权限第二章投资决策的操作流程第三章投...
建筑公司各工作流程通用件01建筑目立与划项目立项01020304初步意向项目初审项目立项申请项目立项审批对市场进行调研,了解客户需求,寻找潜...
..物料计划控制流程1.目的编制合理的采购需求计划,保证生产的物资供应,减少物资的存贮量,控制库存管理,避免呆料产生,以与订单合理分配等...

