ERP数据流图*************有限公司目录1.1企业销售管理业务的第一层数据流............................................41.2销售基础数据...
标准业务流程一、销售部分:(一)销售合同管理流程:客户签订销售合同产品是否存在录入销售订单增加存货档案、产品结构增加项目目录存货项...
5、风险处理控制流程图、流程描述及操作规范对帐户的实时监控,实时监督各交易员对交易规则的执行情况。(1)一旦发现交易员的某个客户帐户...
图形目录图23.1企业销售管理业务的第一层数据流图.................................................................................3图...
图23.1企业销售管理业务的第一层数据流图.................................................................................3图23.2销售...
淘宝网上购物流程图目录一、如何在淘宝网上购物.........................................................................................
1.1-1销售报价流程作业说明客户业务生产/财务领导审批新商品报价时应由生产报领导核准后报备财务部门估出销货成本并建议报价确定后财务备案...
董事会制订下年度经营目标预算编制流程财务部汇总出总预算总经理室审核提交董事会审议、调整、通过选矿厂制订下年度费用计划选矿厂制订下年...
目录一、人力行政部行政-01入职流程图…………………………………………………04行政-02离职流程图………………………………………………...
标准业务流程(航天友商)一、销售部分:(一)销售合同管理流程:咨询电话:0755-82225002-1-金蝶官方授权实施伙伴-深圳市航天友商信息科技有...
标准业务流程一、销售部分:客户签订销售合同产品是否存在录入销售订单增加存货档案、产品结构增加项目目录存货项目增加存货、产品结构增加...
ERP企业资源规划系统流程图库存和IQC管理系统流程图采购管理系统流程图库别代码设片语设定ABC分级设目标成本建立仓管人员设厂商资料建立料...
薅膁芀薁蚇羄膆薀蝿膀肂蕿羂羂蒁蕿蚁袅莇薈螃肁芃薇袆袄腿薆薅聿肅蚅蚈袂莄蚄螀肇芀蚃袂袀膆蚃蚂肆膂蚂螄羈蒀蚁袇膄莆蚀罿羇节虿虿膂膈芆螁...
商贸有限公司内部管理流程1、会议管理流程编号:行政-01—步骤表/流程图编制日期:2011-11-12程序步骤1步骤2步骤3步骤4步骤5步骤6详细步骤...
服装制作工艺流程图一、课程简介:《服装结构设计与工艺》课程是在原有的服装结构设计、工艺设计合并调整后的课程名称,更新后的《服装结构...
NNYY施工准备阶段项目部组成图纸审核合同交底设计交底施工文件准备施工现场准备编制项目质量计划施工预算的编制编制施工组织设计编制物资需...
NNYY施工准备阶段项目部组成图纸审核合同交底设计交底施工文件准备施工现场准备编制项目质量计划施工预算的编制编制施工组织设计编制物资需...
第1页共3页编号:时间:2021年x月x日书山有路勤为径,学海无涯苦作舟页码:第1页共3页《人力资源管理流程图》Q/YF.QG.S03-01负责部门/人员...
第1页共2页编号:时间:2021年x月x日书山有路勤为径,学海无涯苦作舟页码:第1页共2页《纠正措施控制流程图》Q/YF.QG.M06-01负责部门/人员...
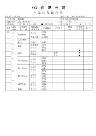
XXX有限公司产品过程流程图制定部门:技术部制定日期:2001年05月12日产品名称换向器顾客名称信裕电机规格/型号QZQC-RF32-205版本A阶段状态...

