电脑桌面
添加小米粒文库到电脑桌面
安装后可以在桌面快捷访问

安全工作流程图VIP免费

安全工作流程图_第1页
1/10
安全工作流程图_第2页
2/10
安全工作流程图_第3页
3/10
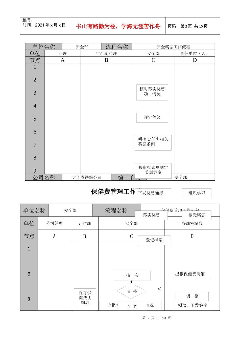
第1页共10页编号:时间:2021年x月x日书山有路勤为径,学海无涯苦作舟页码:第1页共10页安全档案管理工作流程安全奖惩工作流程单位名称安全部流程名称安全档案管理工作流程单位生产副经理安全部部长安全员各职能部室节点ABCD123456789公司名称大连港铁路公司编制单位安全部开始档案收集档案鉴定保管维护分类整理档案利用档案更新档案销毁结束配合审核审批审批审核第2页共10页第1页共10页合格编号:时间:2021年x月x日书山有路勤为径,学海无涯苦作舟页码:第2页共10页保健费管理工作流程单位名称安全部流程名称保健费管理工作流程单位公司经理计财部安全部各部室站段节点ABCD123提报保健费明细核实调整拨款发放签字领取,下发签字保存保健费明细表上报集团保健费分布情况存档保存保健费明细表否单位名称安全部流程名称安全奖惩工作流程单位经理生产副经理安全部责任单位(人)节点ABCD123456789公司名称大连港铁路公司编制单位安全部核对落实奖惩项目情况下发奖惩通报组织学习按审批意见制定奖惩方案明确责任和相关奖惩条例评定等级接受奖惩落实奖惩登记档案第3页共10页第2页共10页编号:时间:2021年x月x日书山有路勤为径,学海无涯苦作舟页码:第3页共10页45678910公司名称大连港铁路公司编制单位安全部港内流动机械年检工作流程单位名称安全部流程名称港内机械年检工作流程单位行政经理安全部港内机械驾驶人大连港交通队节点ABCD第4页共10页第3页共10页编号:时间:2021年x月x日书山有路勤为径,学海无涯苦作舟页码:第4页共10页1234567公司名称大连港铁路公司编制单位安全部排污费缴纳工作流程单位名称安全部流程名称排污费缴纳工作流程申请年检办理车辆年检手续组织车辆年检签发凭证保管凭证接收通知车辆年检第5页共10页第4页共10页开始编号:时间:2021年x月x日书山有路勤为径,学海无涯苦作舟页码:第5页共10页单位经理计财部安全部技术部节点ABCD123456公司名称大连港铁路公司编制单位安全部安全日常检查工作流程每月统计公司用水量报安全部填报年度《排放污染物申报登记统计简表》,将排污费用预估并上报根据上报数据填写《排污申报表》每季度末报下季度排污费缴纳计划,次月根据《排污费缴纳通知单》请款缴纳排污费,并保留相关凭证拨款第6页共10页第5页共10页结束编号:时间:2021年x月x日书山有路勤为径,学海无涯苦作舟页码:第6页共10页三级安全教育工作流程单位名称安全部流程名称安全日常检查工作流程单位安全部各部室站段节点AB123456789公司名称大连港铁路公司编制单位安全部开始按安全技术、规章制度要求检查发现的问题隐患登记问题反馈责任单位检查整改后情况联系相关人员隐患排查登记表签字接到问题反馈意见后立即布置整改方案进行整改整改结果上报隐患排查登记表签字合格否是第7页共10页第6页共10页开始编号:时间:2021年x月x日书山有路勤为径,学海无涯苦作舟页码:第7页共10页单位名称安全部流程名称三级安全教育工作流程单位安全部各站段节点AB1234567公司名称大连港铁路公司编制单位安全部站、段进行二级安全教育,组织考试,合格填写教育卡片按三级安全教育大纲进行厂级安全教育组织考试,合格后填写教育卡片检查检查建立个人安全档案结束班组进行三级安全教育组织考试合格后填写教育卡片第8页共10页第7页共10页编号:时间:2021年x月x日书山有路勤为径,学海无涯苦作舟页码:第8页共10页铁路公司消防工作流程单位名称安全部流程名称消防工作流程单位安全部各部室站段、车队、外租单体节点AB12345678开始结束制定本单位防火责任制特种人员、应急队伍以及全员培训、演练;消防器材维修、更换结合公司消防工作特点和各单位实际对培训人员开展消防知识培训;消防器材的维修、更换统计结合防火责任制制定重点部位防火管理规定是否整改各单位每日巡视、每月彻底检查;公司季度检查。消防检查、评估(季度检查、半年评估、平时抽查)隐患整改情况信息录入系统合格审第9页共10页第8页共10页开始编号:时间:2021年x月x日书山有路勤为径,学海无涯苦作舟页码:第9页共10页公司名称大连港铁路公司编制单位安全部危险废物管理工作流程单位名称安全部流程名称危险...

1、当您付费下载文档后,您只拥有了使用权限,并不意味着购买了版权,文档只能用于自身使用,不得用于其他商业用途(如 [转卖]进行直接盈利或[编辑后售卖]进行间接盈利)。
2、本站所有内容均由合作方或网友上传,本站不对文档的完整性、权威性及其观点立场正确性做任何保证或承诺!文档内容仅供研究参考,付费前请自行鉴别。
3、如文档内容存在违规,或者侵犯商业秘密、侵犯著作权等,请点击“违规举报”。

碎片内容

安全工作流程图

您可能关注的文档

确认删除?
VIP
微信客服
  • 扫码咨询
会员Q群
  • 会员专属群点击这里加入QQ群
客服邮箱
回到顶部